Описание разновидностей конденсаторов и расчет удельной емкости
Для электродвигателей с низкой частотой идеальным вариантом будет электролитический конденсатор, он обладает максимальной возможной емкостью, может достигать значения в 100000 мкФ. При этом напряжение может колебаться от стандартных 220 В до 600 В. Электродвигатели, в этом случае, могут использоваться в тандеме с фильтром источника энергии. Но при этом при подключении необходимо строго соблюдать полярность. Оксидная пленка, являющаяся очень тонкой, выступает в роли электродов. Зачастую электрики их называют оксидными.
- Полярные лучше не использовать в системе подключенных к сети переменного тока, в этом случае разрушается слой диэлектрика и происходит нагрев аппарата и, как следствие, замыканию накоротко.
- Неполярные являются хорошим вариантом, но их стоимость и габариты значительно выше электролитических.
Подбирая лучший вариант нужно учитывать несколько факторов. Если подключение происходит через однофазную сеть с напряжением в 220 В, то для пуска нужно использовать фазосдвигающий механизм. Притом их должно быть два, не только для самого конденсатора, но и для двигателя. Формулы, по которым вычисляется удельная емкость конденсатора, зависит от типа подключения к системе, их всего два: треугольник и звезда.
I1 – номинальный ток фазы двигателя, А (Амперы, чаще всего указывается на упаковке двигателя);
Uсети – напряжение в сети (самые стандартные варианты 220 и 380 В). Есть и большее напряжение, но для них нужны совершенно другие типы соединения и более мощные двигатели.
Сп = Ср + Со
где Сп – Пусковая емкость, Ср – рабочая емкость, Со – отключаемая емкость.
Чтоб не напрягаться с расчетами умные люди вывели средние, оптимальные значения, зная оптимальную мощность электродвигателей, которая обозначается – М. Важным правилом является то, что пусковая емкость должна быть больше рабочей.
При мощности От 0,4 до 0,8 кВт: рабочая емкость – 40 мкФ, пусковая мощность – 80 мкФ, От 0,8 до 1,1 кВт: 80 мкФ и 160, мкФ, соответственно. От 1,1 до 1,5 кВт: Ср – 100 мкФ, Сп – 200 мкФ. От 1,5- 2,2 кВт: Ср – 150 мкФ, Сп 250 мкФ; При 2,2 кВт рабочая мощность должна быть не меньше 230 мкФ, а пусковая – 300 мкФ.
При подключении двигателя, рассчитанного на работу при 380 В, в сеть переменного тока с напряжением 220 В, происходит потеря половины номинальной мощности, хотя это никак не влияет, но скорость вращения ротора. При расчете мощности это является важным фактором, уменьшить эти потери можно при схеме подключения «треугольник», КПД двигателя в этом случае будет равно 70%.
Полярные конденсаторы лучше не использовать в системе подключенных к сети переменного тока, в этом случае разрушается слой диэлектрика и происходит нагрев аппарата и, как следствие, замыканию накоротко
Подключение однофазного электродвигателя: использование магнитного пускателя
Но есть другой путь — подключение однофазного электродвигателя как генератора для получения трехфазного напряжения.
В качестве кратковременного переключателя ставят кнопки с группой контактов или реле. По схеме, изображенной на рисунке 2, соединения исполнялись без нейтрали.
Функция центробежного выключателя состоит в отключении пусковой фазы, когда ротор набирает номинальную скорость. Помните, что при подключении коллекторного электрического двигателя без блока электроники, он будет работать только на максимальных оборотах, а при запуске будет сильный рывок, большой пусковой ток, искрение на коллекторе.
В конденсаторных однофазных двигателях конденсаторная обмотка работает все время. Следовательно, раз он подключается к сети , все конденсаторы, задействованные в схеме, должны быть не менее чем на В. Магнитное поле основной обмотки поддерживает вращение длительное время.
К примеру, для изготовления наждака или самодельного сверлильного аппарата. Использовать необходимо только конденсаторы, которые идут в комплекте поставки. Как рассчитать емкость Емкость конденсатора, который устанавливается в схему подключения трехфазного электродвигателя, подсоединяемого к сети напряжением в В, зависит от самой схемы
Важно помнить: трехфазные электродвигатели обладают более высокой эффективностью, чем однофазные на В

Магнитное поле основной обмотки поддерживает вращение длительное время. Решение — установка 3-х полюсного переключателя. Данная процедура реализуется простым изменением порядка включения пусковой обмотки при ее соединении с рабочей обмоткой. Это связано с тем, что при включении в сеть только рабочей обмотки С1-С2 у однофазного конденсаторного двигателя возникнет пульсирующее магнитное поле, а не вращающееся, то есть он не запустится. С каждым из сетевых проводов необходимо подключить дроссели для исключения помех.
В магнитопроводе однофазных двигателей находится двухфазная обмотка, состоящая из основной и пусковой обмотки. Контроль показателей пускового тока в таких двигателях осуществляется частотным преобразователем. Это и будет, один из сетевых проводов. Наиболее удобным является магнитный пускатель с управлением от в переменного тока. Все емкости, которые включаются в схему, должны быть однотипными.
Если после этого двигатель окажется горячим, то: Возможно, подшипники загрязнились, зажались или просто износились. Идея применения пускового конденсатора состоит в его включении в цепь лишь в момент запуска мотора. Станках для обработки сырья и т.
Подключение конденсатора. Как подключить конденсатор к электродвигателю. Схема.
Смешивающие конденсаторы [ править | править код ]
В смешивающем конденсаторе тепло- и массообменный процесс происходит путём прямого смешения сред. Охлаждающая вода разбрызгивается в пространстве смешивающего конденсатора. Пар конденсируется на поверхности капель воды и стекает вместе с ней в поддоны, откуда откачивается конденсатными насосами. Взаимное расположение потоков пара и воды может быть параллельным, противоточным или поперечноточным. При противотоке теплообмен более эффективен. Наиболее распространены пароводяные струйные аппараты, использующие струйные инжекторы. Поскольку в конденсат попадает охлаждающая вода с растворённым в ней воздухом и другими примесями, такая смесь не может быть использована для современных паровых котлов, которые предъявляют высокие требования к подготовке питательной воды. Поэтому смешивающие конденсаторы применяются либо в малых паровых машинах, либо в системах охлаждения с т. н. «сухими градирнями», где роль охладителей выполняют закрытые радиаторы. Поэтому охлаждающая вода, проходя через радиаторы, мало загрязняется и может быть присоединена к потоку конденсата.
Что такое конденсатор
Это устройство для накопления электрического заряда. Он состоит из пары проводящих пластин, находящихся на малом отстоянии друг от друга и разделенных слоем изолирующего материала.
Широко распространены следующие виды накопителей электрического заряда:
- Полярные. Работают в цепях с постоянным напряжением, подключаются в соответствии с указанной на них полярностью.
- Неполярные. Работают в цепях с переменным напряжение, подключать можно как угодно
- Электролитические. Пластины представляют собой тонкие оксидные пленки на листе фольги.
Неполярный конденсатор
Электролитические лучше других подходят на роль конденсатора для пуска электродвигателя.
Расчёт ёмкости и напряжения рабочего конденсатора
Расчёт сводится к подбору такой емкости, чтобы при номинальной нагрузке было обеспечено круговое магнитное поле, так как при значении ниже или выше номинального магнитное поле изменяет форму на эллиптическое, а это ухудшает рабочие характеристки двигателя и снижает пусковой момент. В инженерных справочниках приведена формула для расчёта ёмкости конденсатора:
I и sinφ –ток и сдвиг фаз между напряжением и током в цепи при вращающемся магнтном поле без конденсатора
f- частота переменного тока
U – напряжение питания
n- коэффициент трансформации обмоток. определяется как соотношение витков обмоток с конденсатором и без него.
Напряжение на конденсаторе рассчитывается по формуле
Uc -рабочее напряжение конденсатора
U — напряжение питания двигателя
n — коэффициент трансформации обмоток
Из формулы видно, что рабочее напряжение фазосдвигающего конденсатора выше напряжения питания двигателя.
В пособиях по расчёту приводят приближённое вычисление – 70-80 мкФ ёмкости конденсатора на 1 кВт мощности электродвигателя, а номинал напряжения конденсатора для сети 220 В обычно ставят — 450 В.
Также параллельно к рабочему конденсатору подключают пусковой конденсатор на время пуска, примерно на три секунды, после чего срабатывает реле и отключает пусковой конденсатор. В настоящее время в кондиционерах схемы с дополнительным пусковым конденсатором не применяют.
В более мощных кондиционерах используют компрессоры с трёхфазными асинхронными двигателями, пусковые и рабочие конденсаторы для таких двигателей не требуются.

При подключении асинхронного трехфазного электродвигателя на 380 В в однофазную сеть на 220 В необходимо рассчитать емкость фазосдвигающего конденсатора, точнее двух конденсаторов — рабочего и пускового конденсатора. Онлайн калькулятор для расчета емкости конденсатора для трехфазного двигателя в конце статьи.
Как подобрать конденсатор для трехфазного электродвигателя
Для вычисления емкости основного конденсатора применяют формулу:
- k- коэффициент, принимаемый за 4800 при схеме «треугольник» и 2800 при схеме «звезда»;
- Iφ-ток статора, его берут из паспорта или таблички на корпусе;
- U- напряжение сети.

Результат получается в микрофарадах. Вместо точной формулы можно применять правило: на каждые 100 ватт мощности — 7 микрофарад емкости.
Если при старте двигателю приходится преодолевать большой момент инерции подключенного к валу оборудования, то в помощь основному на время запуска и набора номинальных оборотов подключают пусковой конденсатор.
Емкость пускового накопителя принимают в 2-3 раза больше основного.

Подключение трехфазного электродвигателя к сети
После выхода на режим его обязательно отключают — вручную или с помощью автоматики. Если на рассчитанную емкость нет точно подходящего по номиналу прибора, конденсаторы можно подключать параллельно.
Замена и подбор пускового/рабочего конденсатора
Если имеется оригинальный конденсатор, то понятно, что просто-напросто необходимо поставить его на место старого и всё. Полярность не имеет значения, то есть выводы конденсатора не имеют обозначений плюс «+» и минус «-» и их можно подключить как угодно.
Категорически нельзя применять электролитические конденсаторы (узнать их можно по меньшим размерам, при той же ёмкости, и обозначению плюс и минус на корпусе). Как следствие применения – термическое разрушение. Для этих целей производители специально выпускают неполярные конденсаторы для работы в цепи переменного тока, которые имеют удобное крепление и плоские клеммы, для быстрой установки.
Если нужного номинала нет, то его можно получить параллельным соединением конденсаторов. Общая ёмкость будет равна сумме двух конденсаторов:
То есть, если соединить два конденсатора по 35 мкФ, получим общую ёмкость 70 мкФ, напряжение при котором они смогут работать будет соответствовать их номинальному напряжению.

Такая замена абсолютно равноценна одному конденсатору большей ёмкости.
Если во время замены перепутались провода, то правильное подключение можно посмотреть по схеме на корпусе или здесь: Схема подключения конденсатора к компрессору
Специфика схем с конденсаторами
Когда подбирают типы включения электромашин при помощи пусковых и рабочих двухполюсников к сети 220 вольт, то выделяют следующие:
- включение в «треугольник»;
- подсоединение в «звезду».
К сведению. Какие отличия между пусковыми и рабочими двухполюсниками? «Пусковыми» называются элементы, применяемые только для запуска, а «рабочими» – используемые в работе постоянно.
Схемы включения в однофазную сеть
При монтаже однофазного мотора в однофазную линию его запуск осуществляют, используя дополнительную обмотку. Такой двигатель имеет три вывода:
- от рабочей катушки;
- от дополнительной;
- общий вывод для обеих обмоток.
Когда отсутствует маркировка, катушки «прозваниваются» тестером для определения правильности подсоединения.
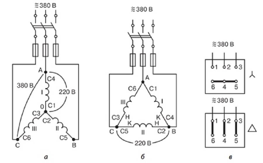
Тип сборки «Треугольник»
Для присоединения асинхронной трёхфазной машины в однофазную линию возможно применение соединения «треугольник». Пусковая емкость включается согласно схеме.
Тип сборки «Звезда»
Аналогичный принцип сборки цепи запуска 3-х фазного двигателя, обмотки которого соединены «звездой». Когда есть возможность самостоятельно выполнить такое соединение обмоток, то его осуществляют на клеммнике.
Специфика схем с конденсаторами
Когда подбирают типы включения электромашин при помощи пусковых и рабочих двухполюсников к сети 220 вольт, то выделяют следующие:
- включение в «треугольник»;
- подсоединение в «звезду».
К сведению. Какие отличия между пусковыми и рабочими двухполюсниками? «Пусковыми» называются элементы, применяемые только для запуска, а «рабочими» – используемые в работе постоянно.
В применении емкостных элементов, при подключении 3-х фазного мотора к сети 380 вольт, нет необходимости.
Схемы включения в однофазную сеть
При монтаже однофазного мотора в однофазную линию его запуск осуществляют, используя дополнительную обмотку. Такой двигатель имеет три вывода:
- от рабочей катушки;
- от дополнительной;
- общий вывод для обеих обмоток.
Когда отсутствует маркировка, катушки «прозваниваются» тестером для определения правильности подсоединения.
Тип сборки «Треугольник»
Для присоединения асинхронной трёхфазной машины в однофазную линию возможно применение соединения «треугольник». Пусковая емкость включается согласно схеме.
Тип сборки «Звезда»
Аналогичный принцип сборки цепи запуска 3-х фазного двигателя, обмотки которого соединены «звездой». Когда есть возможность самостоятельно выполнить такое соединение обмоток, то его осуществляют на клеммнике.
Использование электролитических конденсаторов
Конденсаторы с диэлектриком из бумаги отличаются малой удельной емкостью и значительными габаритами. Для двигателя даже не самой большой мощности они будут занимать много места. Теоретически их можно заменить электролитическими, обладающими в несколько раз более высокой удельной емкостью.

Разновидности устройства электролитического конденсатора
Для этого электрическую схему придется дополнить несколькими элементами: диодами и резисторами. Такой вариант неплох для эпизодически работающего двигателя. Если же планируются продолжительные нагрузки, то от экономии места и веса лучше отказаться — при случайном выходе диода из строя он начнет пропускать на накопитель переменный ток, что приведет к его пробою и взрыву.
Выбор емкости
С целью максимизации эффективности электродвигателя нужно рассчитать ряд параметров электроцепи, и прежде всего емкость.
Для рабочего конденсатора
Существуют сложные и точные методы расчета, однако в домашних условиях вполне достаточно оценить параметр по приближенной формуле.
На каждые 100 ватт электрической мощности трехфазного электродвигателя должно приходиться 7 микрофарад.
Недопустимо также подавать на фазовую статорную обмотку напряжение, превышающее паспортное.
Для пускового конденсатора
Если электродвигатель должен запускаться при наличии высокой нагрузки на приводном валу, то рабочий конденсатор не справится, и на время запуска потребуется подключать пусковой. После достижения рабочих оборотов, что происходит в среднем за 2-3 секунды, он отключается вручную или устройством автоматики. Доступны специальные кнопки включения электрооборудования, автоматически размыкающие одну из цепей через заданное время задержки.
Недопустимо оставлять пусковой накопитель подключенным в рабочем режиме. Фазовый перекос токов может привести к перегреву и возгоранию двигателя. Определяя емкость пускового прибора, следует принимать ее в 2-3 раза выше, чем у рабочего. При этом при запуске крутящий момент электродвигателя достигает максимального значения, а после преодоления инерции механизма и набора оборотов он снижается до номинального.
Какой тип использовать
Требования к конденсаторам для запуска электродвигателей простые:
- величина ёмкости достаточная для запуска мотора;
- номинальное напряжение подбирают на 10-15% выше, чем подключаемое;
- двухполюсник обязан работать с приложенным видом тока.
Есть небольшие нюансы для электрических машин, различающихся по принципу работы.
Для работы с трехфазным электродвигателем
В этом случае деталь осуществляет сдвиг фазы у обмотки асинхронной машины, и ее ёмкость должна быть высокой. Создание пускового момента и дальнейшая работа под нагрузкой требуют более точного подбора этой характеристики элемента.
Включение с однофазным электродвигателем
Пусковые конденсаторы здесь применяются для присоединения дополнительной обмотки. Она предназначена для запуска мотора и может быть включена как постоянно, через двухполюсник, так и кратковременно без него.
Особенности выбора детали
Выбранные конденсаторы пусковые соответствуют подаваемому напряжению. Величина их ёмкости не должна позволять двигателю перегреваться во время работы и легко запускать его в момент включения. Особых сложностей с подбором элементов не возникает.
Советы по использованию
Определение необходимых характеристик и выбор модели требуют обычно значительных усилий
В связи с этим имеет смысл принять во внимание несколько советов:
- Обязательным является использование пускового конденсатора при работе с моторами большой мощности или в тех случаях, когда приходится запускать вращение вала с нагрузкой.
- Двигатели мощностью меньше 1 квт обычно могут работать без использования пускового конденсатора. Такие моторы часто используются в бытовой технике.
Выполняя подключение пусковой цепи нужно тщательно выполнять все необходимые правила. Ошибка может привести к возникновению поломки или аварийной ситуации.
Сравнение рабочего и пускового конденсатора
Сравнительная таблица применения конденсаторов для асинхронных двигателей, включенных на напряжение 220 В.

Таблица сравнения характеристик.

В связи с тем, что указанные типы конденсаторов имеют относительно большие габариты и стоимость, в качестве рабочего и пускового конденсатора можно использовать полярные (оксидные) конденсаторы. Они обладают следующим достоинством: при малых габаритах они имеют намного большую емкость, чем бумажные. Наряду с этим существует весомый недостаток: включать в сеть переменного тока напрямую их нельзя. Для использования совместно с двигателем, нужно применить полупроводниковые диоды.
Будет интересно Несколько фактов об электролитических конденсаторах
Схема включения несложная, но в ней есть недостаток: диоды должны быть подобраны в соответствии с токами нагрузки. При больших токах диоды необходимо устанавливать на радиаторы. Если расчет будет неверным, или теплоотвод меньшей площади, чем требуется, диод может выйти из строя и пропустит в цепь переменное напряжение. Полярные конденсаторы рассчитаны на постоянное напряжение и при попадании на них напряжения переменного они перегреваются, электролит внутри них закипает и они выходят из строя, что может принести вред не только электромотору, но и человеку, обслуживающему данное устройство.
Напряжение 220 В – является напряжением опасным для жизни. В целях соблюдения правил безопасной эксплуатации электроустановок потребителей, сохранения жизни и здоровья лиц, эксплуатирующих данные устройства, применение данных схем включения должен проводить специалист.
Специфика схем с конденсаторами
Когда подбирают типы включения электромашин при помощи пусковых и рабочих двухполюсников к сети 220 вольт, то выделяют следующие:
- включение в «треугольник»;
- подсоединение в «звезду».
К сведению. Какие отличия между пусковыми и рабочими двухполюсниками? «Пусковыми» называются элементы, применяемые только для запуска, а «рабочими» – используемые в работе постоянно.
В применении емкостных элементов, при подключении 3-х фазного мотора к сети 380 вольт, нет необходимости.

Схемы включения в однофазную сеть
При монтаже однофазного мотора в однофазную линию его запуск осуществляют, используя дополнительную обмотку. Такой двигатель имеет три вывода:
- от рабочей катушки;
- от дополнительной;
- общий вывод для обеих обмоток.
Когда отсутствует маркировка, катушки «прозваниваются» тестером для определения правильности подсоединения.

Тип сборки «Треугольник»
Для присоединения асинхронной трёхфазной машины в однофазную линию возможно применение соединения «треугольник». Пусковая емкость включается согласно схеме.

Тип сборки «Звезда»
Аналогичный принцип сборки цепи запуска 3-х фазного двигателя, обмотки которого соединены «звездой». Когда есть возможность самостоятельно выполнить такое соединение обмоток, то его осуществляют на клеммнике.

Простые способы присоединения электромотора
Простейшее включение моторов – присоединение к трёхфазной сети. Электрообмотки мотора соединяются двумя способами:
Порядок соединения указаны на крышке клеммника с обратной стороны.
Внимание! Соединение обмоток «треугольником» быстро выводит двигатель на максимальную мощность, но тогда величина пускового тока возрастает семикратно. Плавный пуск, при отсутствии пускового реостата, затруднён
Соединение обмоток «звездой» позволяет устойчиво и длительно работать мотору при плавном запуске. Машина выдерживает кратковременные перегрузки и не перегревается. Мощность её несколько ниже, чем при альтернативном подключении.
Соединить в одну точку начала обмоток могут уже при изготовлении. На клеммник выводят только три их конца. Поэтому выводы просто подключают к фазам сети. Направление вращения выбирают, изменяя местами подключение выводов к двум соседним фазам.
Почему однофазный электродвигатель запускают через конденсатор
Статор электродвигателя с единственной обмоткой при пропускании переменного тока не сможет начать вращение, а лишь начнет подрагивать. Чтобы начать вращение, перпендикулярно основной обмотке размещают пусковую. В цепь этой обмотки включают компонент для сдвига фазы, такой, как конденсатор. Электромагнитные поля этих двух обмоток, прикладываемые к ротору со сдвигом по фазе, и обеспечат начало вращения.
В трехфазном двигателе обмотки и так размещены под углами 120 ° . Соответственно сориентированы и наводимые ими в роторе электромагнитные поля. Для начала вращения достаточно обеспечить сдвиг их работы по фазе, чтобы обеспечить пусковой момент вращения.
Источник
Проверка пускового и рабочего конденсаторов
Проверить конденсатор можно с помощью измерителя ёмкости конденсаторов, такие приборы выпускаются как отдельно, так и в составе мультиметра- универсального прибора, который может измерять много параметров. Рассмотрим проверку мультиметром.
- обесточиваем кондиционер
- разряжаем конденсатор, закоротив еговыводы
- снимаем одну из клемм (любую)
- выставляем прибор на измерение ёмкости конденсаторов
- прислоняем щупы к выводам конденсатора
- считываем с экрана значение ёмкости
У всех приборов разное обозначение режима измерения конденсаторов, основные типы ниже на картинках.
В этом мультиметре режим выбирается переключателем, его необходимо поставить в режим Fcх.Щупы включить в гнёзда с обозначением Сх.
Переключение предела измерения ёмкости ручное. Максимальное значение 100 мкФ.

У этого измерительного прибора автоматический режим, необходимо только его выбрать, как показано на картинке.

Измерительный пинцет от Mastech также автоматически измеряет ёмкость, необходимо только выбрать режим кнопкой FUNC, нажимая её, пока не появится индикация F.

Для проверки ёмкости, считываем на корпусе конденсатора её значение и ставим заведомо больший предел измерения на приборе. (Если он не автоматический)
К примеру, номинал 2,5 мкФ (μF), на приборе ставим 20 мкФ (μF).

После подсоединения щупов к выводам конденсатора ждём показаний на экране, к примеру время измерения ёмкости 40 мкФ первым прибором – менее одной секунды, вторым – более одной минуты, так что следует ждать.
Если номинал не соответствует указанному на корпусе конденсатора, то его необходимо заменить и если нужно подобрать аналог.
Принцип подключения трехфазного устройства к одной фазе
Во всех квартирах и большинстве частных домов все внутреннее энергоснабжение осуществляется по однофазным сетям. В этих условиях иногда необходимо выполнить подключение трехфазного двигателя к однофазной сети. Эта операция вполне возможна с физической точки зрения, поскольку отдельно взятые фазы различаются между собой лишь сдвигом по времени.
Подобный сдвиг легко организовать путем включения в цепь любых реактивных элементов – емкостных или индуктивных. Именно они выполняют функцию фазосдвигающих устройств когда используются рабочего и пускового элементов.
Следует учитывать то обстоятельство, что обмотка статора сама по себе обладает индуктивностью. В связи с этим, вполне достаточно снаружи двигателя подключить конденсатор с определенной емкостью. Одновременно, обмотки статора соединяются таким образом, чтобы первая из них сдвигала фазу другой обмотки в одну сторону, а в третьей обмотке конденсатор выполняет эту же процедуру, только в другом направлении. В итоге образуются требуемые фазы в количестве трех, добытые из однофазного питающего провода.
Таким образом, трехфазный двигатель выступает в качестве нагрузки лишь для одной фазы подключенного питания. В результате, в потребляемой энергии образуется дисбаланс, отрицательно влияющий на общую работу сети. Поэтому такой режим рекомендуется использовать в течение непродолжительного времени для электродвигателей небольшой мощности. Подключение обмоток в однофазную сеть может быть выполнено двумя способами – звездой или треугольником.
Выбор пускового конденсатора для электродвигателя

Современный подход к данному вопросу предусматривает использование специальных калькуляторов в интернете, которые проводят быстрый и точный расчет.
Для проведения расчета следует знать и ввести нижеприведенные показатели:
- Тип соединения обмоток двигателя: треугольник или звезда. От типа соединения зависит также и емкость.
- Мощность двигателя является одним из определяющих факторов. Этот показатель измеряется в Ваттах.
- Напряжение сети учитывается при расчетах. Как правило, оно может быть 220 или 380 Вольт.
- Коэффициент мощности – постоянное значение, которое зачастую составляет 0,9. Однако, есть возможность изменить этот показатель при расчете.
- КПД электродвигателя также оказывает влияние на проводимые расчеты. Эту информацию, как и другую, можно узнать, изучив нанесенную информацию производителем. Если ее нет, следует ввести модель двигателя в интернете для поиска информации о том, какой КПД. Также, можно ввести приблизительное значение, которое свойственно для подобных моделей. Стоит помнить, что КПД может изменяться в зависимости от состояния электродвигателя.
Подобная информация вводится в соответствующие поля и проводится автоматический расчет. При этом, получаем емкость рабочего конденсата, а пусковой должен иметь показатель в 2,5 раза больше.
Провести подобный расчет можно самостоятельно.
Для этого можно воспользоваться следующими формулами:
- Для типа соединения обмоток «звезда», определение емкости проводится при использовании следующей формулы: Cр=2800*I/U. В случае соединения обмоток «треугольником», используется формула Cр=4800*I/U. Как видно из вышеприведенной информации, тип соединения является определяющим фактором.
- Вышеприведенные формулы определяют необходимость расчета величины тока, который проходит в системе. Для этого используется формула: I=P/1,73Uηcosφ. Для расчета понадобятся показатели работы двигателя.
- После вычисления тока можно найти показатель емкости рабочего конденсатора.
- Пусковой, как ранее было отмечено, в 2 или 3 раза должен превосходить по показателю емкости рабочий.

























































