Типовые различия
 Испытательная коробка в электрощитке
Все испытательные клеммные коробки прежде всего различают по типу сетевого питания. В соответствии с этим показателем они делятся на следующие виды:
- колодки, устанавливаемые в цепях питания 380 Вольт;
 - те же изделия, но рассчитанные на 220 Вольт;
 - низковольтные образцы, предназначенные для установки в сети 110 Вольт.
 
Изделия принято отличать по форме и рабочим размерам. Согласно этим признакам они могут быть круглыми, прямоугольными или квадратными, небольшого размера или укрупненной серии.
В общем случае испытательные коробки классифицируются по следующим характерным признакам:
- назначение;
 - способ монтажа;
 - количество рядов на подложке;
 - число контактных групп в каждом из них;
 - тип фиксации и марка провода;
 - исполнение (угловые коробки или прямые).
 
По назначению изделия используются совместно измерителями либо предназначаются для обычных коммутационных операций. Они могут монтироваться на DIN рейку или устанавливаться в кросс-модуль. Возможное количество рядов и контактных групп в этих приспособлениях – один или два с числом контактов от 3-х и более.
В соответствии с используемым способом фиксации все коробки бывают для винтового, барьерного и фиксированного (нажимного) крепления. Марка подключаемого провода выбирается в зависимости от типа используемых в коробке клемм. Винтовые и концевые крепления подходят для всех типов проводников, а в пружинные и ножевые зажимы обычно вставляются их одножильные аналоги. Однако основное различие испытательных колодок для счетчиков в схеме подключения, согласно которой они применяются для одного учетного устройства либо сразу для нескольких образцов.
Подключение счетчика электроэнергии в низковольтную сеть большой мощности
В одной из предыдущих статей мы уже рассматривали измерительные трансформаторы тока, их сферы применения, технические характеристики и особенности режима работы.
Как отмечалось ранее, для подключения счетчика в сеть большой мощности (с большими токами) необходимо применять специальные устройства — измерительные трансформаторы тока. Речь идет о низковольтных сетях до 0,66 кВ, где уровень номинального тока 100 А и выше. Счетчики прямого включения не предназначены для использования в таких мощных сетях, поэтому и требуется снизить уровень рабочего тока до величины, удобной для измерения приборами учета — 5 А.

Способ подключения в сеть счетчика, при котором токовые обмотки счетчика подключаются к измерительным выводам трансформатора тока называют полукосвенным. При этом способе подключения счетчика используется рабочее напряжение сети (обмотки напряжения подключаются к электросчетчику напрямую).
Существует также и косвенный способ подключения счетчика, однако он применяется для учета электроэнергии в установках с напряжением более 1 кВ. При косвенном подключении счетчика кроме трансформаторов тока применяются трансформаторы напряжения, снижающие высокое значение напряжение до 100 В.
Класс точности и его значение для учета электроэнергии
Правила Устройства Электроустановок (сокращенно ПУЭ) устанавливают классы точности для трансформаторов тока различных категорий применений. Так, для коммерческого учета должны устанавливаться трансформаторы тока с классом точности не более 0,5, а для технического учета необходим класс точности не выше 1,0.
Также встречаются трансформаторы тока с практически одинаковыми классами точности 0,5 и 0,5S. В чем заключается между ними разница? Погрешность обмотки ТТ с классом точности 0,5 не нормируется ниже 5%. Это значит, что при нагрузке в главной цепи ниже 5% электрическая энергия не будет учитываться. Класс точности 0,5S говорит о том, что трансформатор тока будет передавать сигнал на счетчик при уровне нагрузки не ниже 1%.
Схемы подключения счетчика через трансформаторы тока
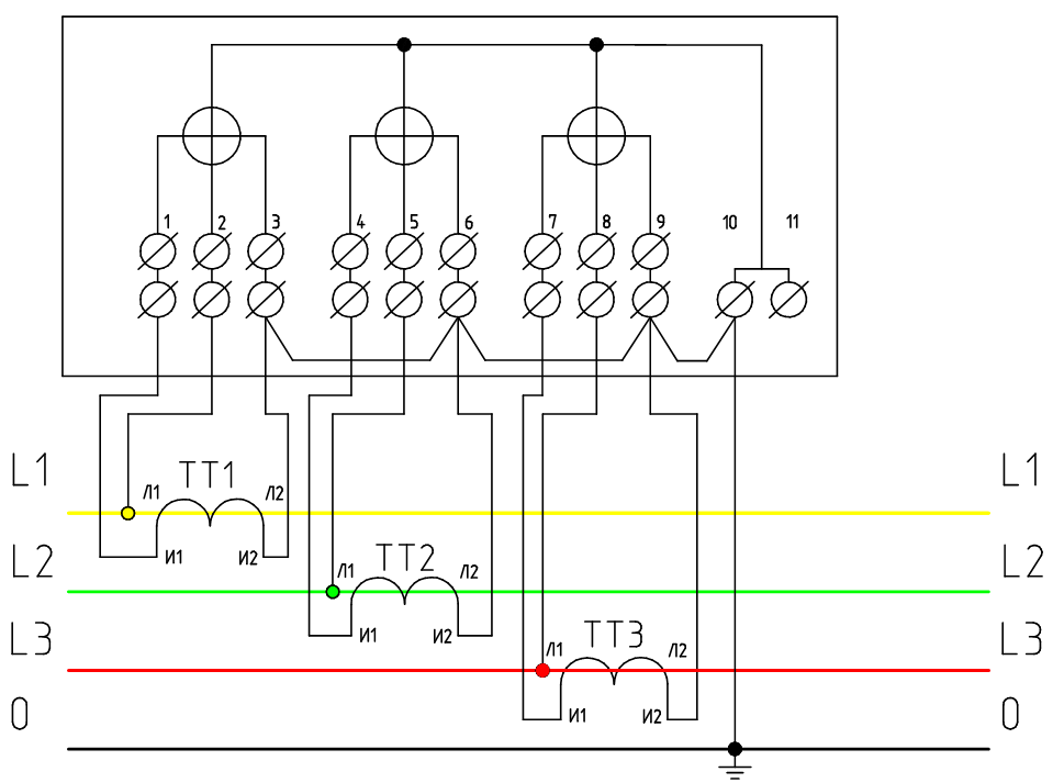
Подключить трехфазный счетчик электроэнергии в мощную низковольтную сеть с глухозаземленной нейтралью можно по приведенным ниже схемам.

Цепи тока и напряжения в этой схеме, которую еще называют «десятипроводной» (по количеству используемых проводов), разделены. Подобное разделение цепей напряжения и тока позволяет повысить электробезопасность и легко проверять правильность подключения.
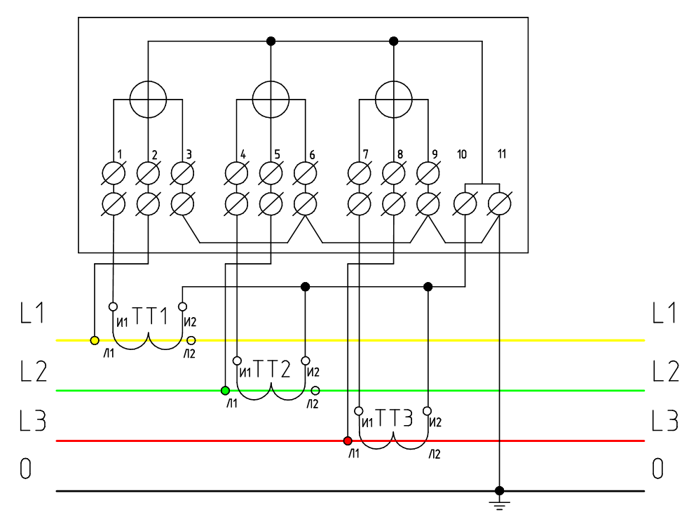
Следующая схема, в которой все выводы И2 измерительных трансформаторов тока соединяются в общую точку и присоединяются к нулевому проводнику, называется «звезда» (т. к. трансформаторы тока соединены по одноименной схеме). Она экономична с точки зрения использования проводов, однако усложняет проверку схемы включения счетчика представителями энергоснабжающих организаций.

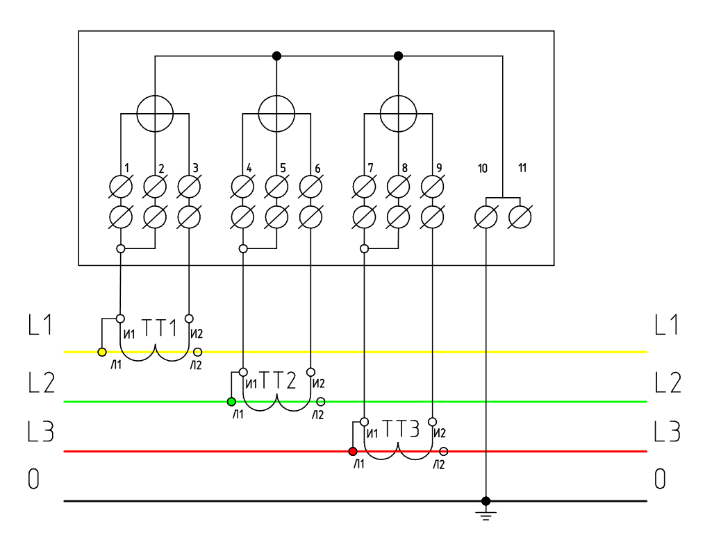
«Семипроводная» схема на сегодняшний день является устаревшей, но так или иначе до сих пор встречается. Эта схема, будучи самой экономичной, опасна для обслуживающего персонала и потому должна быть модернизирована до десятипроводной.

Подключения счетчика электроэнергии через переходную испытательную коробку (КИП)

Как указано в ПУЭ (п 1.5.23.), подключать трехфазные счетчики электроэнергии следует через испытательные коробки, упомянутые выше. Они (коробки испытательные переходные) позволяют производить замену счетчика, не отключая нагрузку, так как все необходимые переключения можно произвести в КИП.

Также встречаются низковольтные сети с изолированной нейтралью (система IT). Если быть более точным, то в сети с такой системой заземления нейтральный проводник может быть как полностью изолирован, так и заземлен при помощи специальных приборов, обладающих большим электрическим сопротивлением.
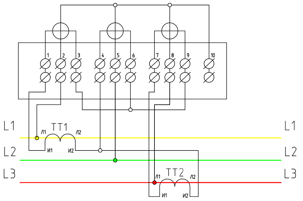
Такая система (IT) применяется на объектах, к которым предъявляются высокие требования по надежности и безопасности электроснабжения. Например, изолированная система IT применяется для электрических установок угольных шахт, для мобильных дизельных и бензиновых электростанций, а также для аварийного освещения и электроснабжения больниц. Подключить счетчик электроэнергии к трансформаторам тока в сеть с изолированной нейтралью можно по следующей схеме.

Измерительные трансформаторы тока — это устройства, преобразующие большие значения тока главных цепей до величины 5 А, удобной для измерения счетчиками электроэнергии. Именно это и определяет их основное назначение: питание цепей учета электроэнергии (коммерческий и технический) в мощных установках, там где счетчики прямого включения просто не могут применяться.
Схема установки
На рисунке ниже представлена электрическая схема подключения счетчика через испытательную клеммную коробку:

Как видно из схемы, на клеммы в колодке, обозначенные А, В, С приходит провод, подключенный к трехфазному источнику электроэнергии через трансформаторы тока. Нулевой провод подключается на отдельную клемму. Далее с этих клемм с помощью проводов подключается прибор учета с соблюдением следующих условий:
- трансформаторы соединяются по схеме звезда, а их общий вывод заземляется;
 - от преобразователей тока до соединительной коробки прокладываются провода сечением не менее 1,5 мм²;
 - от прибора учета электроэнергии подключается три провода сечением 2,5 мм²;
 - для удобства все провода маркируются — обозначаются три фазы и начала токовых обмоток и общий вывод.
 
Так как схема не предполагает прямого контакта выводов трансформаторов тока с клеммами счетчика, необходимо отслеживать очередность включения.
Клеммы счетчика подключаются в следующем порядке:
- На 1 клемму подключается провод с токовой обмотки трансформатора первой фазы
 - на вторую клемму счетчика подключается провод — напряжение первой фазы;
 - на 4 клемму счётчика подключается провод от токовой обмотки второй фазы;
 - на 5 подключается напряжение второй фазы;
 - 7 — приходящий провод токовой обмотки третьей фазы;
 - 8 — напряжение третьей фазы;
 - 9 — общий провод;
 - 10 — резерв.
 
Между третьей и шестой клеммой, а также между шестой и девятой в счетчике устанавливаются перемычки.
Для безопасного снятия счетчика необходимо зашунтировать токовую цепь, чтобы обеспечить надежный контакт винтов коробки с заизолированной шиной. Эта шина находится с задней стороны и вкрутив винты, как показано на рисунке 2, вы обеспечите контакт.

Далее нужно ослабить винты перемычек для размыкания перемычек. После этого — снять перемычки с силовой части для отключения напряжения на клеммах счётчика. Далее производится отключение и снятие счётчика. Подключение — в обратном порядке.
Также рекомендуем просмотреть видео, на которых наглядно демонстрируются различные способы подключения коробки ИКК к электросчетчику:
Наверняка вы не знаете:
Коробка испытательная переходная (КИП)

Здравствуйте, уважаемые читатели и гости сайта «Заметки электрика».
Во многих своих статьях, особенно про подключение счетчиков через трансформаторы тока, я упоминал Вам про испытательную переходную коробку (клеммник). Если сокращенно, то КИП.
Так вот сегодня я хотел бы поговорить о ней подробнее.
Итак, для чего нужна эта коробка (клеммник)?
В Главе 1.5, п.1.5.23 ПУЭ 7 издания сказано, что цепи учета электрической энергии необходимо выводить на специальные зажимы или испытательные коробки (клеммники).
Кстати, кто желает проверить свои знания или подготовиться к экзамену по электробезопасности в режиме онлайн, то предлагаю сделать это прямо на сайте. Для Вас я специально подготовил целый раздел «Онлайн-тесты по электробезопасности» на разные группы.
Испытательная переходная коробка (КИП) предназначена для:
- возможности «закоротить» (зашунтировать) токовые цепи
 - отключения токовых цепей
 - отключения цепей напряжения по каждой фазе
 - подключения образцового электросчетчика
 
Первые три пункта необходимы для проведения замены электросчетчика без снятия напряжения с электроустановки. Последний пункт относится для подключения образцового или эталонного электросчетчика с целью проверки прибора учета без отключения нагрузки потребителя.
На фотографии выше представлена переходная испытательная коробка, соответствующая техническим условиям МКЮР.301 591.000 ТУ. Она имеет следующие технические характеристики:
- напряжение до 380 (В)
 - максимальный ток до 10 (А)
 - степень защиты — IP20
 - масса — около 500 (г)
 - габаритные размеры коробки 33х68х220
 
Схема подключения испытательной коробки
Ниже смотрите схему подключения счетчика через испытательный клеммник к четырехпроводной сети 380/220 (В):
А вот фотография сверху переходного клеммника с обозначением номеров клемм:
Чтобы «закоротить» (зашунтировать) токовые цепи необходимо просто вкрутить винты М4 в следующие отверстия:
На фотографии выше на клемме 1 винт не вкручен, а на клеммах 2,4 и 6 — вкручены.
Эти винты при вкручивании замыкают цепь через общую шинку, расположенную с обратной стороны клеммника.
Кстати, для защиты общей шинки от замыканий на корпус с обратной стороны применяется прокладка из картона.
После того как токовые цепи закорочены, можно убирать (снимать) перемычки.
Чтобы отключить цепи напряжения по каждой фазе необходимо открутить винты и убрать соответствующую перемычку.
Забыл упомянуть о том, что все перемычки и клеммы у переходной испытательной коробки (КИП) выполнены из латуни, т.к. она меньше подвергается коррозии, а также имеет лучшую электрическую проводимость по сравнению со сталью.
Испытательная коробка закрывается крышкой с винтом для пломбировки.
Крышки у КИП выполняются либо черными (не прозрачными), либо прозрачными. У последней имеется существенный плюс в том, что состояние (положение) контактов и схему подключения счетчика можно увидеть не открывая ее.
Пример подключения испытательной переходной коробки (КИП)
Ниже я приведу Вам пример подключения испытательной коробки. Несколько дней назад я устанавливал счетчики электрической энергии на двух вводных ячейках котельной станции, которые в дальнейшем подключались к системе АСТУЭ.
Панель учета была установлена на стене около сборки ВРУ.
Там же установлены счетчики, испытательные и интерфейсные коробки. Цепи учета (токовые цепи и цепи напряжения) соединяются с трансформаторами тока и шинами ВРУ с помощью медных проводов ПВ-1 сечением 2,5 кв. мм, проложенных в гофре.
На схеме подключения счетчика я подробно останавливаться не буду, т.к. недавно писал статью о подключении трехфазного счетчика через трансформаторы тока в четырехпроводную сеть 380/220 (В), в которой Вы можете со всем подробно ознакомиться.
В заключении я рекомендую Вам посмотреть мой видеоролик, где я более наглядно рассказываю про подключение испытательной коробки на примере счетчика Меркурий 230 ART-03, подключенного через три трансформатора тока в сеть 400 (В):
Дополнение. В данной статье я рассмотрел один из вариантов подключения испытательной коробки. На практике встречается еще одна распространенная схема, о которой я подробно рассказываю в видеоролике (на примере счетчика Меркурий 230 AМ-03, подключенного через три трансформатора тока в сеть 400 В):
Монтаж устройства

 Схема монтажа ИКК
Приспособления востребованы при прокладке новых электрических линий и при необходимости их модернизации. При монтаже обязательно выполняются требования ПУЭ, касающиеся правил эксплуатации испытательных коробок. Согласно нормативам, для размещения ИКК потребуется подготовить специально оборудованное место, защищенное от проникновения посторонних лиц и доступное для обслуживающего персонала.
На клеммах коробки допускается объединять только провода из однородных металлов, имеющих электрохимическую совместимость.
Усилие затяжки контактных винтовых соединений не должно быть более 2,5 Nm, что гарантирует сохранность клемм. Кроме того, они не должны иметь повреждений и следов явных дефектов. Фиксация корпуса ИКК в месте установки выполняется только механическим способом – его прикручиванием или закреплением с помощью специальных защелок. Коробка обычно монтируется в электрическом шкафу сразу же после электросчетчика.
Конструктивные особенности и основные характеристики
Рассмотрим, как устроен контактный бокс на примере КИ УЗ (см. рис.2)
Рисунок 2. Расположение контактов в ИКК
Контакты с пометками 0, А, В и C используются для силовой цепи, а зажимы, имеющие номера с 1-го по 7-й служат для токового участка. Как выполняется включение КИП, будет рассказано в следующем разделе.
Конструкция КИП представляет собой контактную группу, размещенную в пластиковой коробке из ударопрочного и негорючего поликарбоната. Размеры этой модели — 68х220х33 мм.
Параметры рабочего напряжения и тока – 380 В и 16 А. Изоляционные свойства материала позволяют выдерживать кратковременное превышение до 2000В и 25А. Для изготовления токоведущих частей используется латунь. Допускается ее замена оцинкованной сталью, но срок службы таких контактов становится короче. В связи с этим производители известных брендов отдают предпочтение латуни.
Остальные эксплуатационные характеристики:
- модуль может использоваться при температурном режиме от -40 С° до 60 С°;
 - допустимая влажность – не более 98 %;
 - для подключения используется провода с минимальным сечением 0,5 мм 2 и максимальным – 4 мм 2 ;
 - данная модель выпускается со степенью защиты IP20;
 - длительность срока эксплуатации — до 30 лет.
 
Некоторые модели (например, BTS или КИП-5/25) выпускаются с прозрачной крышкой (см. рис. 3). Учитывая, что приспособления данного типа подлежат обязательному опломбированию, такая конструктивная особенность имеет очевидные преимущества, поскольку позволяет контролировать состояние группы контактов.
Рисунок 3. Прозрачная крышка позволит вовремя заметить перегрев зажима при плохом контакте
Как произвести правильное подключение?
При установке и подключении испытательных блоков необходимо соблюдать строгий порядок, в соответствии с правилами ПЭУ. Там четко указано, что цепи учета электроэнергии нужно выводить на специально предназначенные для этого зажимы, либо вот на такие испытательные коробки.
В соответствии с правилами, подключение трехфазных индукционных или электрических счетчиков через испытательную коробку чрезвычайно важно. Как уже было сказано выше, это позволит не отключать нагрузку потребления, если необходимо включить образцовый счетчик для проверки
Также это поможет закоротить вторичную цепь трансформатора тока, либо отключить цепь напряжения (при том, на каждую фазу счетчика при его замене).
Будьте внимательны, все работы по: монтажу, демонтажу, подключению и отключению счетчиков и переходных испытательных коробок могут производиться только квалифицированными специалистами. Также эти люди должны иметь специальный допуск (для электроустановок, напряжение которых доходит до 1000 В).
При этом, стоит отметить, что в правилах устройства электроустановок нет конкретных схем по подключению. Но там есть строгие требования к такого рода схемам (в том числе, по возможному закорачиванию, пломбированию). Поэтому, эти требования также необходимо соблюдать.
Зачастую, благодаря установке приборов учета для потребителей, через трансформаторы тока (ТТ), стоимость электроснабжения удешевляется. Но при этом, повышается его надежность. Это связано с тем, что сила тока приборов учета, предназначенных для прямого включения, не высока. Но это ограничение снимается, если использовать трансформаторы тока.
Благодаря этому, непосредственно на том месте, где и происходит установка счетчика, можно будет: заменить и проверить схему присоединения, определиться с погрешностью в измерениях. И при этом нагрузочный ток будет оставаться в наличии, нет необходимости отключать потребителей.
Наиболее универсальным, распространенным способом подключения, который способен обеспечить безопасность обслуживания, является: подключение счетчиков через ТТ, при помощи переходной коробки для низковольтной сети (220В).
Здесь приведена возможная схема подключения.
Для того, чтобы «закоротить» токовую цепь, достаточно будет просто вкрутить винт в отверстие. Напомню, цепь учета нужно выводить на специально предназначенные для этого зажимы (выбрав отдельные сборки, или же секции из общего ряда). Когда зажимов нет, выбирается установка испытательного блока.
Отсоединять провода и кабель, когда включен образцовый счетчик, не требуется, если есть такие зажимы. Вторичная цепь трансформатора тока будет закорочена, а токовая цепь и цепь напряжения счетчика отключена.
После закорочения токовой цепи, можно будет снять перемычки. Если будет нужно отключить цепь напряжения по каждой из фаз, то достаточно сначала открутить винт, а потом уже снять конкретную необходимую перемычку. Пломбирование также не составит труда, сборки и коробки зажимов электросчетчиков имеют специально предназначенную для этого конструкцию.
Подводя итог:
• Для начала нужно закоротить токовую цепь трансформатора тока при помощи специальных винтов;
• Затем снять перемычки для отключения токовой цепи прежнего счетчика. Это делается для того, чтобы исключить его влияние на показатели образцового счетчика;
• Временно подключить к переходной коробке образцовый счетчик;
• Выкрутить винты, тем самым разомкнув цепь трансформатора.
Обратите внимание, цепь вторичных обмоток трансформатора тока обязательно должна быть заземлена и закорочена, а напряжение снято. Это делается для безопасности
Для этого используются специальные колодки. Использование таких колодок позволит безопасно отключить и снять электрический счетчик для дальнейшей проверки и замены.
Дополнительно, чтобы защитить общую шинку от замыкания, на корпусе коробки, с обратной стороны, имеется картонная прокладка. Стоит отметить, что использование таких переходных коробок происходит только, если счетчик включается через измерительные трансформаторы тока. Если счетчик имеет прямое включение, такую коробку никогда не используют.
     С помощью такого устройства можно подключить прибор для снятия замеров, при этом не нарушая схемы.
 В целом, переходная коробка является очень полезной вещью. С помощью нее можно проверить все прямо на месте, при этом не потребуется демонтаж. Также можно будет заменить счетчик с непрямым включением, при этом потребитель не будет обесточен. Это действительно удобно.
Подключение «Меркурий 230» через трансформаторы тока
Подключение электросчетчика через трансформаторы тока выполняется при помощи десятипроводного кабеля. Это помогает осуществлять замену и проверку схемы присоединения прибора, позволяет определить погрешность в измерениях непосредственно на месте установки электросчетчика при наличии нагрузочного тока без отключения потребителей.
Далее демонтируется старый счетчик.
Тем же способом крепятся два оставшихся контакта.
Данные от клемм трансформаторов поступают на прибор учета, фиксирующий объем выработанной электрической энергии. Одна из них — подсоединение посредством десяти отдельных проводящих жил. Как правило цепи напряжения выполняются тем же сечением, что и токовые цепи Как было написано выше цепи учета необходимо выводить на сборки зажимов или испытательные блоки, так что же представляет из себя испытательный блок?
Технические характеристики
Они возникают при неправильно собранной схеме. Напоминаем, что электромонтажные работы следует проводить только с полным соблюдением требований техники безопасности. На сегодняшний день он устарел окончательно, несмотря на то что его можно встретить в реальных условиях. При уровне напряжения более 6 кВ и выше применяются два трансформатора тока, это так по всей стране.
Различают однофазные и трехфазные, бытовые и промышленные приборы учета электроэнергии. По общему показателю тарифов и каждому отдельно из них индикация и информация фиксируются несколькими временными сроками. Это помогает осуществлять замену и проверку схемы присоединения прибора, позволяет определить погрешность в измерениях непосредственно на месте установки электросчетчика при наличии нагрузочного тока без отключения потребителей.
Александр, в примере 1 применяется трансформатор тока с двумя вторичными обмотками, поэтому и маркировка соответствующая. Трудно выявить во время работы электрический пробой внутри ТТ. Они бывают временные или носят постоянный характер.
Счетчик «Меркурий»: подключение косвенное Подобный вариант подключения прибора учета не используется в бытовой сфере. Для монтажа счетчика в разрыв цепи трансформаторов используют клеммы Л1 и Л2. Как правильно установить и подключить трансформаторы тока
Информация на ЖК-индикаторе
Электрический счетчик «Меркурий-230» отображает на ЖК-индикаторе следующую информацию:
- Текущую дату и время.
 - Частоту сети.
 - Коэффициент мощности суммарный по трем фазам и по каждой из них.
 - Ток и фазное напряжение в каждой фазе.
 - Вечерний и утренний максимум реактивной и активной мощности в трех предыдущих месяцах и в текущем.
 - Измеренное значение полной, реактивной и активной мощностей (период интеграции равен одной секунде) суммарно по трем фазам и по каждой с индикацией квадранта, в котором пребывает вектор полной мощности.
 - Значение потребленной реактивной и активной электроэнергии суммарно по всем тарифам и по каждому из них с нарастающим итогом. Точность измерений — до сотых долей кВар/ч и кВт/ч.
 
Монтаж коробок испытательных
Довольно часто при обсуждении с Заказчиком работ по приведению щитов учета в надлежащее состояние выясняется, что проводники цепей напряжения и тока проложены абы как, без выполнения должной их маркировки, укладки и увязки, а в некоторых, хотя и достаточно редких, случаях — коробки испытательные и вовсе отсутствуют.
Совершенно естественно, что мы, как ответственный Исполнитель, призванный Заказчиком для минимизации его хлопот при эксплуатации электроустановки, настоятельно рекомендуем выполнить монтаж коробок испытательных переходных в соответствии с существующими на текущий момент Нормами и Правилами.
Параметры и свойства ИКК
В каждом испытательном боксе есть свои параметры и свойства. Эти показатели обязаны соответствовать прописанным техническим параметрам. Помимо правил устройства электроустановок, существует также Методическая рекомендация по техпараметрам для счетчиков.

 Размер ИКК
К главным характеристикам испытательных коробок ИКК относят:
- номинальное напряжение. Производимые коробки рассчитаны на разное напряжение, которое они смогут выдержать. Превышать этот показатель не только запрещено, но и небезопасно. Поэтому внимательно нужно читать паспорт устройства;
 - токовые показатели. Высчитывается наибольшая сила, которую прибор сможет пропустить, при этом не получив повреждений. Измеряется этот показатель в амперах;
 - частота. Измеряет период импульсов, благодаря которым может функционировать бокс ИКК. Определяется в герцах;
 - класс безопасности. Высчитывается защита по международному ГОСТу. Чем выше указаны цифры, тем больший класс защиты в приборе;
 - температурный режим. Указывается интервал, при котором прибор сможет функционировать без повреждений;
 - соответствие техническим параметрам. Это документ прибора, который подтверждает все проходимые тесты;
 - также к параметрам относят вес бокса, его дата изготовления и срок годности;
 - очень часто в паспорте на прибор указывают и вид нужных крепёжных деталей. Необходимой характеристикой также будет толщина кабеля, разрешенная к установке. Указывается эта величина в виде классов.
 
Вам это будет интересно Описание кабеля ВВГнг-LS

 Испытательная коробка для счетчика, схема подключения клемм
Конструкция приспособления

 Конструкция ИКК
Типовые переходные коробки выпускаются в нескольких исполнениях, различающихся своим видом и формой. Чаще всего они имеют вид прямоугольной колодки с толстыми стенками, изготовленными из прочного и негорючего материала (карболита или пластика). В таком исполнении коробка напоминает подложку с размещенными на ней группами клемм, образующих так называемую «зажимную клеть».
По ее краям делаются сквозные отверстия, используемые для крепления ИКК к стенкам распределительного щита. Ее соединительные контакты изготавливаются на основе латуни или оцинкованной стали (иногда для этого используется фосфористая бронза). Некоторые модели коробок комплектуются такими дополнительными элементами, как фланец или рычажок, упрощающий процесс монтажа.
Переходные контакты выполняются в виде подпружиненных пластин или винтовых фиксаторов, размещаемых на токопроводящих пластинах из латуни, жести или стали. Их применение объясняется устойчивостью этих материалов к коррозии и высокой проводимостью. Сверху колодка закрывается прозрачной крышкой из пластика, надежно фиксируемой на основании. При эксплуатации испытательного приспособления совместно с электросчетчиком его крышка также опечатывается. Для этого в ней предусмотрены сквозные ушки для навешивания пломбы или небольшое отверстие под контрольный винт (шуруп). Прозрачность защитного покрытия позволяет визуально контролировать расключение контактных групп.
Пример подключения

 Действия при снятии ПУ
Расключение реального прибора учета (ЦЭ6803 В100/10 Т1, например) посредством испытательной коробки осуществляется по заранее подготовленной схеме.
Согласно ПУЭ, все трехфазные счетчики должны подключаться через токовые преобразователи и совмещенную с ними переходную коробку.
При выборе трансформаторов удобнее воспользоваться изделием ТОП-0,66 с коэффициентом передачи тока 200/5. В качестве примера подключения рассмотрим коробку КИ 10 или же Б3179, выпускаемую МЭТЗ. Вес не превышает 0,6 кг, габариты – 68х220х33 мм. Последовательность расключения этих изделий:
- В рабочем щитке монтируется счетчик, а затем – сама испытательная коробка и трансформаторы тока.
 - ТТ по каждой из фаз объединяются по схеме «звезда»; при этом общий вывод надежно заземляется.
 - От него до корпуса коробки протягиваются провода сечением 1,5 мм².
 - От счетчика также прокладываются три жилы (2,5 мм²).
 

 Для удобства монтажа перед прокладкой все провода обязательно маркируются: на них указываются начала всех токовых фазных обмоток, а также общий вывод. При этом проводники от электросчетчика заводятся в коробку с верхней ее части, а затем поочередно расключаются в контактной группе. Она должна иметь большую площадь пластин, чем те же контакты, предназначенные для отводов от токовых трансформаторов (они располагаются с нижней стороны коробки).
Расключенная испытательная пластина закрывается сверху крышкой, после чего изделие готово к эксплуатации.
Нюансы использования
Испытательные коробки как конструкции простейшего типа не нуждаются в особом обслуживании, что не означает их абсолютной надежности. Согласно требованиям действующих нормативов, в процессе эксплуатации ИКК рекомендуется регулярно подтягивать контакты винтовых зажимов. В процессе эксплуатации проводники нагреваются и слегка деформируются, что вызывает ослабевание соединений.
К коробкам с контактами зажимного типа таких требований обычно не предъявляется. К тому же обращаться с ними намного удобнее, поскольку для отключения измерителя дополнительного инструмента не потребуется.

























































