Печи с теплообменниками, пользующиеся популярностью
Чугунные печи пользуются заслуженной популярностью у любителей русской бани, но как они совмещаются с теплообменниками? Как выясняется – прекрасно совмещаются.
Чугунная печь
Для начала советуем посетить сайт петрозаводского производителя печей «Карелия». Среди продукции, предлагаемой вниманию посетителей есть комплектующие, среди которых найдется и теплообменник дисковой формы, крепящийся, судя по всему к одной из стенок печи. Таким образом, можно разом приобрести и печь, и обменник. Как вариант там же продаются навесные баки на дымоход.

Чугунная печь с теплообменником для бани. Источник фото
Печь «Везувий»
Печь «Везувий» с теплообменником для бани
Производитель печей «Везувий» также предоставляет возможность одновременной покупки печи (а в его каталоге вы найдете как стальные, так и чугунные печки) и теплообменника. Покупателю предоставляется выбор из трех моделей – два «самовара» на дымоход, отличающиеся емкостью и один прямоугольный теплообменник, который забирает тепло от стенки печи.

фото теплообменников на сайте «Везувия»
Печи для бани «Термофор»
На сайте «Термофора» есть сообщение, что производитель учел предпочтения клиентов и выпускает наиболее популярные модели – «Тунгуска 16» и «Тунгуска 24» – с уже установленными теплообменниками, предполагающими внешнее расположение накопительного бака. Материал обменников – качественная пищевая нержавейка толщиной 2 мм. В зависимости от выбора покупателя размещение можно варьировать, устанавливая его либо на правой, либо на левой стенке печки.
Полезное видео
Печи для бани «Термофор» с теплообменником устроены, может, и неплохо, но имеются отрицательные отзывы. Посмотрите ролик и увидите наглядно, как это выглядит:
На трубу
Такой бак имеет цилиндрическую форму и располагается вокруг трубы. Его преимущество — возможность использования, как банной печи, так и газового котла, причем конструкцию самого бака можно, практически, не менять.
Бак для воды на трубу для бани не занимает в ней места и подходит для компактных строений.
Располагают его на трубе высоко, поэтому насос для горячей воды в баню использовать не нужно. Вся вода поступает самотеком.
Основной недостаток, который имеет бак на трубу для бани — низкий КПД.
Много горячих газов печи выходят, так и не отдав свое тепло короткому участку дымохода, где расположен бак.
Именно поэтому редко можно видеть баки большой емкости. Обычно их ограничивают до 80 л.
Этого вполне хватает, даже если это средняя по размерам баня.
Бак для горячей воды на трубу требует прочной конструкции дымохода и печи.
Внизу дымоход крепится на кирпичную кладку.
Вверху креплению нужно уделить особое внимание, так как там обычно используется непрочное «мягкое» соединение с потолком через теплоизолятор. Для жесткого соединения теплоизоляторов нужно больше
Жесткие конструкционные материалы очень хорошо проводят тепло, что обязательно нужно учитывать
Для жесткого соединения теплоизоляторов нужно больше. Жесткие конструкционные материалы очень хорошо проводят тепло, что обязательно нужно учитывать.
Хороших результатов можно достичь, используя готовые комплекты с кронштейнами для дымоходов.
Информация. Система нагрева воды в бане с баком на трубу требует только металлического дымохода. Он обеспечивает отличную теплопередачу. Для самой печи металл необязателен.
По материалу исполнения бак на трубу для бани может иметь только два варианта. Это обычная сталь с антикоррозийной защитой (эмалированная) и нержавеющая. Вторая — предпочтительнее, хотя и значительно дороже.

Водонагреватель на трубе для бани обычно покрывают эмалью в заводских условиях. Оцинковка с покраской не имеют такой термостойкости. Для металлических листов, постоянно находящихся под действием воды и нагрева именно эмаль является лучшей защитой.
Постепенное разрушение эмали связано с тем, что коэффициент теплового расширения стали и стеклянной эмали неодинаков. Из-за этого она постепенно растрескивается, причем, даже если к баку не прилагать механических воздействий.
Важно! Топить печь с установленным баком, когда в нём нет воды, нельзя. В противном случае происходит перегрев стенок пустого бака, и эмаль необратимо портится
Воды необязательно заливать доверху.
Бак на трубу для бани из нержавейки не имеет недостатков недолговечности эмали. Это очень надежное решение. Нержавейка, даже если использована техническая, а не пищевая, все равно имеет высокую гигиеничность и безопасность для человека. Не требуется обработка бака для горячей воды в бане.
Единственный недостаток нержавейки — её высокая стоимость. Для баков она дополнительно увеличивается сложностью их сварки из листов, но, при покупке, нужно помнить, что постепенно она окупается за счет долгого срока службы.
Нержавеющие баки практически вечные и выходят из строя только по причине механических воздействий или из-за некачественной сварки. Приобретать их нужно только у надежных производителей.
Бак для воды самоварного типа для бани берется готовым.
Самостоятельное его изготовление возможно только при наличии хороших сварочных аппаратов и опыта сварки.
Внутренняя труба в самодельных и заводских баках должна быть толстостенной, так как она подвергается действию высокой температуры и пламени.
Кроме того, внутренний просвет трубы дымохода бака не защищается антикоррозийными покрытиями.
Водонагреватель на трубу называют еще баком самоварного типа для бани. Соединение с дымоходом должно быть герметичным. Преимущественно используется фланцевое соединение.
Самостоятельное изготовление теплообменников
Подходить к изготовлению теплообменника для банной печи своими руками следует ответственно. Выбирать его размеры и материал необходимо из расчета, какую функцию он будет выполнять в дальнейшем и где он будет установлен.

Внешний
Чтобы сделать змеевик на дымоход, используют медную трубку диаметром 10 мм. Длина ее будет зависеть от размеров трубы дымохода, но обычно хватает 2 м. На концы трубки надевают развальцованные переходники, через которые змеевик будет подсоединяться к трубам.

Можно своими руками сделать теплообменник самоварного типа длиной около 30 см (или немного меньше). Для этого потребуются:
- две стальные трубы. Одна диаметром чуть больше дымохода, а вторая диаметром приблизительно на 10 см больше первой;
- листовая сталь, из которой вырезаются крышки с отверстиями, равными диаметру меньшей трубы.
Необходимо сварить из всего этого цилиндрическую конструкцию. Крышки следует приваривать тщательно, чтобы не было зазоров. Получится емкость теплообменника. Внизу и вверху на боковой поверхности цилиндра надо проделать отверстия и приварить патрубки для подсоединения труб, по которым будет поступать и отводиться вода.
Перед установкой теплообменник надо обязательно проверить на герметичность.
Внутренний
Самостоятельно делают встроенные теплообменники для банных печей из стали. Используют для этого либо трубки, либо плоские стальные емкости (сталь марки 430 или 304). Хотя КПД плоского устройства меньше, но изготовить его проще, и прослужит он дольше.

Встраиваемые (или встроенные) теплообменники устанавливают во время кладки. Поэтому об их наличии надо позаботиться заранее, еще на этапе планировки. Патрубки выводить можно с разных сторон. Если нет опыта в сварочных работах, то лучше приобрести печь с уже встроенным в нее теплообменником или пригласить мастера, который все выполнит профессионально. Продаются также теплообменники отдельно, причем по вполне доступной цене.
Изготовление баков
Разновидностей баков для воды существует огромное множество. Это могут быть самые дешевые варианты из пластиковых емкостей или более дорогие из железа. Конечно, если делать качественный долговечный бак, то следует выбрать металл.

Рассмотрим вариант прямоугольного бака для установки в печь. Для этого необходим лист железа 0,5 мм или толще. Потребуются также патрубки, которые в дальнейшем будут привариваться к баку.
Далее размечаются контуры накопителя и вырезаются болгаркой. Срезы нужно делать как можно ровнее, соединить нарезанные листы следует сваркой. Патрубки привариваются сбоку, расстояние между ними должно быть максимальным. Это делается для того, чтобы холодная и горячая вода не смешивались сразу же. Так можно достичь существенной разницы температур. Устанавливать бак можно непосредственно в печь или располагать снаружи.
Выносные большой емкости
Бак для воды в баню выносной, если используется большая емкость, устанавливается на полу. Для бань с несколькими моечными и душевыми обязательно требуется установка насоса.
Он создает требуемый напор, что даёт возможность использовать любую современную сантехнику, душ с распылителем, гидромассажные кабинки и многое другое.
При установке насоса нужно предусмотреть, чтобы он не вызывал сильного шума.
Его уменьшает использование пластиковой трубопроводной арматуры и самих труб.
Также установка насоса должна проводиться вне помещения бани.
Сейчас трубы недорогие, и можно сделать колено для насоса в любом удобном месте, например, в сантехническом люке, рядом со счетчиком воды или в подсобном помещении бани.
Компоновка по типу «бак для воды с теплообменником» для бани подходит для нагрева самых больших объемов воды. Емкость бака может превышать сотни литров. В других системах нагрева такие варианты сложно реализуемы.
Информация. Все трубы, соединительная арматура и насос должны быть термостойкими (если используется пластик). Из металлических оптимально подходят обычные стальные трубы на ½ или ¼ дюйма.
Механизм функционирования
Металлическая печка, размещенная в доме, гараже или бане, в обязательном порядке оснащается дымоходом для вывода угарных газов и организации тяги. Эта труба в процессе протапливания печи может достигать очень высоких температур, порядка 200-500 ℃, что небезопасно для находящихся в помещении людей.
Если установить теплообменник на дымовую трубу, то можно существенно увеличить КПД печи, а также обезопасить себя от прямого контакта с горячей поверхностью. В установленном на дымоходе баке или змеевике теплоносителем будет выступать вода, однако, можно монтировать и воздушный теплообменник на трубу дымохода. Благодаря прямому контакту дымовой трубы с теплоносителем, их температурные показатели уравновешиваются, то есть вода или воздух постепенно нагреваются, а стенки трубы остывают.

По мере повышения температуры воды внутри регистра на трубу, она поднимается вверх, где попадает через специальный штуцер в водяной бак. Посредством входного штуцера, расположенного в нижней части теплообменника, в него попадает холодная вода, замещая теплую. Такая циркуляция продолжается постоянно, при этом вода может нагреться до очень высоких значений.
Теплообменник что это
Теплообменник — это полая емкость, заполненная водой, вмонтированная в конструкцию печи. Теплообменник соединяется с системой труб и/или баков, по которым циркулирует вода, разогретая во время топки печи.
В зависимости от конструкции, движение воды по системе осуществляется естественным способом или принудительным (с помощью насоса). Принцип работы теплообменника банной печи в том, что разогретая вода поступает в отопительные батареи и бак для душа, а холодная перетекает в теплообменник и нагревается. Процесс происходит в течение всего времени топки.

Существует несколько конструкций теплообменников:
- Внутренний теплообменник — емкость с водой для нагрева помещается в топку печи. Конструкция емкости может быть любой — в виде бака, образующего одну стену топки или змеевика из труб, опоясывающего топочное отделение.
- Внешний теплообменник — модуль помещают снаружи печи, обычно он опоясывает печную трубу, нагреваясь от температуры горячих газов, выводимых через трубу в процессе горения топлива в печке.
Вода, циркулирующая в системе, может использоваться как для отопления помещения, так и для нагрева воды для мытья. Конструктивно печь для бани с теплообменником для воды не отличается от обычной печки с местным водяным отоплением.

Для монтажа системы с двумя функциями (обогрева помещения и получения горячей воды) придется предусмотреть бак для воды и правильно рассчитать протяженность и диаметр труб для оптимальной работы системы.
Наибольший КПД имеет система, в которой соблюдены условия:
- Протяженность труб не более 3 м;
- Диметр труб больше 1 дюйма — при маленьком просвете жидкость не сможет нормально циркулировать без помощи насоса;
- Открытая система нагрева воды — в расширительный бак организован доступ воздуха.
Такая конструкция не потребует дополнительных затрат энергии (в том числе электрической – для насоса) и обеспечит обогрев помещения и горячую воду.

Установка теплообменника на банную печь
Так как все перечисленные модели серьёзно отличаются между собой по способности противостоять перегреву, место для установки конкретной модели выбирается исходя из особенности устройства топки и материала, из которого изготовлен теплообменник.
Каркасные или регистровые системы, как правило, используются в кирпичных банных печах. Аппарат заделывается в верхнюю часть топки или в свод печи еще на этапе её постройки. При этом патрубки для подключения к баку выводят с тыльной или с боковых сторон печного корпуса.

Таким же способом устанавливаются плоские змеевики из меди и нержавейки. Они могут быть заделаны как в свод, так и в одну из вертикальных стенок топочной камеры в банной печи.
Витые медные змеевики традиционно устанавливают на верхний дымоход. Иногда змеевик располагают непосредственно под насадным центральным баком для горячей воды. В баке греется вода для обрызга каменки, а в медном теплообменнике нагревается вода для душа или моечного отделения.
Тарельчатые и коробчатые теплообменники устанавливается на одной из боковых стен в банной печи. Обычно их используют для стальных или чугунных печек. Для установки достаточно вырезать в стенке два отверстия. После чего на выходные патрубки одеваются распорные втулки, и теплообменник устанавливается внутри топки с помощью накидных гаек. Подобный тип теплообменника называют ещё сухим, так как вода при любых обстоятельствах не попадает внутрь топочной камеры.

Теплообменник должен получать большую часть тепла внутри печи не за счет конвекции и обтекания раскаленными газами, а в виде инфракрасного излучения от стен и свода банной печи. Чтобы избежать перегрева, трубы теплообменного контура приходится экранировать листами из нержавеющей стали. В результате и ресурс повышается, и вода в теплообменнике нагревается более равномерно, без кипения и паровых фонтанов.
Схема подключения теплообменника для бани
Практически все модели теплообменных устройств работают по принципу самотека или естественной конвекции воды в полузамкнутой системе труб. Поэтому при разработке схемы установки аппарата отбора тепла необходимо придерживаться двух правил:
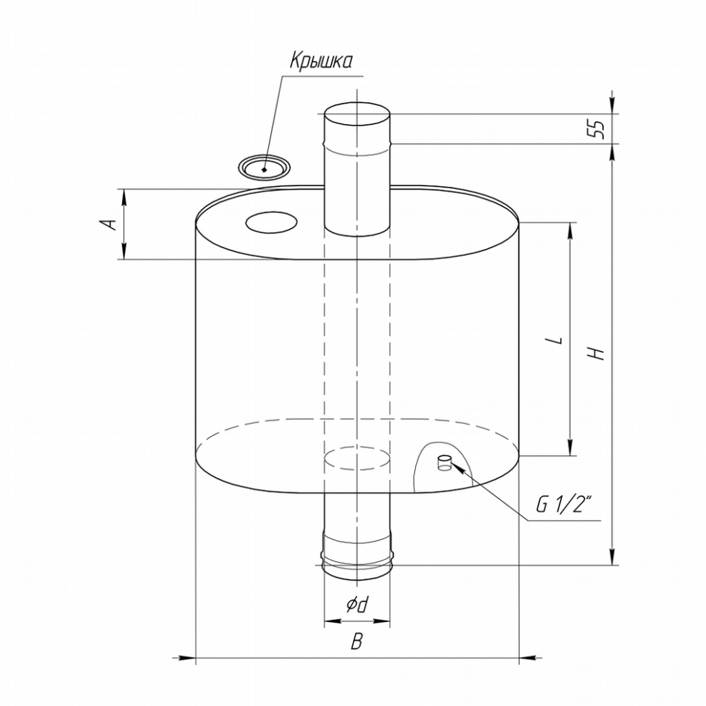
- Входной и выходной патрубки теплообменника должны располагаться на разных уровнях, расстояние по вертикали между нижней и верхней точками подвода воды должно быть не менее 20-25 см. Нижний патрубок используется для подвода холодной воды, верхний — для отвода кипятка;
- Подключение к патрубкам греющего контура банной печи необходимо выполнять только с помощью гибких соединений, а соединительные муфты обязательно уплотнять теплостойким силиконом.

Речь идет не о гибких резиновых шлангах в металлической оплетке, они для этих целей не подходят, даже если на этикетке присутствует маркировка «для горячей воды» или что-то подобное.

Опытные пользователи рекомендуют выполнять подключение бака к теплообменнику в бане с помощью гибких газовых шлангов из нержавейки.
Как подключить теплообменник к банному баку
Классической схемой установки считается выносной бак для бани с теплообменником. Это означает, что емкость с горячей водой для душа и уборки помещения располагается либо на ближайшей стене, либо за пределами парилки, поближе к душевой кабинке.

Важно обеспечить определенный перепад высоты между выходом из теплообменника банной печи и донной частью емкости с водой. Обычно эта величина выбирается в пределах 50-70 см
Для коробчатых и регистровых схем, плоских змеевиков бак находится на уровне 120 см над уровнем пола. Это удобно, можно зачерпнуть горячей воды через верхний люк.
Другое дело, если змеевик теплообменника для бани установлен на трубу дымохода. В этом случае бак придется поднимать на высоту 180-200 см, поэтому в днище или на выходе из контура устанавливать бронзовый кран для горячей воды.

Трубопроводы, ведущие от теплообменного контура печи к баку, обычно располагают под уклоном. Холодная магистраль от нижнего патрубка подводится к питающему баку под прямым углом, это обеспечивает максимальную величину гидростатического напора в контуре. Отходящая магистраль устанавливается под углом 25-30 о . Делается это для отделения пузырей воздуха и пара, образовавшихся в потоке воды при нагреве.
На холодной магистрали обязательно делают колено и ставят сливной шаровый кран, с помощью которого можно легко слить воду из банного теплообменника.
Выносной с теплообменником
Нагрев воды в бане с помощью теплообменника отличается высокой эффективностью. Именно этот способ используется в котельных любого масштаба. Теплообменник расположен в пламени печи. По нему циркулирует вода, такой нагрев воды — самый эффективный их всех возможных. Единственное, что ограничивает использование этой системы для бань, это ее сложность и вытекающая отсюда дороговизна.

Преимущества
Выносной бак для горячей воды в баню ставится в любом удобном месте. Тепло к нему передается по циркуляционным трубам, если используется печь или котел. Выносные баки оптимально подходят и для электрических нагревателей.
В сравнении с баком прямо на печи, тепло к выносному баку передается более сложным путем. Длина труб может составлять несколько метров. Конечно, это вызывает дополнительные теплопотери, но и обеспечивает многие преимущества:
- Если бак выносной, то для нагрева воды обязательно используется высокоэффективный теплообменник;
- Место для монтажа может быть любым, можно установить емкости большого объема;
- Монтаж удобно проводить на высоте, например, на чердаке бани для потолочного душа.
1 Описание отопителей
Если в прошлом наибольшей популярностью пользовались классические каменки, которые позволяли лишь нагревать парилку, то сегодня востребованы на рынке универсальные печки с теплообменниками. Такие установки позволяют одновременно отапливать парилку и решать проблему с нагревом воды. Благодаря их использованию повышается комфорт приёма банных процедур, и сокращаются расходы на покупку соответствующего теплового оборудования.
Печки с теплообменником для воды станут удобным решением при раздельном расположении парилки и моечной в бане. Универсальные в использовании отопители отличаются простотой в эксплуатации, они чрезвычайно удобны, быстро нагревают помещение, полностью решая проблему с теплой водой. Имеющийся сегодня выбор печек с теплообменниками позволяет приобрести или изготовить их самостоятельно как для небольшой парилки, так и для вместительной общественной бани. Преимущества печек с тепловым контуром:
- продолжительный срок службы;
- компактность отопителей;
- эффективность и высокая скорость нагрева помещения;
- возможность изготовления своими руками.

Навесные баки для банных печей
Удобство печей, предусмотренных для использования навесных баков, состоит в том, что водонагревательные емкости могут легко устанавливаться и также легко сниматься. Как правило, их подвеска обеспечивается с помощью петель и крюков. Как и все другие водяные баки, они производятся из нержавейки. В их составе имеются люки для наполнения водой и краны, обеспечивающие использование уже нагретой воды.
В линейке печей «Вравра» имеется несколько изделий, предусмотренных для установки навесных баков.
Существенный недостаток подобных конструкций состоит в том, что парящиеся могут обжечься об их горячие стенки, и обустройство душа при использовании таких баков невозможно. Кроме того, нагреваемая вода может в них закипеть, вызывая обильное образование пара в еще не до конца нагретом помещении парной. Правда, последнюю проблему можно решить следующими двумя способами:
- навешивая бак несколько позже;
- периодически сливая горячую воду и пополняя бак холодной водой.
Удобство навесных баков заключается в том, что они идеально подходят для дооборудования уже действующих печей. Они удобны в небольших помещениях и в сочетании с печами небольших размеров. Их, как и наставные баки, легко промыть и очистить от образовавшейся накипи.
Отличная система разработана специалистами фирмы «Ермак». Их бак может использоваться как в качестве навесного, так и выносного, но при условии приобретения водонагревающего регистра и установки водоподающего контура.

Что это такое
Устройство служит для нагрева воды в бане. Его принцип работы основан на физических свойствах горячей воды, расширяющейся и поднимающейся вверх, а холодная при этом остается внизу.
Обычно теплообменник небольшого размера, поэтому жидкость в нем быстро нагревается. К нему присоединяются две трубы – снизу и сверху. Таким образом, горячая по верхнему патрубку, замещаемая снизу холодной, поднимается в бак, который может находиться как в парилке, так и в смежном помещении, как правило – в мойке. При этом вода низкой температуры по нижней трубе постоянно без принудительной подачи добавляется в устройство для нагрева.
Варианты нагрева воды в бане от печи
Выделяют следующие модели:
1. Емкость самоварного типа – устанавливается на выходной патрубок дымохода. Нагрев происходит за счет тепла уходящих в трубу дымовых газов. К штуцеру на дне бака подсоединяется кран для разбора горячей воды. Если у вас нет помывочной, то данный вариант будет отличным решением для нагрева
Мы рекомендуем обратить внимание на следующие условия эксплуатации:
- использование бака самоварного типа допускается только с печами для бань;
- запрещается эксплуатировать пустой бак во время работы печи;
- если вы хотите получить «финскую сауну» данный вариант нагрева воды вам не подойдет, так как в случае долгого разогрева парной жидкость начнет кипеть, из-за чего образуется тяжелый пар.


2. Теплообменник самоварного типа (небольшого размера с возможностью подключения к баку), который можно расположить в любом месте. Удобен тем, что при его наличии, бак можно разместить в помывочной. Из очевидных преимуществ перед остальными вариантами – быстро нагревает воду.


3. Теплообменник, который устанавливается на стартовый дымоход.
4. Стартовый дымоотвод + бак-рюкзак – вариант с нахождением в парной и отсутствием регулируемой конвекции для прогрева помещения.
Емкость соприкасается со стенкой трубы дымохода, за счет чего происходит нагрев жидкости. Из недостатков также можно отметить, что данная модель не имеет защиты от жесткого инфракрасного излучения, и в случае сильного нагревания, вода начинает кипеть.
5. Дымоход-конвектор со встроенным в него нагревателем.
Особенности: регистр находится внутри трубы, из которой выходят 2 одинаковых штуцера ¾ дюйма с внутренней резьбой. С помощью патрубков устройство соединяется с баком, висящим в удобном месте.
Может быть:
- Вмонтирован в печь – при появлении накипи теряет КПД.
- Расположен возле дымохода (на нем) – медленнее обеспечивает нагрев до необходимой температуры, зато на его внутренней поверхности ничего не оседает, к нему имеется легкий доступ, и его ремонт не составляет труда.
Выбор зависит от пользователя: чему отдать предпочтение, производительности или комфорту в обслуживании, экономии полезной площади или топлива.
Какой материал лучше?
При устройстве теплообменника применяют металлические детали – оцинкованные листы, баллоны из-под газа, трубы различного диаметра, чугунные заготовки и т.д. Чугун использовать не рекомендуется, потому что он, по сравнению со сталью, хрупкий и тяжелый, что затрудняет его монтаж на дымоход.
Оптимальный вариант – аустенитная сталь. Нержавейка легко переносит термические перепады, устойчива к механическим повреждениям, поддается самостоятельной обработке и сварке.
Оцинкованная сталь уступает легированной или аустенитной, так как она не предназначена для нагревания. Высокотемпературный режим приводит к выделению окислов цинка, вредных для здоровья, поэтому если планируется повышение температуры в дымоходе до + 419,5 ºС, следует отказаться от оцинковки. Лучше приобрести дорогой, но безопасный материал.
Печь для бани с теплообменником: принцип работы и установка
Принцип работы
Оговоримся сразу, любые расчеты требуемых габаритов теплообменника для банной печи всегда будут ориентировочны. К примеру, для нагрева стандартного банного помещения потребуется приблизительно 5кВт электроэнергии. Значит именно такое количество энергии мы и должны получить от печи с теплообменником.
К вопросу о форме теплообменника для банной печи — тут все зависит от вашей фантазии. Простейшим, дешевым и потому распространенным вариантом является система труб из нержавеющей стали. Равноценной заменой можно считать агрегаты, сваренные из нескольких швеллеров.
За основу возьмем листовой металл, толщина которого не менее 2мм. Из него потребуется соорудить цилиндрический (впоследствии верхний) и прямоугольный (нижний) резервуары, и соединить их трубами. Размер (а точнее площадь) должны рассчитываться в соответствии с размерами предполагаемого помещения.

Перед окончательным монтажом, не лишним будет оценить, точность произведенных расчетов. Для этого раскроенные детали прихватываются сваркой. После проверки можно приступать к сборке. Далее прочностная оценка: завариваем нижнюю трубу, а сам теплообменник наполняем водой, соединив при этом выходное отверстие с основной емкостью.
В случае если насос в системе не предусмотрен, то рекомендуется следующее устройство и взаимное расположение труб: холодная вода из бака самотеком идет по трубе к печи, а горячая возвращается к баку. Главное условие: трубы должны быть установлены под углом в 2-5 градусов.
Необходимость теплоизоляции бака определяется возможностью его многоцелевого использования, в том числе для прогрева смежных помещений.
Независимо от формы и способа самостоятельного изготовления, слабым местом работы любого теплообменника является коррозия металла. Металлические поверхности, по определению, имеют низкое сопротивление к воздействию агрессивных сред, в том числе и воды. Вот почему возникает потребность внутренней защиты поверхностей.
Специалисты в данной области рекомендуют ответственно подходить к выбору теплообменника для бани, не экономить на материалах и правильной установке. Также важна грамотная эксплуатация. Вот основные правила, которые следует знать:
- Основное свойство труб при нагреве теплообменника — расширение. В результате существует вероятность увеличения их длины. Поэтому запрещено при крепеже труб к стенам использовать неподвижные соединения.
- Грамотно выбирайте теплообменник с точки зрения мощности (габаритов). Это не должно негативно повлиять на производительность печи. Десятипроцентный отбор тепла – это предельный показатель. И если уже сконструированная банная печь недостаточно мощна, остановите свой выбор на теплообменнике поскромнее.
- Внешний водяной бак следует подбирать исходя из следующего условия: вода в системе должна нагреться лишь спустя два часа после начала топки. Никак не раньше! Иначе кипящая вода быстро заполнит парилку влажным паром. Думаю, это вам ник чему.
- Заполнить бак водой лучше заранее. Не рекомендуется делать это, когда банная печь уже имеет высокую температуру.
- В качестве уплотнителя резьбовых соединений рекомендуется использовать материал, способный выдерживать воздействие высоких температур. Вроде бы очевидный факт, но частенько об этом забывают.
В наше время строительный рынок наводнен предложениями всевозможных агрегатов для бани. Начиная от массивной печи из чугуна, и заканчивая простыми и дешевыми вариантами дровяных печей с теплообменником, где цена последнего мало сказывается на общей стоимости системы. Выбор за вами! Позволим себе ишь небольшой совет: теплообменник обязательно должен быть изготовлен из качественной стали с хорошим уровнем жаропрочности и жаростойкости.
Как работает теплообменник, установленный в банную печь
Устройство печи с теплообменником настолько хорошо зарекомендовало себя, что появились различные варианты конструкции теплосъема, с различной степенью эффективности. Самые распространенные:
- Классический змеевик.
- Встроенный плоский теплообменник (похожий на две полые тарелки, соединенные между собой).
- Самоварный теплообменник, устанавливаемый на дымовую трубу.
Водяная рубашка, окружающая топочную камеру, применяется крайне редко и встречается всего в 1-2 моделях печей заводского производства.
Между тем, банные печи с теплообменником стали предметом дискуссий потребителей. Некоторые утверждают, что применение не практично, другие наоборот, указывают на удобство и комфорт во время эксплуатации.
Что дает встроенное или самоварное устройство теплосъема?
- Теплообменник в банной печи нужен для получения горячей воды для помывки. Эта задача была основной при проектировании конструкции.
- Возможность отопления в бане от печи с водяным контуром – фактически, металлическая печь становится неким подобием отопительного котла. Во время топки выделяется достаточно тепла для прогрева теплоносителя и нагрева необходимого объема воды ГВС.
Принцип работы зависит от используемого устройства. Эффективность определяется несколькими параметрами:
- Надежность.
- Достаточная теплоотдача.
- Возможность работы без использования теплообменника.
По своей конструкции, можно разделить все водогрейные устройства на встроенные и надстраиваемые (самоварного типа).
Встроенный теплообменник
Печи для бани с водяным контуром под отопление и нужды ГВС, стали появляться после того, как хорошие отзывы получили обычные водяные теплогенераторы. По своему устройству, печное оборудование с интегрированным водонагревательным контуром делится на несколько классов:
- Змеевик – простейшее устройство, используемое в классических твердотопливных котлах. Внутри конструкции располагается согнутая металлическая трубка. Форма разная и зависит от особенностей внутренней конструкции печи. Змеевик располагают так, чтобы пламя не воздействовало на него напрямую, а нагрев осуществлялся посредством дымовых газов.
- Плоский теплообменник – устройство более сложное по сравнению с предыдущим. Плоский теплообменник для банной печи, выглядит как две полых тарелки, соединенных между собой. По теплоэффективности, конструкция превосходит змеевик, используется в современных моделях печного оборудования.
- Встроенный бак – в печи изготавливается отдельная емкость, устанавливаемая сверху топочной камеры. Встроенный горизонтальный теплообменник быстро нагревается и сохраняет температуру, пока печь остается горячей.
- Водяная рубашка – представляет полость, окружающую всю топочную камеру и дымовые каналы. Конструкция часто используется при производстве твердотопливных котлов, но не получила широкого применения при изготовлении банных печек.
Принцип работы интегрированного теплообменника в банной печи заключается в следующем. Спираль или пластина разогреваются от дымовых газов, температура которых достигает 450-500°С. При нагреве возникает давление, заставляющее теплоноситель циркулировать в системе обогрева. В схемах, где используется бойлер косвенного нагрева, ГВС подогревается за счет тепла отопления.
Самоварного типа
Установка теплообменника на банную печь – бюджетное решение проблемы ГВС и отопления. Водогрейное устройство изготавливается двумя способами:
- Змеевик – на дымоходную трубу устанавливается змеевик из алюминия или меди. Для систем с естественной циркуляцией, вплоть до накопительной емкости или водораспределительных кранов, размеры змеевика не должны превышать 3 м. Оптимальные размеры теплообменника с принудительной циркуляцией, 5 м.
- Устройство теплообменника самоварного типа – специалисты сходятся во мнении, что именно такая конструкция оптимально подходит для бани. Горячая вода для душа готовится постепенно, предотвращается закипание жидкости.
Движение воды в теплообменнике самоварного типа происходит по естественным физическим законам. Нагретая жидкость поднимается вверх, в емкости создается давление.
Оптимальный объем теплообменника самоварного типа выбирают так, чтобы вода достигала необходимой температуры, после 2-3 часов интенсивного горения. Конструкция оптимально подходит для обеспечения водоснабжения горячей водой.
Заключение
Если печь-камин с теплообменником будет установлена правильно, то прослужит такая конструкция довольно долго, не предполагая необходимости проведения ремонтных работ.
Каково быть девственницей в 30 лет? Каково, интересно, женщинам, которые не занимались сексом практически до достижения среднего возраста.
9 знаменитых женщин, которые влюблялись в женщин Проявление интереса не к противоположному полу не является чем-то необычным. Вы вряд ли сможете удивить или потрясти кого-то, если признаетесь в том.
13 признаков, что у вас самый лучший муж Мужья – это воистину великие люди. Как жаль, что хорошие супруги не растут на деревьях. Если ваша вторая половинка делает эти 13 вещей, то вы можете с.
10 загадочных фотографий, которые шокируют Задолго до появления Интернета и мастеров «Фотошопа» подавляющее большинство сделанных фото были подлинными. Иногда на снимки попадали поистине неверо.
Эти 10 мелочей мужчина всегда замечает в женщине Думаете, ваш мужчина ничего не смыслит в женской психологии? Это не так. От взгляда любящего вас партнера не укроется ни единая мелочь. И вот 10 вещей.
7 частей тела, которые не следует трогать руками Думайте о своем теле, как о храме: вы можете его использовать, но есть некоторые священные места, которые нельзя трогать руками. Исследования показыва.





































![5+ рекомендаций по выбору бака для бани с теплообменником [+фото]](https://dismeg.ru/wp-content/uploads/7/9/b/79b4910cefa63403e7ae9b33cdd1bfc6.jpeg)



















