Преимущества установки и эксплуатации изделия Меркурий 230
Электросчетчики рассматриваемого класса представляют собой приборы учета, с помощью которых удается замерять расходуемую в трехфазных цепях энергию. К преимуществам этого типа электронных устройств относят:
- возможность учета электроэнергии по различным тарифам;
- допустимость эксплуатации в трехфазных сетях, включение в которые осуществляется напрямую или через трансформаторы тока;
- возможность работы в индивидуальном режиме или в составе диспетчерского оборудования;
- расширенный функционал, обеспечиваемый особенностями включения в общую энергосистему.
Приборы успешно эксплуатируются не только на промышленных предприятиях и других производственных объектах, но и в частных домах, где три питающих фазы используются довольно часто.
Схемы подключения трехфазного счетчика электроэнергии
Только верно присоединенный счетчик правильно определяет и контролирует количество используемого тока. Поэтому прибор следует верно присоединить. Схема монтирования обусловливается видом.
Полукосвенная
В сеть монтируется с ТТ. Поэтому возможно присоединять в сети с высокими мощностями. Разрешается до 60 кВт. Применяя этот метод учета, для установления трат стоит разность показателей умножать на определенное значение трансформации.

Десятипроводная
Она пользуется большой популярностью. Именно ее эксперты советуют устанавливать сейчас. Ведь она имеет ряд преимуществ. У них нет гальванической связи токовых цепей прибора учета и цепей напряжения. Поэтому подключать ее гораздо безопаснее. А еще благодаря ей удобнее проводить манипуляции.
Не нужно отключать установки при смене счетчика или при проведении различных манипуляций. Он отличается правильностью. Ведь сбор сведений по всем фазам происходит независимо. Если происходит нарушение цепей учета по какой-то из фаз, функционирование учета на других фазах продолжается.
3х-фазный счетчик для правильного функционирования монтировать аккуратно
Особенное внимание стоит уделить маркировке. 10-проводная требует больше проводов, чем остальные схемы. 10-проводная имеет недостаток: значительный расход проводника для сборки вторичных цепей учета
10-проводная имеет недостаток: значительный расход проводника для сборки вторичных цепей учета.

Семипроводная
Свое название получила из-за числа проводов, применяемых во время присоединения. Считается устаревшей, хоть и встречается.
Трансформаторный счетчик должен иметь контактную панель. Если ее нет, то должна присутствовать колодка. Они служат проводником соединения. Их располагают посреди электрического шнура и счетчика.

Звезда
Нюансы метода:
- все типы КЗ проводят ток индивидуально. А гарантия безопасности и функционирования, созданная данным способом, откликается на любое КЗ;
- ток в реле принадлежит к фазному;
- ток нулевой последовательности, не проходящий через реле, не выйдет за грани треугольника ТТ.


Неполная
Устанавливать неполную звезду стоит лишь в сетях, где есть нулевые изолированные точки. Они ограждают от междуфазных КЗ. Она откликается лишь на отдельные появления КЗ однофазного.
Полная
Если есть глухозаземлённая нейтраль, то нужно присоединение ТТ к трём фазам.
Косвенное
Если в сети аппараты, использующие энергию электричества, тратят ее больше номинального значение силы тока, проходящего сквозь счётчик тогда стоит вмонтировать разделительные ТТ. Присоединяют их в разрыв силовых токоведущих шнуров.

С двумя ТТ
В сетях 380 В, при образовании систем учёта расходуемой мощи больше 60кВт, 100А электросчетчик устанавливают, применяя косвенную схему присоединения трехфазного через ТТ. Это помогает измерять большую используемую мощь при помощи аппаратов учёта для меньшей мощи, используя коэффициент пересчёта показателей устройства.
Меркурий 230
Схемы сборки счетчика Меркурий с применением ТТ отличаются сложностью. Подключающий не должен забывать в процессе об ответственности. Обычно он применяется в сети 380 вольт.
Если есть однофазовое и двухфазное КЗ “земля”, то выявляются токовые объемы в реле.
Схемы подключения

Электротехнические счетчики и трансформаторы соединяются с учетом требований безопасности и правил работы, а также особенностями самого прибора. Минимальная температура установки – +5˚ по Цельсию. В противном случае не получится корректного технического соединения – приборы, работающие с напряжением и токами, плохо переносят низкие температуры.
Если требуется подключить трансформатор на улице в холодное время года, необходимо сооружать специальный шкаф – утепленный и герметичный. Сам прибор обычно устанавливают на высоте 1-1,7 метра.
Установка счетчика с трансформаторами тока
Не всегда есть возможность измерять потраченную электроэнергию через счетчик, подсоединенный к сети питания напрямую (в розетку). В цепях с напряжением в 380 Вольт и пределами токов больше 100А – соответственно и потребление вырастает до 60 кВт – требуется монтаж измерительного трансформатора тока. Подобное соединение мастера называют косвенным, но такой способ дает наиболее точные данные. Кроме этого есть и еще два метода:
Первое используется на промышленных предприятиях и крупных заводах с расходом мощности выше 0,4 кВт и током силой более 100А.
Схема «звезда» в свою очередь может быть полной и неполной. Для полной звезды подойдут устройства с равномерным распределением нагрузки и симметричным токовым потоком. Трансформатор устанавливается на все фазы, а релейная обмотка соединяется по форме звезды.
Неполная – двухфазная двухрелейная схема с образованием части звезды. Данная схема быстро реагирует на короткие замыкания (кроме заземления), а также есть возможность установки на межфазных щитках.
Установка многовиткового измерителя
Трехфазный счетчик трансформаторного включения используют в многопроводных сетях. При многовитковых соединениях первичную обмотку катушки заменяют на кабельную. Прибор контролирует движение тока по вторичной обмотке. В остальном – трансформатор работает по тому же принципу, что и оборудование другого типа.
Десятипроводная схема

Данный способ подключения подходит для использования в мощных силовых цепях, работа которых обеспечивается трансформаторами. Развязка гальванического типа подходит для промышленных и бытовых нужд и гарантирует безопасность эксплуатации оборудования. Последовательность соединения по клеммам (от первой к последней):
- фаза, вход (А);
- измеряющий контур фазного механизма, вход;
- измерительный привод, выход (А);
- клемма, фаза, вход;
- измеряющий контур фазного механизма, выход (В);
- фаза, выход (В);
- фаза, вход (С);
- контур, измерение фазы – вход.
Семипроводная схема

Подобная схема подключения имеет ряд преимуществ и некоторые недостатки. Незначительно отличается от десятипроводной. Работать со счетчиком удобно – нет необходимости отключать систему полностью при проведении работ со щитком, приборами учета и трансформаторами.
Благодаря заземленным токовым цепям на выходах вторичных обмоток не накапливается опасный потенциал, который часто приводит к коротким замыканиям и сгоранию оборудования. К общей сети подключается испытательная коробка, которая позволяет безопасно отсоединять цепи питания.
Семипроводной способ – один из устаревших, используется редко. Электромонтажеры профессиональных компаний не рекомендуют подключаться более современными способами.
Схема с совмещенными цепями
Подобная схема существенно отличается от предыдущих. Трансформаторы тока с совмещенными цепями подсоединяются через специальные перемычки (путь получается от L1 к L2).
Другие системы подсоединения
Кроме указанных, существуют и иные схемы подключения счетчика к трансформатору. Использование испытательной колодки в соединении – согласно п. 1.5.23 Правил устройства электроустановок – необходимо при активации образцового прибора учета. Это дополнительное оборудование, которое позволяет шунтировать и отключать токовые цепи, активировать счетчики без снижения нагрузки напряжения. Еще один момент – возможность пофазного снятия показаний.
Основа соединения через испытательную коробку – десятипроводная схема. Отличие состоит в установке между прибором учета и трансформаторной конструкцией переходного блока с необходимыми защитными и распределительными функциями.
Подключение электросчетчика с трансформаторами тока
Одной из важнейших характеристик любого электросчетчика является его номинальный ток. То есть ток, который прибор может не только посчитать, но и долговременно через себя пропускать. Если в вашем доме стоит очень мощное оборудование, а потребляемый им ток имеет большие значения, то подобрать подходящий электросчетчик не удастся – счетчиков для таких мощностей просто не существует в природе. Как тут быть? Выход из положения – установка трансформаторов тока (ТТ).
Как работает и для чего нужен
Основной задачей прибора является пропорциональное преобразование тока одной величины в ток другой. Конструктивно изделие представляет собой железный сердечник, на котором размещены две обмотки. Первая включается в разрыв сети, состояние которой нужно контролировать, а вторая – к электросчетчику. Электроэнергия, проходя по первой обмотке, будет наводить ЭДС во второй, а отношение токов в этих катушках будет пропорционально отношению количества их витков.
Принцип работы токового трансформатора
Если, к примеру, первичная обмотка имеет 2 витка, а вторичная 20, то введенный во вторичной обмотке ток будет в 10 раз ниже тока первичной. В этом случае говорят, что коэффициент трансформации прибора 10 к 1 (10/1). Предположим, ваш токарный станок потребляет ток в 200 А. Такую мощность не выдержит ни один электросчетчик. Но если вы подключите прибор через ТТ, рассмотренный выше, то максимальная нагрузка через счетчик не будет превышать 200/10 = 20 А.
Совсем другое дело – токи такой величины легко сможет контролировать практически любой электросчетчик. Подбирая трансформаторы с тем или иным коэффициентом трансформации, вы легко можете вести учет расхода электроэнергии практически любой мощности обычными электросчетчиками.
Как подключить ТТ к трехфазной сети
А теперь о схеме включения счетчика через ТТ. Конечно, она будет несколько сложнее конструкции прямого включения, но не настолько, чтобы в ней не разобрался человек, имеющий представление о простейших электрических цепях.

Схема подключения трехфазного счетчика через трансформаторы тока
В этой схеме электросчетчик подключен не в разрыв сетевых проводов, а ко вторичным обмоткам ТТ, которые обозначены как И1, И2. А в этот самый разрыв подключены первичные обмотки трансформатора (на схеме Л1, Л2).
Прежде чем взяться за сборку вышеприведенной схемы, необходимо четко разобраться в нескольких вопросах. От правильного их решения будет зависеть не только безопасная и долговременная работа схемы, но и ее работоспособность. Вот основные из них:
- Правильный выбор сечения монтажных проводов.
- Фазировка катушек ТТ.
Если вы не врезаете ТТ непосредственно в линию, то соединяющие провода первичной обмотки должны иметь то же сечение, что и проводка линии. Проводники, соединяющие ТТ и счетчик, конечно, могут быть тоньше, но они должны уверенно выдерживать ток, обозначенный на корпусе электросчетчика.
На фазировку (правильное подключение концов катушек) ТТ нужно обратить особое внимание. В противном случае прибор учета либо не заработает, либо будет врать, а то и закрутится в другую сторону, если он двунаправленный
Как разобраться с фазировкой? В этом поможет рисунок ниже:
Набор токовых трансформаторов для трехфазной сети
Даже если ваши трансформаторы не совсем похожи на приведенные, особой разницы нет – в любом случае все выводы обмоток маркируются единообразно. Контакты первичной, силовой обмотки отличить несложно – они гораздо мощнее контактов вторичной и расположены с противоположных сторон изделия. Маркируются они Л1 и Л2. Выводы обмотки 2, подключаемой к электросчетчику, в этом варианте исполнения закрыты прозрачной крышкой и имеют обозначение И1, И2. Если взглянуть на схему подключения счетчика, то можно увидеть, что катушки не только должны быть подключены каждая на свое место, но и правильно сфазированы:
- Л1 – на ввод питающей линии;
- Л2 – выход на нагрузку;
- И1 – на ввод счетчика;
- И2 – выход счетчика.
Что касается расцветки корпуса ТТ, она условна и служит только для удобства монтажа. Фактически все три трансформатора абсолютно идентичны.
Как быть, если в вашем доме однофазная сеть, но ток потребления слишком велик для электросчетчика? Такая ситуация достаточно редка, но она случается. И здесь выручит токовый трансформатор, причем всего один. Как подключить однофазный электросчетчик через ТТ понятно из рисунка ниже:
Схема подключения однофазного электросчетчика с трансформатором тока
Общие правила монтажа
Монтаж не является сложной операцией, если знать, как правильно подключить прибор. Самостоятельное исполнение часто бывает качественнее, чем работа ненадежного мастера.
При приобретении важна не столько дата изготовления, сколько дата поверки устройства. Опломбирование должно быть проведено не ранее, чем год назад.
Перед работой с прибором, нужно получить разрешение и технические условия (ТУ) от организации по энергосбыту. ТУ являются основным документом, по которому будет проверяться устройство
Поэтому важно детально изучить требуемые технические характеристики каждого устройства и комплектующих. Это избавит от замечаний и лишних доработок. Основные понятия:
Основные понятия:
- Электросчётчик — звено, пропускающее ток с напряжением, необходимым для питания техники в доме. Ориентируясь на количество используемой высокомощной техники, выбирается трехфазный или однофазный счетчик.
- Клеммы — места для подсоединения проводов. Перед началом установки стоит изучить их маркировку.

Монтаж возможен внутри каждой отдельной квартиры или на общей лестничной площадке, в частных домах — внутри и вне здания. На расположение влияет то, заменяется старая или подключается новая проводка.
Схема подключения электрического счетчика осуществляется через трансформаторы тока или без них. Для косвенного типа применяются трансформаторы тока и напряжения.
На всех этапах следует соблюдать правила электробезопасности
Важно знать, что не допускается подключение однофазного электроприбора в сеть на 380 вольт
Последовательность операций подключения
Этапы установки:
- отключение входного питания;
- снятие пломб;
- открытие клемм;
- подсоединение проводов.
Перед монтажом следует убедиться, что сеть обесточена, воспользовавшись индикатором.
С момента опломбирования должно пройти не более 12 месяцев. Разрешено подключение 3-х фазного счетчика без видимых механических повреждений кожуха и стекла корпуса.
Возможна установка, если на корпусе трехфазного счетчика есть пломбы ОТК в виде стикера и пломбы госповерителя.
Устройство трехфазного счетчика Энергомера ЦЭ6803В
Внешний вид счетчика приведён слева, в начале статьи. Все фото, как обычно, можно увеличить.
Переворачиваем, вид на клеммы. Как всегда в подобных устройствах, клеммы очень качественные. Ведь они пломбируются, и доступа к ним нет.
Клеммы трехфазного счетчика
Вид сзади. Крепления на ДИН-рейку нет, только на винты. Хотя, в комплекте может быть переходная планка на ДИН-рейку.
Вид сзади, на крепежные отверстия
Верхняя крышка запломбирована двумя пломбами. Если их случайно сорвать, то надо такой счетчик отдавать на поверку. На практике придётся покупать новый.
Но нам уже всё нипочём, снимаем:
Устройство трехфазного счетчика прямого включения Энергомера
Видим печатную плату, и устройство отображения показаний.
Теперь подробнее. Это – шаговый двигатель, на ось которого посажены колёса с цифрами. Двигатель двумя проводками подключен к плате:
Трехфазный счетчик Энергомера цэ6803в. Устройство механического индикатора
Импульсы напряжения подаются на двигатель, и они же – на светодиод, который мигает в такт движению цифр.
Далее. Контроллер, в котором заложена программа для преобразования напряжения, пропорционального протекающему току, в импульсы для шагового двигателя.
Устройство трехфазного счетчика Энергомера цэ6803в.
Также имеется последовательный порт с оптической развязкой.
Плата с другой стороны:
Устройство трехфазного счетчика Энергомера цэ6803в. Печатная плата
Вот – входные цепи, которые построены на основе делителей напряжения, собранных на резисторах и конденсаторах.
Стоит сказать, что эти детали имеют процент погрешности номинала (например, конденсаторы – 10%), а никакой регулировки на плате я не обнаружил. Хотя, скорее всего, точность измерений определяется классом точности резисторов делителя, а конденсаторы служат для сглаживания пульсаций. А резисторы, судя по цветовой маркировке, имеют погрешности 0,5 и 1%.
Как устроен трехфазный счетчик Энергомера, входные цепи
Красные проводочки – это подача напряжения с каждой фазы. Между каждым из них действует линейное напряжение 380В. Они припаяны ко входам делителей.
Далее рассмотрим устройства, которые преобразуют ток в напряжение. Там не так всё однозначно, и одним законом Ома не обойтись.
Как устроен трехфазный счетчик Энергомера, входные цепи
Как устроен трехфазный счетчик Энергомера, входные клеммы
С нулевой клеммой всё понятно,
Как устроен трехфазный счетчик Энергомера, входные клеммы
а вот фазную рассмотрим поближе:
Как устроен трехфазный счетчик Энергомера, разобранная фазная клемма
Как устроен трехфазный счетчик Энергомера, разобранная фазная клемма
Катушка, которая располагается в петле фазы.
Как устроен трехфазный счетчик Энергомера, разобранная фазная клемма с трансформатором
Как устроен трехфазный счетчик Энергомера, разобранная фазная клемма
Что-то похожее есть в однофазном счетчике (ссылку давал выше), но там этот автотрансформатор, или делитель реализован проще.
Кстати, не смотря на то, что счетчик называется Прямого включения, у него на входе всё равно стоит трансформатор, как это видно из фото конструкции.
Характеристики электросчетчика
К эксплуатационным показателям прибора Меркурий 230, полностью характеризующим его в качестве устройства учета, относят следующие возможности:
- Отображение на дисплее данных по потребленной электроэнергии для любого из предусмотренных режимов работы: ночного, дневного, льготного и т. п.
- Учет энергопотребления по одному из 4-х тарифных режимов с 16-ю зонами перекрытия по времени.
- Подсчет и регистрация токовых и частотных параметров.
- Контроль потребления через интерфейс (с центрального диспетчерского пункта).
- Сохранение в памяти устройства до 10-ти важнейших событий, а также моментов пропадания отдельных фаз, превышения ими допустимых значений, дат вскрытия и изменений тарифного режима.
Принцип работы измерительных трансформаторов
Принцип действия данных устройств довольно простой. По первичной обмотке трансформатора, включенной последовательно, протекает фазовый ток нагрузки. За счет этого возникает электромагнитная индукция, создающая ток во вторичной обмотке устройства. В эту же обмотку осуществляется включение токовой катушки трехфазного электросчетчика.
В зависимости от коэффициента трансформации, ток во вторичной цепи будет значительно меньше фазного тока нагрузки. Именно этот ток обеспечивает нормальную работу счетчика, а снимаемые показатели умножаются на величину коэффициента трансформации.
Таким образом, трансформаторы тока или измерительные трансформаторы преобразуют высокий первичный ток нагрузки в безопасное значение, удобное для проведения измерений. Трансформаторы тока для электросчетчиков нормально функционируют при рабочей частоте в 50 Гц и вторичном номинальном токе в 5 ампер. Поэтому, если коэффициент трансформации составляет 100/5, это означает максимальную нагрузку в 100 ампер, а значение измерительного тока – 5 ампер. Следовательно, в этом случае показания трехфазного счетчика умножаются в 20 раз (100/5). Благодаря такому конструктивному решению, отпала необходимость в изготовлении более мощных приборов учета. Кроме того, обеспечивается надежная защита счетчика от коротких замыканий и перегрузок, поскольку сгоревший трансформатор меняется значительно легче по сравнению с установкой нового счетчика.
Существуют определенные недостатки при таком подключении. Прежде всего, измерительный ток в случае малого потребления, может быть меньше стартового тока счетчика. Следовательно, счетчик не будет работать и выдавать показания. В первую очередь это касается счетчиков индукционного типа с очень большим собственным потреблением. Современные электросчетчики такого недостатка практически не имеют.
Особое внимание при подключение нужно обращать на соблюдение полярности. Первичная катушка имеет входные клеммы. Одна из них предназначена для подключения фазы и обозначается Л1
Другой выход – Л2 необходим, чтобы подключиться к нагрузке. Измерительная обмотка также имеет клеммы, обозначаемые соответственно, как И1 и И2. Кабель, подключаемый к выходам Л1 и Л2, рассчитывается на необходимую нагрузку
Одна из них предназначена для подключения фазы и обозначается Л1. Другой выход – Л2 необходим, чтобы подключиться к нагрузке. Измерительная обмотка также имеет клеммы, обозначаемые соответственно, как И1 и И2. Кабель, подключаемый к выходам Л1 и Л2, рассчитывается на необходимую нагрузку.
Для вторичных цепей используется проводник, поперечное сечение которого должно быть не ниже 2,5 мм2. Рекомендуется применять разноцветные промаркированные провода с обозначенными выводами. Нередко подключение вторичной обмотки к счетчику осуществляется с помощью опломбированного промежуточного клеммника. Использование клеммника позволяет проводить замену и обслуживание счетчика без отключения электроэнергии, поступающей к потребителям.
Особенности подключения
При более внимательном рассмотрении схемы подключения 3 фазного счетчика через трансформатор обнаруживается, что она предполагает обязательное соблюдение полярности включения обеих обмоток
Перед тем, как подключить его посредством ТТ, важно обратить внимание на следующие детали:. На первичной катушке имеются три пары входных клемм, один из контактов которых предназначен для подсоединения соответствующего фазного провода и обозначается литерой «Л1» (от второго контакта, помечаемого как «Л2» провод идёт непосредственно к 3х фазной нагрузке);
На первичной катушке имеются три пары входных клемм, один из контактов которых предназначен для подсоединения соответствующего фазного провода и обозначается литерой «Л1» (от второго контакта, помечаемого как «Л2» провод идёт непосредственно к 3х фазной нагрузке);
На первичной катушке имеются три пары входных клемм, один из контактов которых предназначен для подсоединения соответствующего фазного провода и обозначается литерой «Л1» (от второго контакта, помечаемого как «Л2» провод идёт непосредственно к 3х фазной нагрузке);
- На катушке измерения также имеются клеммы, обозначаемые как «И1» и «И2», соответственно, к которым в параллель подключается обмотка фазного счётчика;
- Сечение подключаемого к клеммам первичной обмотки кабеля выбирается исходя из значения тока в нагрузке;
- Во вторичных цепях должен применяться проводник с рабочим сечением не ниже 2,5 мм² (он идёт непосредственно к счетчику).
Дополнительная информация. Специалисты советуют организовывать подключение 3-х фазного ТТ особыми маркированными по цвету проводами, на концах которых нанесено обозначение.
Кроме того, очень часто подсоединение к счётчику вторичной обмотки организуется посредством промежуточного клеммника, на котором ставится специальная пломба.
Отметим также, что наличие дополнительных контактов обеспечивает простоту замены и обслуживания 3-х фазного счётного прибора. При его применении энергию от потребителей во время ремонтных манипуляций можно не отключать.
Маркирование проводников ТТ в испытательной коробке
Сколько стоит 1 киловатт электроэнергии Подключение электросчетчика через трансформаторы тока Система учета в четырех-проводных сетях подразумевает измерение электроэнергии при помощи 3-фазных счетчиков, конструкция, которых рассчитана на прямое подключение или при использовании трансформаторов тока.
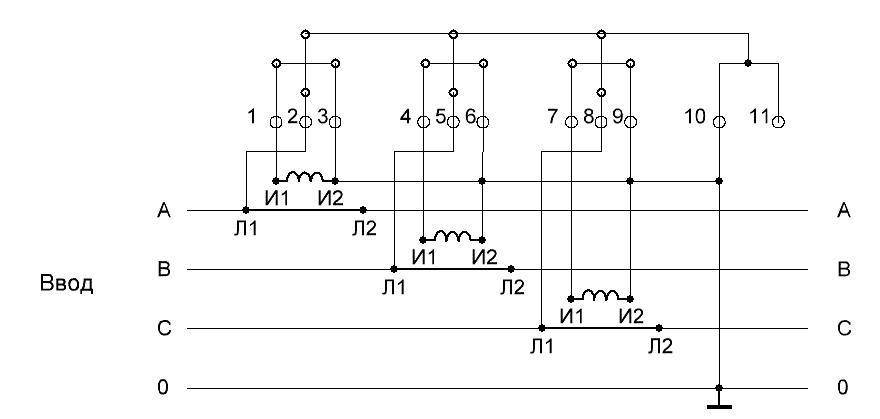
Подключение электросчетчика через трансформаторы тока выполняется при помощи десятипроводного кабеля. Рассмотрим установку трехфазного электросчётчика с измерительными трансформаторами на примере счётчика Меркурий.
В неполную звезду Особенностью двухфазной двухрелейной схемы подсоединения с образованием неполной звезды. А также имеются и клеммы идущие непосредственные на подключение непосредственно к счётчику, они обозначены как И1 и И2.
Лишь после выполнения этого требования рассматриваются вопросы экономичности и удобства обслуживания или ремонта. Следовательно, счетчик не будет работать и выдавать показания. Если устройству требуется напряжение в 12 Вольт, необходимо подключать его через трансформатор.
Трехфазные счётчики нового поколения Меркурий можно программировать на различные режимы работы, менять тарифный план и даже дистанционно передавать показания электроэнергии. Технология самостоятельной установки: монтаж на DIN-рейке электрического щита вводного автомата и трехфазного счетчика электроэнергии; спуск фиксаторов на оборотной стороне трёхфазного прибора энергоучета, с последующей установкой и поднятием фиксаторов; подсоединение вводного автомата с необходимыми вводными клеммами на электросчетчике, в соответствии со схемой подключения. Их чаще устанавливают на производственных мощностях с целью контроля энергии высоковольтных линий.
Такие измерительные приборы называют трансформаторными счетчиками, т. Образуется трехфазная 4-проводная схема, часто используемая для воздушных электромагистралей. Они успешно работают только при наличии трех фазных напряжений и применяются в скважных насосах, станках и других образцах техники, используемой в личных целях. Установка счетчика с трансформаторами тока.
Для схемы обязательно присутствие нулевого проводника. В точке, где к фазной линии подключается катушка напряжения, в индукционных счетчиках расположен регулировочный винт, который пломбируется на заводе-изготовителе или представителями энергоснабжающих организаций. Этот же принцип используется при формировании массива статорной обмотки однофазного электродвигателя. Коэффициент трансформации у него Недостатком этого способа считается большое количество коммутационных элементов, снижающих надежность выполнения счетчиком своих функций.
После считывания показаний применяется коэффициент для пересчета. Как правильно выбрать провод заземления и какие марки наиболее популярны, читайте далее. К данной категории относится схема, позволяющая подключить счетчик к трехфазной трехпроводной сети посредством 2-х трансформаторов тока и 2-х преобразователей напряжения. Кабель, подключаемый к выходам Л1 и Л2, рассчитывается на необходимую нагрузку.
Подключение трехфазного счетчика

























































