Соблюдение техники безопасности при монтаже розеток

Работы с электричеством относятся к категории опасных. Даже малое напряжение приводит к ожогам, поражениям и другим неприятным последствиям. Соблюдение техники безопасности:
- обесточить помещение, в котором проводятся работы;
- проверить участок перед началом специальным прибором (можно включить устройство в сеть);
- использовать резиновые перчатки, технику с прорезиненными ручками;
- при «наращивании» длины недостаточно скрутить провода, требуется спайка;
- не допускается контакт с соединенными оголенными кабелями;
- излишки не должны «торчать» – укорачивают, закладывают в стену;
- проверять подходят ли приборы для работы с используемым уровнем тока и напряжения.
Как выбрать правильный способ

Подключение двух розеток к одному кабелю
Чтобы выбрать параллельное или последовательное подключение розеток, необходимо просчитать несколько параметров: сумма средств, которые можно потратить на электропроводку, мощность оборудования и отделка стен (возможность и желание переделывать ремонт в случае поломок).
Оптимальным способом считается подключение двух розеток к одному проводу щитка или распределительной коробки – параллельное соединение. Если в помещении не предусмотрено большое количество розеток и приборов (например, только телевизор), подойдет шлейфовый метод.
Что рациональнее: совместный блок или отдельные изделия?
Еще совсем недавно рядовой потребитель не имел возможности в полной мере воспользоваться преимуществами устройств, объединяющих розетку с выключателями в одном корпусе. Но с их появлением функциональность используемых схем заметно возросла, что не могло не сказаться на удобстве пользования совмещенными приборами. Возросший ассортимент изделий этого класса еще больше увеличил спрос на них, что считалось вполне естественным явлением.
Однако со временем присущие блокам недостатки все чаще вызывали вопросы о целесообразности их применения
С одной стороны простота монтажа и минимум расходов на проводные изделия привлекали к ним внимание не искушенного в электрике пользователя. Но при другом подходе выяснялось, что применение объединенных приборов не всегда оправдано
В каких помещениях целесообразно устанавливать блоки?
Решение этого вопроса обычно увязывают с проблемой свободного места в помещениях, где предполагается разместить блок с подключенной к выключателю розеткой
Особое внимание в этом случае уделяется коридору (прихожей) малогабаритных квартир, площадь которых чаще всего бывает ограниченной. В указанной ситуации установка и подключение выключателей через розетку может считаться целесообразным

Комбинированный блок розетка с тремя выключателями установлен в прихожей
Применение последних ограничивается ситуациями, когда возникает необходимость в подключении зарядного устройства, например, или пылесоса. В этом же месте может размещаться базовая часть переносного радиотелефона, что делает применение совмещенного блока вполне оправданным.
Правильность такого решения подтверждается известным фактом, что свободного места на стенах прихожих чаще всего не хватает. Его занимают такие предметы обстановки, как шкафы и зеркала различных габаритов. В большинстве современных квартир на той же стенке расположены распределительный щиток и электрический счетчик. Из всего этого следует вывод о целесообразности установки в прихожей совмещенного блока. Вопрос о необходимости его монтажа в других комнатах должен рассматриваться в каждом случае индивидуально.
Параллельное соединение
В цепях, соединенных параллельно, к каждому из элементов прикладывается полное напряжение источника питания. При этом ток, протекающий через каждую из ветвей, зависит только от ее сопротивления. Провода от каждого патрона соединены между собой обоими концами.
- если одна лампа перегорит – остальные продолжат выполнять свои функции;
- каждая из цепей светит в полный накал независимо от своей мощности, потому что к каждой приложено полное напряжение;
- можно вывести из светильника три, четыре и больше проводов (ноль и нужное количество фаз к выключателю) и включать нужное количество ламп или группу;
- работают энергосберегающие лампочки.
Чтобы включать свет по группам, соберите такую схему либо в корпусе светильника, либо в распределительной коробке.

Каждая из ламп включается своим выключателем, их в этом случае три, а включены две.
Смешанное соединение проводников
Смешанное соединение проводников
Как правило, в электпроводке используют параллельное и последовательное соединения одновременно. Такой способ подключения проводов называется смешанным или комбинированным. При построении первоначальной схемы питания в помещении, где указывается число и расположения точек питания (розеток, выключателей, трансформаторов), учитывают необходимость каждого из типов подключения на разных участках.
Электрическая проводка редко состоит из простых элементов. Зачастую получается сложная схема из множества разных участков и соединений
Поэтому при составлении плана важно разобраться в преимуществах и недостатках типов подсоединения проводов, чтобы оптимально использовать каждый. Для этого схему разбивают по участкам и в каждом конкретном случае подбирают собственный метод врезки проводов
Открытая и закрытая проводка
Различие между способами и заметное невооруженным глазом. Закрытая проводка находится внутри стены, для чего в ней пробиваются или прорезаются канавки (штробы), в которых соединяющий провод скрывается под слоем замазки. Открытая проводка прокладывается по поверхности стены, на которой она держится в специальных креплениях или уложена в пластиковые направляющие – кабель-каналы.
Соответственно, если видно провода, которые подходят к розетке, то проводка открытого типа. В противном случае используется закрытая проводка, для прокладки которой резались стены.
Эти два способа, которыми выполняется подключение розетки, можно объединять между собой – если старые точки подсоединены закрытым способом, то ничего не мешает подключить новую открытым. Нет выбора только в одном случае – в деревянных домах розетку можно подключить исключительно открытым способом, как и делать всю остальную электропроводку.
Открытая проводка – преимущества и недостатки

Понять чем хороша открытая проводка поможет аналогия с самым обычным удлинителем (сетевым фильтром), который по сути является дополнительной веткой электросети, но подключается не к распределительной коробке, а к розетке.
- Для установки новой розетки не придется резать стену. Это особенно актуально для тех помещений, в которых уже сделан ремонт.
- Для монтажа не нужны такие инструменты как штроборез или перфоратор.
- В случае поломки не придется вскрывать стену – вся проводка находится перед глазами.
- Скорость монтажа. Даже после того как все работы были закончены, добавить еще одну точку к существующей разводке это дело нескольких минут.
- При желании можно достаточно быстро полностью изменить разводку – идеальный вариант для временных схем подключения.
- Высокая вероятность внешнего воздействия на проводку – дети, домашние животные, можно просто случайно зацепить. Нивелируется этот недостаток прокладкой проводов в кабель-каналах.
- Открытые провода портят весь интерьер помещения. Правда тут все зависит от дизайнерских способностей владельца помещения – кабель-каналы отлично впишутся в современные дизайнерские решения, а если помещение сделано в стиле ретро, то для этого выпускаются специальные провода и прочая фурнитура.
- Необходимость закупать специальные крепежи, даже если не используются кабель-каналы – в деревянных домах открытая проводка должна прокладываться на расстоянии 0,5-1 см от поверхности стены. Часто провода прокладываются внутри железных труб – все эти требования направлены на повышение безопасности использования открытой электропроводки.
Как итог, этот способ подключения себя оправдывает если провода к розетке по каким-либо причинам нет смысла прокладывать внутри стены. Кроме того, что проводку будет видно, никаких отличий в работе розетки не будет.
Скрытая проводка – плюсы и минусы

Несмотря на некоторые существенные недостатки, используется практически повсеместно – плюсы ее использования все-таки перевешивают.
- Провода к розетке подходят в стене, поэтому снаружи свободно клеятся обои или делается другая отделка.
- Соответствует всем требования по пожарной безопасности (в зданиях из бетона) – даже если случится короткое замыкание, то возникновения пожара от проводов в стене можно не опасаться.
- Очень низкая вероятность повреждения проводки – испортить ее можно разве что во время сверления стен.
- Для монтажа надо резать стены.
- Тяжело выполнять ремонтные работы.
- Если на стенах выполнена отделка, то после прокладки дополнительной розетки придется ее переделывать.
Недостатки нивелируются предварительными расчетами – если заранее спланировать где и какой блок розеток надо установить, то проблем в будущем обычно не возникает.
Чем отличаются параллельное и последовательное подключения
Последовательное подключение представляет собой последовательное соединение проводников в одной общей электрической цепи.

Почему оно последовательное?
Всё очень просто – проводники располагаются в электрической цепи аналогично птицам, которые сидят на проводе – один за другим. В данном случае представим, что птицы держатся за лапы – каждая птица держит своей левой лапой правую лапу ближайшей птицы. Получаем ёлочную гирлянду. Все сидят последовательно.
Кстати говоря, если свободные лапы крайних птиц прислонить к источнику питания, то выйдет фейерверк :)…

Представим, например, светодиод, который имеет + и -. Для того, чтобы объединить такие светодиоды в единую последовательную цепь, мы должны соединить ножку + первого светодиода с плюсом источника постоянного тока, а ножку – соединить с ножкой + следующего светодиода. Ножку – следующего светодиода мы подключаем также к ножке + следующего светодиода, а – подключаем к – источника постоянного тока. Вот мы и собрали простейшую последовательную цепь из трех элементов.
Параллельное подключение выглядит немного иначе.
Если вернуться к примеру с птицами, то птицы уже не сидят на проводе одна за другой, а держат друг друга лапами.
Причем, птицы так извернулись, что одна птица держит своей правой лапой, правую лапу соседней птицы, а левой лапой левую лапу этой же птицы.
Для того, чтобы зажарить таких птиц, остаётся только прислонить букет из этих соответствующих друг другу лап к полюсам источника тока.

Здесь мы берем, скажем, два светодиода, которые имеют ножки + и – соответственно, и соединяем сначала ножки светодиодов по принципу + к + и – к -.
Собранную цепь мы подключаем к источнику тока соответственно полюсам, т.е. общий плюс от двух светодиодов присоединяем к + источника тока, а общий – к минусу источника тока. В результате получили параллельную цепь.
Смешанное соединение сочетает в себе как параллельное, так и последовательные соединения. В зависимости от цели, эти комбинации могут быть различными.

На практике чаще всего используются именно смешанные схемы. Часто анализ такого соединения вызывает затруднения у студентов и школьников.
На самом же деле, тут нет ничего сложного.
Для того, чтобы разобраться во всех параметрах, нужно попросту разложить цепь на удобные фрагменты.

Так, если мы имеем ряд последовательно подключенных резисторов, которые скомпонованы вместе с параллельно соединенными резисторами, то цепь можно разбить на два обобщенных условных участка, где и определить значимый параметр.
Часто испуг вызывает появление в схеме поворотов, углов и изгибов. Человек теряется и не понимает, что от смены направления линии соединительных проводов, логика не меняется.
Смешанное соединение
Суть метода состоит в подключении отдельных розеток, соединенных между собой шлейфом, и отдельных точек электропитания к распределительной коробке. Схема считается одной из самых надежных, поскольку каждый элемент обособлен, и в случае выхода из строя не влияет на систему в целом.
Подключить несколько розеток от одного провода можно за счет монтажа розеточного блока внутреннего или накладного типа. Опытные электрики подбирают силовые линии под определенную группу розеток, исходя из напряжения в сети, сечения провода и номинала выключателя. Для аккуратного оформления стен подрозетники «утапливаются» внутрь поверхности.
Если вам нужно заменить электропроводку в доме или подключить несколько розеток от одного провода, вызывайте нашего мастера! Звоните по номеру телефона или оставляйте заявку на сайте. У нас опытные электрики, которые имеют необходимые к проведению работ под высоким напряжением допуски и могут безопасно запитать розетки от одного провода!
Плюсы и минусы

Чтобы определить оптимальную схему подключения розеток и выключателей, необходимо подготовить план электропроводки, рассчитать количество приборов и возможную максимальную мощность. При этом в только построенных зданиях необходимо спланировать будущие возможности без лишней скромности: дополнительный телевизор, покупка отдельной морозильной камеры и подобное.
На основе полученных данных выбирают тип подключения. К преимуществам последовательного метода относят:
- простая система подключения и сборка цепи;
- возможность отрегулировать уровень напряжения, сделать меньше;
- можно использовать один предохранитель на цепь.
Можно ли подключать розетки последовательно
Соединение розеток в последовательном режиме имеет ряд недостатков и ограничений. В большом помещении и значительном числе мощных электроприборов нельзя использовать такой способ – нагрузка получается слишком высокой. Лучше запараллелить розетки или использовать кольцевой тип. Рекомендованное количество на одну цепь – 5-6 штук.
Еще один минус – неравномерное распределение напряжения в точках питания. На каждую розетку приходится часть общего электропотока. Потому в помещениях жилого и производственного назначения последовательное подключение не используют. Но в елочных гирляндах и других использовать можно.
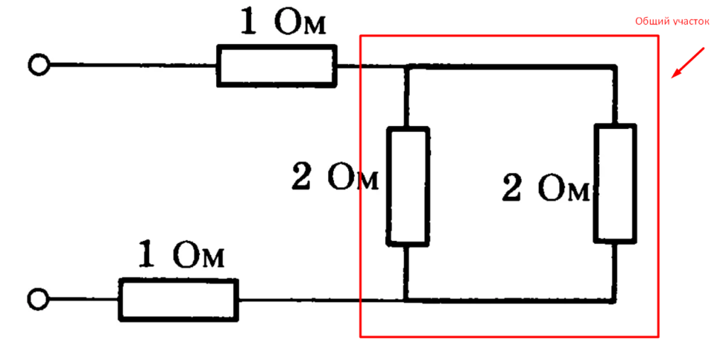
Смешанное соединение резисторов

| Резистор представляет собой устройство, обладающее устойчивым, стабильным значением сопротивления. Это позволяет выполнять регулировку параметров на любых участках электрической цепи. Существуют различные виды соединений, в том числе и смешанное соединение резисторов. От использования того или иного способа в конкретной схеме, напрямую зависит падение напряжений и распределение токов в цепи. Вариант смешанного соединения состоит из последовательного и параллельного подключения активных сопротивлений. Поэтому в первую очередь нужно рассматривать эти два вида соединений, чтобы понять, как работают другие схемы. Последовательное соединениеПоследовательная схема подключения предполагает расположение резисторов в схеме таким образом, что конец первого элемента соединяется с началом второго, а конец второго – с началом третьего и т.д. То есть все резисторы поочередно следуют друг за другом. Сила тока при последовательном соединении будет одинаковой в каждом элементе. В виде формулы это выглядит следующим образом: Iобщ = I1 = I2, где Iобщ является общим током цепи, I1 и I2 – соответствуют токам 1-го и 2-го резистора. В соответствии с законом Ома, напряжение источника питания будет равно сумме падений напряжения на каждом резисторе: Uобщ = U1 + U2 = I1r1 + I2r2, в которой Uобщ – напряжение источника электроэнергии или самой сети; U1 и U2 – значение падений напряжения на 1-м и 2-м резисторах; r1 и r2 – сопротивления 1-го и 2-го резисторов. Поскольку токи на любом участке цепи имеют одинаковое значение, формула приобретает вид: Uобщ = I(r1 + r2). Таким образом, можно сделать вывод, что при последовательной схеме включения резисторов, электрический ток, протекающий через каждый из них равен общему значению тока во всей цепи. Напряжение на каждом резисторе будет разное, однако их общая сумма составит значение, равное общему напряжению всей электрической цепи. Общее сопротивление цепи также будет равно сумме сопротивлений каждого резистора, включенного в эту цепь. Параметры цепи при параллельном соединенииПараллельное соединение представляет собой включение начальных выходов двух и более резисторов в единой точке, и концов этих же элементов в другой общей точке. Таким образом, фактически происходит соединение каждого резистора непосредственно с источником электроэнергии. В результате, напряжение каждого резистора будет одинаковым с общим напряжением цепи: Uобщ = U1 = U2. В свою очередь, значение токов будет разным на каждом резисторе, их распределение становится прямо пропорциональным сопротивлению этих резисторов. То есть, при увеличении сопротивления, сила тока уменьшается, а общий ток становится равен сумме токов, проходящих через каждый элемент. Формула для данного положения выглядит следующим образом: Iобщ= I1 + I2. Для расчетов общего сопротивления используется формула: . Она используется при наличии в цепи только двух сопротивлений. В тех случаях, когда сопротивлений в цепи подключено три и более, применяется другая формула: Таким образом, значение общего сопротивления электрической цепи будет меньше, чем самое минимальное сопротивление одного из резисторов, подключенных параллельно в эту цепь. На каждый элемент поступает напряжение, одинаковое с напряжением источника электроэнергии. Распределение тока будет прямо пропорциональным сопротивлению резисторов. Значение общего сопротивления резисторов, соединенных параллельно, не должно превышать минимального сопротивления какого-либо элемента. |
Монтаж установочного оборудования схемы розетки
Начнем с установки и подключения устройства защиты. В нашем примере эту функцию выполняет двухполюсный автоматический выключатель, он защищает цепь от возникновения перегрузок и токов короткого замыкания. Более подробно узнать о том, что представляют из себя автоматические выключатели, какие функции выполняют и каков их принцип действия можно в статье бытовые автоматические выключатели. Изучить детальную инструкцию по подключение двухполюсного автомата можно в статье как подключить двухполюсный автоматический выключатель.
Подготавливаем подходящие и отходящие провода. Применяемый нами провод трехжильный, имеет двойную изоляцию, которая состоит из общей наружной оболочки и внутренней, индивидуальной для каждой из жил, с цветовым обозначением изоляционного слоя .
Снимаем наружную изоляцию. Пред нами три разноцветные жилы сверху и три снизу. У разных кабельных заводов окраска жил может несколько меняться, но основные цвета и оттенки остаются неизменными. В каждом трехжильном проводе присутствует синий оттенок и желтый или желто-зеленый.
Перед тем, как выполнить монтаж схемы необходимо определиться с расцветкой жил. Давайте посмотрим, какие цвета наиболее широко применяются в электрике для обозначений:
- синий — ноль;
- желтый или желтый с зеленой полосой — земля.
- Жила оставшегося цвета будет фазой, в большинстве случаев ее окраска бывает белой или черной, реже красной, оранжевой или коричневой.
Для конкретно нашего примера, на подходящем к автомату (верхнем) проводе:
- белый провод с синей полосой — будет нулевым;
- белый провод с черной полосой — фазным;
- желтый с зеленой полосой — земля.
На отходящем (нижнем) проводе:
- синий — ноль;
- белый — фаза;
- желтый с зеленой полосой — земля.

Желательно использовать провод одного кабельного завода, так вы гарантированно не запутайтесь в расцветке.
Отмеряем необходимую для подключения длину жил провода. Затем, снимаем по 1 сантиметру изоляционного слоя с каждой из жил.


Подключаем синюю и белую жилы к контактам автомата.
Для заземляющей жилы используем проходной контакт.

Аналогичным образом подключаются и нижние жилы, отходящего на распределительную коробку провода. Отмечу, что подключение жил должно быть симметрично, если сверху автомата ноль справа, то и снизу он должен быть справа, фаза сверху слева и снизу слева.

Подключение устройства защиты завершено.
Переходим к подключению розетки с заземлением. Снимаем наружную изоляцию провода.

Далее, снимаем по 1 сантиметру изоляционного слоя с каждой жилы.

Подключаем жилы проводов к контактам механизма розетки. Белая и синяя жилы подсоединяются в силовые контакты розетки, а желтую жилу с зеленой полосой сажаем в контакт заземления.


Подключение розетки с заземлением выполнено. Теперь, устанавливаем механизм розетки в подрозетник.
Подробнее о том как выполнить установку других элементов электропроводки (розеток с заземлением и без, двойных выключателей, в том числе и с подсветкой, люстры, светильника, вытяжного вентилятора ванной комнаты), вы можете посмотреть здесь.

Переходим к следующему этапу.
Как соединить вольтметр и амперметр в цепь
К числу основных электротехнических параметров относятся сила тока и вольтаж. Для контроля этих величин используют приборы – амперметры и вольтметры. Требования по подключению этих приборов в цепь определяются, исходя из законов, которые действуют для последовательного и параллельного соединения.

Для измерения величины тока производится включение амперметра в цепь строго последовательно с рабочей нагрузкой
Важно, чтобы сопротивление самого прибора было минимальным, чтобы не допустить его влияние на работу электрооборудования. Если амперметр подключить параллельно, это приведет к выходу амперметра из строя
Для измерения напряжения вольтметр в цепь подключается строго параллельно источнику или приемнику тока. Сам измерительный прибор должен иметь довольно высокое собственное сопротивление. Это требуется, чтобы при измерении можно было пренебречь величиной тока, который отбирается через вольтметр.
Плюсы и минусы

Чтобы определить оптимальную схему подключения розеток и выключателей, необходимо подготовить план электропроводки, рассчитать количество приборов и возможную максимальную мощность. При этом в только построенных зданиях необходимо спланировать будущие возможности без лишней скромности: дополнительный телевизор, покупка отдельной морозильной камеры и подобное.
На основе полученных данных выбирают тип подключения. К преимуществам последовательного метода относят:
- простая система подключения и сборка цепи;
- возможность отрегулировать уровень напряжения, сделать меньше;
- можно использовать один предохранитель на цепь.
Техника безопасности при работе
Правила техники безопасности состоят в следующем:
- Все работы, связанные, с источниками напряжения, проводятся только при полном обесточивании линии. Изначально выполняем все подготовительные мероприятия, выборку штробы, монтажного отверстия и укладку проводов.
- Каждый провод, который предполагается подключать, нужно проверять, фаза это или ноль, в независимости от маркировки изоляции. Инструмент, который будет задействован в работе, должен иметь заизолированные рукоятки.
- При необходимости удлинения провода стоит исключить скрутки проводов, и использовать специальные быстроразъемные клеммы.
- Для монтажа подрозетника нужно следить, чтобы провод не повредился.
- При работе специализированным электроинструментом использовать только тот, что подходит по номинальной мощности и силой тока.
Соблюдение всех требований по электробезопасности и правил монтажа позволит оградить себя от нежелательных последствий и проблем, связанных с повреждением электропроводки, розеток, выключателей. И таких пагубных последствий, как возгорание элементов, при неправильной установке.
{SOURCE}
Можно ли подключать розетки последовательно
Соединение розеток в последовательном режиме имеет ряд недостатков и ограничений. В большом помещении и значительном числе мощных электроприборов нельзя использовать такой способ – нагрузка получается слишком высокой. Лучше запараллелить розетки или использовать кольцевой тип. Рекомендованное количество на одну цепь – 5-6 штук.
Еще один минус – неравномерное распределение напряжения в точках питания. На каждую розетку приходится часть общего электропотока. Потому в помещениях жилого и производственного назначения последовательное подключение не используют. Но в елочных гирляндах и других использовать можно.
Подключение источника питания с двумя гнездами
Все действия связанные с заменой или установкой новых электрических точек нужно начинать с отключения подачи электричества и проверки напряжения.
Конструкцию разбираем на 2 части:
- декоративную;
- рабочий механизм.
Переходим к работе с кабелем. Обнажаем кабель, чтобы жилы было видно примерно на 10 см. Более длинными оставлять их нет смысла, так как они будут мешать при установке новой точки. Если они короче, рекомендуется нарастить старую проводку.
Для работы потребуется отвертка-тестер с индикатором на конце и резиновые перчатки. Тестером мы должны определить, где в проводах находятся ноль, фаза и земля. Для этого отверткой прикасаемся по очереди к проводам, если индикатор загорелся – это фаза, нет – ноль. Также это можно определить по цветам. Фаза обычно окрашена в коричневый цвет, нулевой провод – в синий, земля – в желтый.

Зачищенные концы вставляют в ослабленные контактные клеммы на сердцевине двойной розетки. Фазный и нулевой провод подключают к боковым контактам. Не имеет значения, какую из сторон выбрать для фазы, а какую для нуля. Но рекомендуется фазу подключать справа, чтобы не путать в дальнейшем
Важно не совершить ошибку, подключив все на один контакт, в этом случае произойдет замыкание. Центральный контакт (иногда он помечен специальным знаком) предназначен для провода заземления
Чтобы поступающая электроэнергия распределялась равномерно, сечение кабеля, используемого при подключении источника питания, должно совпадать с сечением, что и у основной проводки.
Можно провести подключение двойной розетки и без заземления, алгоритм действий при этом не меняется. В частном доме рекомендуют использовать монолитную розетку с защитным контактом при наличии заземления. В многоквартирных домах заземление отсутствует (спроектировано зануление).
В монолитной сдвоенной модели есть латунная перемычка. Если ее удалить, можно установить рядом две отдельные точки.

Последовательное соединение проводников
Следующая схема подключения – последовательное соединение проводников в цепи – подразумевает врезку каждого прибора в порядке очередности (один за другим). Интенсивность силы проходящего тока через каждый элемент питания (лампочка, прибор) будет одинаковой. При этом напряжение при последовательном соединении складывается из показателей напряжения с каждого участка (получается суммарным).
Значение сопротивления может изменяться. Если изменится нагрузка на одном из мест последовательного подключения, изменится и уровень сопротивления. Как следствие, поменяется показатель тока.
Основной недостаток такой электрической цепи заключается в том, что если на одном из участков произойдет сбой (поломка, замыкание), следующие за ним элементы перестанут функционировать. Наглядно схема соединения представлена в обычных новогодних гирляндах – когда ломается один контакт или провод в любом месте, перестают работать остальные.
При последовательном подключении проводников конец одного кабеля подсоединяется к началу следующего. Ключевое отличие электроцепи – отсутствие разветвлений, через участки проходит один электроток. При этом разность потенциалов резистора объясняется совокупным напряжением по каждому отдельному резистору (контакту, участку, точке питания).
Заключение
Выбор способа соединения розеток всегда обусловлен мощностью подключаемого электрооборудования и стоимостью монтажных работ. Раздельная схема обеспечивает надежную и бесперебойную подачу напряжения всем устройствам. Однако такой метод самый затратный, так как требует больше кабеля. Но именно соединение звездой гарантирует независимую работу всех точек.
Важно также учитывать, что при последовательном соединении розеток суммарная нагрузка не должна превышать максимальный ток розетки. А он, в большинстве случаев, не превышает 16А (3,5 кВт)
Т.е. если вы собрались устанавливать блок из 3 розеток и соединить их последовательно, категорически запрещено одновременно включать нагрузку более 16А в каждую из этих розеток (эта ситуация актуальна на кухне). В то же время, если вы решите соединить розетки звездой, к каждой из них можно будет подключить нагрузку до 16А. Главное, чтобы кабель выдержал и автомат, который установлен на эту розеточную линию.
- http://votetoremont.ru/process-remonta/elektromontazhnye-raboty/kak-iz-odnoj-rozetki-sdelat-neskolko-vse-sposoby/
- https://dom-i-remont.info/posts/elektrika/8178/
- https://electrobox.su/soedineniya/soedinenie-rozetok-mezhdu-soboj.html
- https://orensbyt.ru/elektrosnabzhenie/kak-vypolnit-podklyuchenie-rozetok-v-dome-posledovatelno-ili-parallelno.html
- https://YaElectrik.ru/elektroprovodka/kak-podklyuchit-rozetku
- https://okcomfort.com/elektrika/rozetki/kak-dobavit-dopolnitelnuyu.html
- https://elektrik-sam.ru/jelektroprovodka/4060-kak-soedinjat-rozetki-posledovatelno-ili-parallelno.html

























































