Простой способ организации автопереключения
Чтобы не переключать вручную рубильник каждый раз при отсутствии подачи электричества от основной линии электропитания домовладения, можно сделать довольно несложную схему, позволяющую после пуска бензогенератора на автомате перейти с внешней сети к автономной.

Для монтажа схемы автопереключения понадобятся два пусковых устройства (контактора), имеющих перекрёстное подключение. При их работе будут задействованы силовые, а также нормально замкнутые контакты. К этому набору, если нужно обеспечить генератору некоторый интервал времени на прогревание, стоит приобрести ещё и реле времени.
Когда создаётся напряжение в домашней электрической сети от внешней линии, катушка контактора основного ввода будет удерживать в замкнутом состоянии силовые контакты, а нормально замкнутые, наоборот, в разомкнутом.
При исчезновении напряжения в магистрали электропередач силовые контакты разомкнутся, а нормально замкнутые, соответственно, перейдут в замкнутое состояние, что позволит через промежуток времени, заданный временным реле, после запуска генератора подать напряжение на катушку контактора резервного входа. В результате произойдёт замыкание силовых контактов на резервном пускателе, а в домашнюю сеть пойдёт электрический ток от бензогенератора.
Вам это будет интересно Электроудлинитель: рекомендации по выбору
При возобновлении централизованной подачи напряжения к сети частного дома сработает катушка основного пускателя, что приведёт к замыканию силовых контактов этого контактора и к автоматическому отключению питания от бензогенератора. Владельцу дома остаётся только не забыть остановить работу двигателя устройства для автономной генерации электроэнергии.
Подключение тахометра
Еще одним важным вопросом является: как подключить тахометр к генератору на дизеле? Тахометр – это соответствующее устройство, использование которого просто необходимо на автотранспорте с дизельным и бензиновым топливом. С помощью него измеряется скорость вращения оборотов коленчатого вала или генератора (Рис.3).
Чтобы подключить тахометр к генератору на дизеле, сначала надо демонтировать защиту, что бы скопившаяся грязь не попала внутрь устройства. Далее необходимо тщательно проверить катушку с клеммами. С помощью входного провода, находящегося на тахометре надо подсоединить его клемме с маркировкой «W». Иногда такой клеммы не бывает. В таком случае, самостоятельным путем необходимо вывести отдельно находящийся контакт, который обязательно надо изолировать. Что бы облегчить себе данное дело, генератор лучше снять и частично разобрать.
В результате будут видны три контакта, которые тянутся со стороны обмотки прямо до выпрямителя, находящегося в этом же устройстве. К одному из этих трех проводных контактов теперь можно подсоединить отдельный контакт – провод и вывести его из корпуса устройства. Затем надо аккуратно закрыть крышку генератора и снова его собрать. Причем постоянно нужно наблюдать за тем, что бы провод, находящийся снаружи не мог соприкасаться с другими компонентами генераторной конструкции.
В результате контакт от тахометра подсоединяется к проводу, который выведен из генератора. А другие контактные провода тахометра должны подключаться согласно схематичному рисунку, находящемуся в приложенной инструкции по эксплуатации.
Важные правила
Соблюдение нижеперечисленных правил оградит от замыканий, травм и других проблем.
- Если генератор располагается в жилище, то качественная вентиляция – первое, что необходимо сделать. Если же агрегат имеет большую мощность, то его необходимо определять во двор.
- Желательно укрыть генератор от негативного влияния погоды, например, атмосферных осадков и повышенной влажности.
- При фиксации контактов не оставляйте голые части проводки.
- Агрегаты на горючем не должны располагаться близко с большими температурами.
- Пролитое горючее тщательным образом вытирают. Перед заправкой генератора отключайте его.
- Опасайтесь контактов с функционирующим агрегатом. Не приближайтесь в развивающейся одежде, поскольку внутренний вентилятор способен затягивать материю, клеенку и тому подобное.
- Заземление должно быть в обязательном порядке для бензогенераторов и дизель-генераторов.
И еще. Вы должны не забывать о главных вещах: без знаний, как подключать, и без опыта, не беритесь за монтаж и придерживайтесь техники безопасности, чтобы исключить негативные последствия. Доверьтесь специалистам.
Как подключить генератор к дому смотрите далее.
Задаваясь вопросом: как подключить генератор к сети дома (схему можно найти в Интернете или получить после консультации со специалистом), обязательно изучите такую тему, чтобы избежать неприятных моментов в дальнейшем.
Если задача кажется для вас трудновыполнимой, доверьте её опытному электрику
Не забывайте, что при работе с электрическим питанием нужно соблюдать повышенную бдительность и осторожность, поэтому заранее выучите правила техники безопасности и только после этого приступайте к действию
Основные задачи
При подключении нужно обратить внимание на следующие особенности:
- место размещения. Оно должно быть сухим, экономичным в плане пространства, а также безопасным;
- частоту обрыва питания и сбоев в домашней сети. Это позволяет определить, нужно ли автоматика, или нет;
- мощность потребления. Данный параметр вычисляется путём учета потерь;
Необходимо обустроить правильную схему присоединения генератора к домашней сети. Использование систем автозапуска обойдётся потенциальному покупателю намного дороже, при этом реализовать монтаж дополнительных приборов без квалифицированной помощи обученного специалиста будет невозможно.
По этой причине, большинство людей отдают предпочтение ручному подключению или полуавтоматическим установкам, которые стоят намного дешевле, чем полноценные автоматы. В любом случае, даже самая передовая система автозапуска нуждается в тщательном обслуживании и надзоре за качеством работы. Бесперебойное резервное питание нуждается в дорогостоящем обслуживании, поэтому нет смысла подключать его для домашней сети.
Если необходимость стабильного доступа к электричеству возникает очень часто, лучше купить бесперебойный источник питания на персональный компьютер, или другие электрические приборы, которые используются вами чаще всего.
Для начала необходимо провести ряд расчетов по определению подходящей мощности резервного питания. Чтобы сделать такую математическую операцию необходимо подсчитать суммарную мощность всех нагрузок и добавить к ней запас на 30%. На данном этапе следует учесть пусковые токи двигателей домашней техники, которые могут превышать допустимые показатели. Только после предварительных расчетов можно переходить к покупке электрогенератора.
Для примера – одна стиральная машинка требует двух киловатт электроэнергии за час работы. Плита – 3 киловатт. Холодильник – 0,5 кВт. Добавляем телевизор с компьютером и освещение (по 0,5 кВт для каждого прибора), и получается суммарная мощность в 6,5 кВт. Также учитываем 30 процентов запаса, и конечный результат составляет 8,5 киловатт электроэнергии. Главное, чтобы подключение через розетку было правильным и допустимым.
Подключение генератора. Варианты схем АВР для генератора
Сразу скажу, что генератор тут ни при чём, это в данном случае всего лишь источник резервного питания. В качестве этого источника может быть не только генератор, но и вторая фаза, и фаза с другой подстанции или другой линии. Схемы Автоматического включения резерва (АВР) универсальны и могут работать в разных ситуациях.
В принципе, что тут подключать? У генератора есть обычная розетка, в комплекте штепсельная вилка, какие проблемы? Но куда идёт провод от вилки? И как сделать так, чтобы схема подключения была удобной, правильной, а главное – безопасной?
Казалось бы, что проще – поставить переключатель, и нет проблем.

1. Схема подключения генератора через переключатель
Так многие и делают, и я так делаю, в зависимости от финансовых возможностей клиента. Только не надо забывать о двух важных вещах:
- Не переключать под нагрузкой!
- Правильно подобрать защиту и ток рубильника (переключателя).
Но мы не ищем лёгких путей, нам подавай автоматику и защиту от аварий и человеческого фактора.
Поэтому предлагаю рассмотреть второй вариант схемы:

2. Схема подключения генератора через реле контроля напряжения. Простейшая схема АВР.
Во второй схеме АВР применяется реле контроля напряжения KV. Фактически это обычное реле, которое находится во включенном состоянии, когда напряжение из города в норме. И перекидной контакт будет в левом по схеме положении.
Когда напряжение из города пропадает, реле выключается, и схема приобретает изображенный вид – нагрузка питается от генератора.
Реле контроля напряжения – основа любой схемы АВР. Для однофазных схем это обычное реле, которое питается от основной фазы.
Для трехфазных схем применяется трехфазное реле контроля фаз, которое подробно описано в другой моей статье.
Идём далее, совершенствуем схему АВР для автоматического подключения генератора:

3. Схема подключения генератора через реле и контакторы. АВР с усилением
Третья схема отличается от второй тем, что она может пропускать через себя гораздо бОльший ток. Реле напряжения KV используется только по своему назначению – автоматически переключает нагрузку, подавая питание на катушку соответствующего пускателя.
Когда напряжение из города есть, KV включено, оно своим нормально открытым (НО) контактом включает контактор КМ1, и фаза L1 поступает на нагрузку (выход схемы L).
Когда напряжение из города поступать перестаёт, KV выключается, и своим НЗ контактом включает контактор КМ2, и фаза L2 поступает на нагрузку.
Схема прекрасная, и даже рабочая. Но использовать её крайне опасно. Из-за отсутствия защит от замыкания “фаза L1 на фазу L2”. Такое замыкание может произойти из-за неисправности (залипания контактов, заклинивания реле или контакторов), или из-за пресловутого человеческого фактора – что если колхозный электрик решит нажать пускатель КМ2, когда включен КМ1?
Так вот, чтобы на порядок уменьшить вероятность аварий, на практике применяется такая схема АВР для генератора:

4. Схема АВР для генератора с электрической и механической блокировками
Отличие её от схемы 3 всего лишь в том, что в неё введены защиты от одновременного включения контакторов КМ1 и КМ2. Защита имеет две ступени – электрическая и механическая.
Электрическая блокировка реализована на НЗ контактах КМ1 и КМ2, которые взаимоисключают одновременное включение пускателей.
А механическая (обозначена на схеме перевернутым треугольником) обеспечивается конструкцией пускателей. Пускатель в данном случае должен быть обязательно реверсивным, подробнее читайте в статье про схему включения реверсивного пускателя.
Ну а практическая схема автоматики, будет выглядеть так:

5. Схема АВР для подключения генератора с блокировками и защитами
Добавились двухполюсные защитные автоматы QF1 и QF2, и ещё силовой контакт, рвущий нолевой провод N1 в случае отключения города.
Рвать “городской” ноль нужно для дополнительной безопасности. Дело в том, что на выходе генератора нет понятия “рабочий ноль” и “фаза”, и названы они так могут быть условно. И в случае залипания “фазного” контакта, когда ноль N1 не разорван (как в схеме 4) в городскую линию пойдёт напряжение 220В.
Эту схему я и собрал, сейчас покажу как.
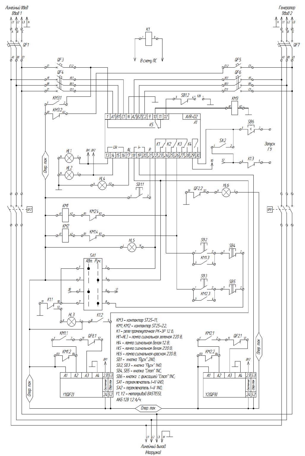
Ввод№1+генератор (резерв)
Ну и напоследок рассмотрим чаще всего применяемую схему АВР для частного дома – ввод№1+генератор.
Далеко не все имеют два независимых ввода, плюс еще и ДГУ. Зато наличие отдельно генератора у владельцев особняков, не такая уж и большая редкость.
Основное эл.снабжение осуществляется от первого ввода. Принцип работы здесь такой же как и рассмотренный выше.
При изменение параметров напряжения на выходе за его номинальные значения (резко упало или повысилось, исчезло), происходит смена источника оперативного напряжения. Контакт КМ3.1 размыкается, а контакт КМ3.2 замыкается.
Также размыкаются контакты 22 и 24. Пускатель QF2 выключается. Спустя три секунды AVR 02 дает сигнал на запуск генератора. После его прогрева, происходит замыкание контактов 22-26. Подается напряжение на катушку КМ2 и включается пускатель QF8.
Вся нагрузка переводится на генератор.
Опять же, спустя установленное время, происходит замыкание №22-№24, после чего включается КМ1 и QF2. Питание восстанавливается от основного ввода. При этом контакты 29-30 будут замкнуты пока генератор не охладится.
Время расхолаживания ДГУ лучше выставлять в районе 3-5 минут.
Как сделать простую схему автопереключения для генератора
Клацать переключателем всегда при пуске резервного агрегата неудобно, поэтому собирают простой узел автоматического переключения. Это не система автозапуска, ее задача — механическая смена ввода между сетями — магистралью и мини-станцией. Старт/глушение мотора все равно надо делать вручную.
Что потребуется:
- 2 пускателя (контакторы) — КМ1 и 2 с перекрестным подсоединением. Их исполнительными элементами являются контакты: силовые (КМк), нормально замыкаемые (КМнз);
- для полной автоматизации необходимо смонтировать реле времени для возможности прогрева.

Пока магистраль работоспособна, КМ1 замыкает КМк1, одновременно КМ1нз1 и КМ1нз2 расцепленные. При отключении первые размыкаются, а последние замыкаются. При старте, после истечения задержки реле, на КМ2 появляется ток, замыкаются КМк2, начинает подаваться резервное питание.
Когда же появляется основное питание, то активируется КМ1, расцепляются КМ1нз1 и 2, происходит обесточивание КМ2. КМк2 размыкаются, КМк1 смыкаются. Происходит переключение на главную линию. Нужно лишь помнить о необходимости отключения самого резервного аппарата.
Как правильно выбрать трехфазный генератор
Дизельный генератор трехфазный PACIFIC I T16K, SDMO (Франция) 11,6 кВт
При выборе фирменных агрегатов придется учесть следующие характеристики:
- вид энергоносителя;
- выходная мощность устройства;
- наличие дополнительных функций.
Вид топлива выбирается с учетом конкретных условий эксплуатации (удобства хранения горючего в жилом доме). Выходная мощность приобретаемого агрегата подбирается с учетом предполагаемой нагрузки, этот показатель варьируется от 5 до 6 кВт на каждую однофазную ветвь
При знакомстве с дополнительным функционалом особое внимание уделяется следующим возможностям:
- регулировка параметров 3-х фазного напряжения (его формы, в частности);
- возможность подключения дополнительных линий (нагрузочная способность);
- наличие электромагнитного реле-регулятора.
Схемы подключения
Разобравшись со вспомогательными вопросами, переходят непосредственно к подключению генератора к обслуживаемой линии.
Подключение через дополнительный распределительный автомат
Трехфазное подключение
Схема подключения автоматов от линии и генератора практически одна и та же, что позволяет ничего не изменять в действующей трехфазной электросети. Этот подход к включению в сеть частного дома является самым надежным и гарантирует успешную работу подсоединенного к ней оборудования. Для его реализации потребуется проделать следующие операции:
- Отключить вводный автомат 380 Вольт, обесточив домашнюю сеть.
- Установить в щитке новый 4-хполюсный автомат, выходные клеммы которого соединяются отрезками проводников с входными контактами всех линейных приборов.
- Кабель с выхода генератора с 4-мя жилами (3 фазы и нуль) подводится к новому автомату и каждая из них подключается к соответствующей клемме.
Если далее по схеме установлено УЗО, при проведении коммутаций учитывается разводка подключаемых к нему проводников (каждой из 3-х фаз и нуля).
Подключение через рубильник
Монтаж через рубильник
Перекидной рубильник – это тот же переключатель, но имеющий три положения. При его применении шины от генераторного устройства подсоединяются к одному комплекту полюсов, а подводящие жилы от высоковольтной линии – к другому. Центральный контактный набор выключателя, проводники от которого идут непосредственно к нагрузке, поочередно перекидывается в сторону ввода от ВВ или к генераторной подводке. В среднем положении рубильника вся домашняя сеть полностью обесточена.
Схема автоматического переключения
Избавиться от необходимости ручного выбора источника питания удается за счет использования схемы автоматического переключения подсоединяемой к нему нагрузки. В ее состав как минимум входят модуль управления и два пускателя (контакторы) с перекрестным подключением. Первый из этих узлов, изготавливаемый на основе микропроцессора, полупроводниковых транзисторов или аналоговых микросхем, выполняет следующие функции:
- распознавание ситуации с пропаданием электричества в основной питающей линии,
- последующее за этим отключение от нее потребителя,
- переключение его на отвод от 3-х фазного генератора.
В процессе работы модуля, распознающего пропадание централизованного энергоснабжения, формируется прямоугольный импульс, поступающий на исполнительное устройство (катушку контактора). Это приводит к автоматическому переключению коммутатора в режим работы от автономного генератора. При возобновлении основного питания другой управляющий импульс переводит систему в первоначальное положение.
Через розетку
Мобильная розетка
Чтобы подключить генератор к сети дома через розетку, потребуется внимательно ознакомиться с особенностями применения этого метода. Несмотря на свою простоту и удобство подключения, этот вариант имеет множество отрицательных сторон, выражающихся в следующем:
- необходимость постоянно следить за тем, чтобы вводный автомат был выключен,
- потребность в приобретении специальной 4-х полюсной розетки, рассчитанной на большие токи,
- ограничения по подключаемой к генератору нагрузке.
Способ включения через розетку является худшим из всех возможных. Его применение недопустимо при любых условиях.
Организация и устройство автоматизированного переключения
Чтобы не выполнять переключение рубильника вручную при отсутствии подачи электрической энергии, необходимо позаботиться о выполнении несложной схемы. Она позволит запустить бензиновый генератор на автомате, чтобы переходить от внешней сети к автономной.
Для монтажа потребуется приобрести пусковые устройства или контакторы в количестве двух штук. Они имеют перекрестное переключение. Когда они начинают работать, то задействуются силовые и замкнутые контакты. Они требуются для того, чтобы обеспечить время на прогревание агрегата. Для этой цели покупается реле с таймером.
При исчезновении энергии происходит отключение силовых контактов. В это время замкнутые перестают соприкасаться. Пользователи могут самостоятельно задавать оптимальное время, чтобы на катушку подавалась энергия и открывался резервный вход. После этого замыкаются силовые контакты на пускателе, который предназначен для резерва. В это время происходит подача электрического тока от бензинового генератора в домашнюю сеть.
Когда будет возобновлена централизованная подача напряжения в частный дом, произойдет срабатывание катушки основного пускателя. Силовые контакты замыкаются и происходит автоматическое выключение питания от генератора. Владелец дома должен отключить двигатель, чтобы остановить генерацию электрической энергии.
Выбор
Покупатель должен с самого начала определить, какие технические параметры для него — самые важные. Стоит присмотреться к таким показателям:
- Масса.
- Габариты.
- Мощность.
- Потребление топлива.
- Уровень шума.
- Длительность работы.
Автоматизация и цена вопроса — параметры, к которым тоже присматриваются
Это важно для тех, кто интересуется, как подключать генератор к сети дома, схема которой размещается на специализированных сайтах

Работа генераторов
По параметрам
Многие сначала ищут ответ на вопрос о том, сколько фаз должно быть у генератора для максимально удобной эксплуатации. Для этого нужно понять, какие электроприборы будут подключаться. Трёхфазные варианты допускают соединение как с одно-, так и с трёхфазными приборами. Однофазные сочетаются только с одним видом потребителей. Но это не означает, что модели с большим количеством фаз станут лучшими при любых обстоятельствах.
На каждой фазе максимальная нагрузка должна составить не более 30%. Значит, реально владельцы не смогут использовать больше трети от номинальной мощности, которой изначально обладает розетка. Например — номинальная мощность трёхфазного генератора равна 6 кВт. Значит, не более 2 кВт можно снять с обычной розетки на 220 В. Нагрузки всё равно требуется распределять по нескольким фазам при подключении однофазного генератора к трёхфазной сети дома.
Вам это будет интересно Все об подсветке потолка
Обратите внимание! Для мощности также проверяют параметры приборов, которые планируется подключать
При этом важно иметь запас хотя бы на 20-30%. Иначе можно столкнуться с такими проблемами, как перегрузка и остановка работы
Топлива тоже будет расходоваться слишком много
Иначе можно столкнуться с такими проблемами, как перегрузка и остановка работы. Топлива тоже будет расходоваться слишком много.

Работы по подключению
По типу
Выпускаются синхронные и асинхронные разновидности устройств. Выбор предполагает внимательное изучение характеристик каждой из существующих моделей.

Устройство сети
Асинхронные
Главная их проблема — неспособность воспринимать так называемые пиковые нагрузки. Хотя и эти приборы можно использовать для сохранения нормальных показателей по напряжению. Они подходят для совместной эксплуатации с техникой, чувствительной к перепадам по напряжению:
- Электронные устройства.
- Вычислительная техника.
- Медицинские приборы, поддерживающие бензиногенераторы.
Остаточная намагниченность ротора — главный источник энергии для таких приспособлений. Поэтому срок службы у асинхронных генераторов больше, чем у ближайших аналогов. Они не требуют применения систем с охлаждением, корпус агрегата полностью закрытый. Благодаря этому защита от пыли и влаги гарантирована в полном объёме.
Интересно! Асинхронный генератор невосприимчив к коротким замыканиям. Поэтому для сварочных аппаратов этот источник энергии — оптимальное решение. Но к перегрузкам подобные устройства могут быть весьма чувствительными. Поэтому запрещается их подключать к приспособлениям с первоначально высокими пусковыми токами.

Устройства с автозапуском
Синхронные
Качество тока в данном случае более низкое, если сравнить с предыдущим вариантом. Подходят, чтобы организовать аварийное питание при различных обстоятельствах:
- Офисы.
- Холодильные установки.
- Электрооборудование в дачах, загородных домах.
- Строительные объекты.
Есть у таких приборов и некоторые положительные качества:
- Устойчивость к кратковременным перегрузкам.
- Способность нормально переносить пиковые нагрузки, в том числе — при механической нагрузке.
Но защищённость от влаги с пылью и грязью хуже, чем у асинхронных конструкций. Ведь для охлаждения таким генераторам требуется пропустить через себя определённое количество воздуха. Синхронный генератор понадобится, если применяются приборы, работающие с реактивной нагрузкой. Тогда мощность будет меньше.

Перекидные рубильники
Фазность
О ней уже было сказано выше. Покупать трёхфазные генераторы стоит только при наличии в доме потребителя с соответствующими характеристиками. Если же все приборы однофазные — то и генератор выбирается такого типа. Это касается даже ситуаций, когда есть трёхфазная сеть, соединённая с домом.

Соединение с сетью
Разновидности генераторов
Бензиновый генератор DDE GG3300P
По виду используемого в агрегате топлива все известные генераторные устройства могут быть:
- бензиновыми;
- дизельными;
- агрегатами, работающими на газу или на дровах.
Первые два варианта привлекают внимание пользователей, взявших за основу готовый двигатель, работающий на бензиновом или дизельном топливе. По своему назначению известные образцы генераторов трехфазного тока делятся на основные и резервные агрегаты. Вопрос о способах включения в бытовую сеть касается и тех и других моделей
Вопрос о способах включения в бытовую сеть касается и тех и других моделей
По своему назначению известные образцы генераторов трехфазного тока делятся на основные и резервные агрегаты. Вопрос о способах включения в бытовую сеть касается и тех и других моделей.
Какой асинхронный двигатель нужен: характеристики ротора и статора

Асинхронный трехфазный привод – основная база для генератора переменного тока. Очень часто такие моторы списываются на предприятиях, поэтому найти его можно за низкую цену или бесплатно. Обязательные условия выбора, какой у него ротор и статор:
- Ротор у такого движка может быть фазный или короткозамкнутый;
- Статор – с тремя отдельными медными обмотками. Соединение витков между собой допускается по типу «треугольник» или «звезда».
Устройство и принцип работы такого привода состоит в том, что ротор (якорь) – вращающийся элемент, статор – неподвижный. У них обоих основу составляют изолированные стальные пластины. На этих пластинах расположены пазы, в которых идут витки обмотки.
В статоре выходы витков нужно подсоединить в клеммную коробку и установить перемычки для соединения. Кабель для питания также устанавливают здесь.
К каждой фазе статора подсоединяются идентичные напряжения, смещенные на угол, который составляет примерно треть круга. Эти синхронные подводки отвечают за формирование тока в витках статора.
В роторе подключение зависит от особенностей его строения: фазный или короткозамкнутый.
- Фазный ротор. У такого ротора витки обмотки аналогичны, как у статора. Их выходы нужно смонтировать на кольца, которые проводят контакт и соприкасаются со схемой запуска и прижимными щетками. Конструкция получается непростая, с ней нужно повозиться. К тому же нужно постоянно наблюдать за частотой вращения и смотреть, не разомкнулись ли контактные кольца, не отошли ли прижимные щетки. Поэтому лучше выбрать ротор короткозамкнутого типа. Или же сделать короткозамкнутый якорь из фазного ротора. Для этого концы обмотки не подключают к кольцам, а сочетают между собой – коротят.
- Короткозамкнутый ротор. Как мы уже сказали, он более удобный для самостоятельного создания генератора, так как, в отличие от синхронного генератора, схема у него простая. Кольца-перемычки своими концами соединены и закорочены, подвижных прижимных щеток-контактов нет. Получается все очень просто и надежно, поэтому именно такой якорь и советуем выбирать для своей самоделки.

























































