Характеристики блока управления
Блок питания – это электротехническая конструкция, основная задача которой преобразовать силу тока 220В в 12В или 24В в зависимости от требуемой величины рабочего напряжения. В большинстве случаев для питания светодиодных ламп используются импульсные блоки питания. Здесь ограничителями выступают резисторы. Есть распространенный аналог блока питания – драйвер, его недостаток заключается в отсутствии ограничителей тока.
При выборе блока питания для светодиодных лампочек требуется ознакомиться с характеристическими особенностями, которыми должно обладать устройство.
- Рабочее напряжение осветительного прибора.
- Суммарная мощность светодиодной ленты.
- Необходимость защиты корпуса БП от пагубных воздействий окружающей среды.
- Габаритные размеры конструкции.
Рабочее напряжение
Сравнительная таблица светодиодов
Рабочее напряжение светодиодных ламп в зависимости от модификации конструкции бывает – 12В, 24В и порой 36В. Рабочее напряжение управляемых светодиодных лент SPI составляет всего 5В. Для беспрепятственной работы выходное напряжение блока питания должно соответствовать установленным параметрам.
Существуют блоки питания, которые позволяют вручную регулировать силу выходного напряжения, их используют для реализации нестандартных проектов, а также, когда нужно компенсировать падение напряжения на длинных проводах.
Также существуют нестандартные модификации БП, оснащенные несколькими каналами. Каждое имеет разное выходное напряжение. Это может быть очень кстати, если запитать разные ленты на один источник.
Мощность осветительного прибора
Таблица мощности светодиодных лент
Выбрать блок питания по мощности необходимо следующим образом: мощность = суммарная мощность светодиодных ламп * коэффициент запаса КЗ (он равен 15-30%). Если пренебречь коэффициентом запаса при выборе, электрический прибор будет работать на пределе, его срок службы будет весьма ограниченным.
Для вычисления суммарной мощности светодиодной ленты требуется каждый метр ее длины умножить на мощность.
Габариты
Имеют большое значение размеры корпуса. Мощные БП могут быть габаритными, скрыть их будет практически невозможно, к тому же большинство из них оснащено встроенным вентилятором. Если потребуется подсоединить длинный участок ленты, можно пересмотреть схему подключения и использовать вариант эксплуатации нескольких меньших по размерам и мощности блоков.
PFC в характеристике трансформатора
Блок питания для светодиодной ленты 36W, 700mA, PFC
Порой на корпусе БП можно увидеть маркировку PFC, которая в переводе с английского означает коррекция реактивной мощности. Этот параметр указывает, на каком именно схемотехническом решении спроектирована данная модель, что позволяет уменьшить потребляемую мощность.
Таким модификациям свойственно высокое значение коэффициента мощности, они относятся к моделям высокого качества с низким пусковым током. Еще одно преимущество таких моделей заключается в том, что при большом количестве одновременно используемых БП нет необходимости устанавливать и эксплуатировать специальные пусковые автоматы.
Блок питания – это электротехническая конструкция, без которой не обойтись при установке светодиодных ламп дома, на работе, в гараже и т.д.
Электрическая схема
Касательно электрической части между светодиодными лампами на 220В разных ценовых категорий также много отличий. В этом можно убедиться сразу после демонтажа рассеивателя. Достаточно рассмотреть качество пайки SMD элементов и соединительных проводов.
Недорогой китайской лампы на 220В
В лампочках стоимостью 2-3$ отсутствует какая-либо симметрия на плате со светодиодами, что свидетельствует о ручной пайке, а провода выбраны с минимально возможным сечением. Вместо надежного драйвера в них собрана простая схема бестрансформаторного питания с конденсаторами и выпрямителем. Напряжение сети сначала снижается неполярным металлопленочным конденсатором, выпрямляется, а затем сглаживается и повышается до нужного уровня. Ток нагрузки ограничивается обычным SMD резистором, который расположен на печатной плате со светодиодами. 
Фирменной светодиодной лампы
Фирменная светодиодная продукция отличается не только приятным внешним видом, но и качеством элементной базы. Непосредственно драйвер имеет более сложное устройство и зачастую собирается одним из двух способов. Первый предусматривает наличие импульсного трансформатора, импульсного преобразователя напряжения с последующей стабилизацией тока нагрузки.
Во втором случае обходятся без трансформатора, а основная функциональная нагрузка ложится на специальную микросхему – сердце драйвера. Её универсальность в том, что она стабилизирует входное напряжение, поддерживает выходной ток с заданной частотой (ЧИМ) или шириной импульса (ШИМ), допускает возможность диммирования, имеет систему отрицательной обратной связи. В качестве примера можно назвать, например, CPC9909. 
Как рассчитать драйвер

Чтобы рассчитать драйвер питания для светодиодов со стабильным током:
- составьте на бумаге схему подключения;
- если драйвер китайский, то желательно проверить выдержит он заявленную мощность или нет;
- учитывайте, что для разных цветов (синий, красный, зеленый) разное падение вольт;
- суммарная мощность не должна быть выше, чем у источника тока.
Нарисуйте схему включения, на которой распределите элементы, если они подключены не просто последовательно, а комбинировано с параллельным соединением.

На китайском блоке питания неизвестного производителя мощность может быть значительно ниже. Они запросто указывают максимальную пиковую мощность, а не номинальную долговременную. Проверять сложнее, надо предельно нагрузить блок питания и замерить параметры.
Для третьего пункта используйте примерные таблицы для 1W,3W, 5W, 10W, 20W, 30W, 50W, 100W, которые приведены выше. Но больше доверяйте характеристикам, которые вам дал продавец. Для однокристальных бывает 3V, 6V, 12V.

Если энергопотребление цепи в сумме превысит номинальную мощность источника питания, то ток просядет и увеличится нагрев. Он восстановится до нормального уровня, если снизить нагрузку.

Для светодиодных лент сделать расчёт очень просто. Измерьте количество Ватт на 1 метр и умножьте на количество метров. Именно измерьте, в большинстве случаем мощность завышена и вместо 14,4 Вт/м получите 7 Вт/м. Ко мне слишком часто обращаются с такой проблемой разочарованные покупатели.
Устройство, конструкция и технологические отличия
Существует много признаков, по которым можно классифицировать светодиоды на группы. Одним из них является технологическое отличие и небольшое различие в устройстве, которое вызвано особенностью электрических параметров и будущей сферой применения светодиода.
DIP

Излучающий кристалл располагается на катоде, который имеет форму флажка, и соединяется с анодом тончайшим проводом. Существуют модели с двумя и тремя кристаллами разного цвета в одном корпусе с количеством выводов от двух до четырёх. Кроме этого, внутри корпуса может быть встроен микрочип, управляющий очередностью свечения кристаллов либо задающий чистоту его мигания.
В попытках нарастить световой поток, появился аналог с усовершенствованным устройством в DIP корпусе с четырьмя выводами, известный как «пиранья». Однако увеличенная светоотдача нивелировалась размерами светодиода и сильным нагревом кристалла, что ограничило область применения «пираньи». А с появлением SMD технологии их производство практически прекратилось.
SMD

Основа корпуса, на которую крепится кристалл, является хорошим проводником тепла, что в разы улучшило отвод тепла от светоизлучающего кристалла. В устройстве белых светодиодов между полупроводником и линзой присутствует слой люминофора для задания нужной цветовой температуры и нейтрализации ультрафиолета. В SMD-компонентах с широким углом излучения линза отсутствует, а сам светодиод имеет форму параллелепипеда.
COB

технологии COB
Разновидностью COB является Chip-On-Glass (COG), которая подразумевает размещение множества мелких кристаллов на поверхности из стекла. В частности, широко известны филаментные лампы на 220 В, в которых излучающим элементом служит стеклянный стержень со светодиодами, покрытыми люминофором.
Основные критерии выбора блока питания для светодиодной ленты 12в
Чтобы в огромном многообразии представленных в торговых сетях адаптеров для светодиодной ленты, подавляющее большинство которых – продукция «ноунейм» китайского производства, выбрать надежный блок, необходимо будет обратить внимание на ряд конструктивных особенностей
Метод преобразования
В первую очередь, выбор блока питания для светодиодной ленты следует остановить на моделях, работающих по импульсной схеме преобразования напряжения. Китайские умельцы, экономя на деталях и материалах, часто выдают обычный трансформатор для светодиодных лент за импульсный источник питания. Во-первых, у них разный КПД. Как уже отмечалось, для импульсного – 90-98%, для обычного – не более 50%. Во-вторых, обычный трансформатор сильно нагревается во время работы, что недопустимо при совместном размещении СЛ и питающего устройства на одной dim-планке. В-третьих – во время работы такое устройство будет шуметь, создавая постоянный гул.
Охлаждение
Существует два типа охлаждения адаптеров для светодиодной ленты:
Пассивное – в нем охлаждение происходит за счет отдачи тепла, выделяемого при работе трансформатора на корпус устройства. Для маломощных устройств (до 60 Вт) корпус может быть выполнен из термостойкого полимера. Более эффективны блоки питания, имеющие перфорированный стальной или алюминиевый корпус с пластинами радиатора.
Активное – в таких блоках питания для светодиодов устанавливается вентилятор, поток воздуха от которого направлен на трансформатор. Используется в БП большой мощности – выше 500 Вт.
Выходное напряжение
Выходное напряжение блока питания светодиодной ленты должно соответствовать типу СЛ. Нельзя подключать ленту, рассчитанную на 12 вольт к БП выдающему 24 или 36 вольт. На заводской продукции параметры обязательно указываются на шильде, прикрепленной к корпусу устройства.
Расчет мощности блока питания для светодиодной ленты
Многие не знают, как рассчитать трансформатор светодиодной ленты? Правильно подобрать источник питания светодиодной ленты необходимой мощности можно путем не сложных расчетов, используя формулу:
P = (P1+P22..Pn)*K*J
Где:
- P – общая мощность всех потребителей (рассчитывается в Ваттах (W);
- P1, P2, Pn – значения мощности подключаемых СЛ;
- К – коэффициент одновременности: сколько светодиодных лент будет одновременно подключено к одному блоку питания. Практически, используется значение 0,8. Для надежности можно использовать 1;
- J – коэффициент запаса. Используется для создания резерва мощности, для защиты от перегрева. Обычно значение принимают равным 1,5 – 2.
Дополнительные функции
В чистом виде блок питания – функциональное и недорогое устройство, не всегда удобное в работе. Для того, чтобы повысить комфортность для потребителя, производители стремятся совместить в одном корпусе несколько устройств:
- собственно блок питания;
- диммер – устройство, позволяющее регулировать яркость свечения ленты;
- блок дистанционного управления – с пультом, работающим на ИК-лучах.
Область применения
Если еще десять – двадцать лет тому назад светодиодные лампы были настоящей диковинкой, то сегодня они стали полноправными фаворитами рынка. Их можно встретить в самых различных сферах человеческой деятельности:
- В освещении открытых территорий, площадок, парков;
- Для освещения бытовых и производственных помещений;
- Создания декоративной подсветки и украшения, как помещений, так и элементов ландшафта;
- В пожароопасных зонах и особо влажных помещениях;
- В автомобилях и механизации транспортных средств;
- Для работы устройств сигнализации, телемеханики и управления.
Но и этот список не является окончательным, за счет развития и совершенствования технологий, светодиодные лампы продолжают расширять область применения.
Подключение проводов и клемм
После того, как определились с типом и мощностью, необходимо выполнить правильное подключение. На всех блоках обязательно идет маркировка клемм. Перепутать бывает сложно. Главное разобраться, что означают эти надписи.
Первые клеммы обозначают как L и N. Это контакты подключения напряжения питания 220 Вольт. L – это фаза, N – ноль.
Но по-большому счету, фазировка или полярность здесь не важны. Поэтому не обязательно выяснять, где у вас в проводке ноль, а где фаза. Блок будет работать одинаково.
Конструктивно в БП на входе стоит мостовой выпрямитель, и ему все равно к какой паре диодов будет подана фаза. Хотя предохранитель изначально и стоит в фазной цепи L.
Обратите внимание, что некоторые блоки могут подключаться как в сеть 220В 50Гц, так и 110В 60Гц (напряжение в США). Для этого у них сбоку имеется переключатель
Выставьте его в положение 220V, иначе при первом подключении можете спалить внутренние элементы прибора.
Затем идет значок заземления. Это место куда подключается заземляющий проводник, если у вас трехпроводная сеть и дома есть нормальный контур заземления.
Когда в розетках дома только фаза и ноль, без заземляющего провода Pe – данная клемма остается пустой. Ничего подключать на нее не нужно.
+V-V
Иногда вместо “-V” может быть надпись “COM”.
При подключении светодиодной ленты 12-24В обязательно соблюдайте полярность.
Соответственно “+V” это место, куда подключается плюсовой провод, а “-V” – минусовой.
На тех корпусах, где +V и -V по 4шт и более, все эти выхода запараллелены. Поэтому без разницы, куда вы подключите 4 провода от 2-х лент, под две клеммы “+” и “-” или под четыре.
Однако производители рекомендуют при параллельном подключении нескольких лент, использовать все клеммы блока питания.
Чем мощнее БП, тем больше у него выходных клемм для подключения светодиодных лент.
Когда для вас не принципиальны габариты, то можно даже поставить б/ушный блок питания от компьютера. Главное, чтобы его характеристики подходили.
То есть, выходное стабилизированное напряжение 12 или 24В, и необходимая мощность с 30% запасом. Правда, такие модели обычно идут с вентилятором и будут сильно шуметь, имейте это ввиду.
+-
Когда лента уже идет с припаянными проводами, то как правило, черный цвет обозначает минус, а красный – плюс.
Однако доверяться только цветам не стоит. Всегда проверяйте саму ленту.
Советы специалистов
Выбирая блок питания для светодиодных ламп, нужно знать, чем отличаются существующие их виды. Специалисты в области светотехники дают несколько советов. Мастера утверждают, что при использовании в схеме драйвера светодиоды могут работать на полную мощность. Это объясняется отсутствием необходимости понижать напряжение. В этом случае светодиоды не выйдут из строя из-за повышения мощности.
Если же питание осуществляется при помощи блока питания, часть напряжения будет расходоваться из-за нагрева резисторов. Последние отвечают за ограничение напряжения при скачке показателей тока. Поэтому, запитав систему при помощи драйвера, можно значительно продлить срок службы светодиодов. Ток в этом случае никогда не превысит допустимое значение.
Стоит учесть, что драйвер представляет собой прибор, который предназначен для тока с определенными характеристиками, заданной мощности. Поэтому желая собрать или отремонтировать блок питания из светодиодной лампы своими руками, нужно подбирать его в соответствии с количеством и типом светодиодов. Их мощность должна соответствовать выбранному питающему устройству.
Обычный блок питания можно применять для любых электрических приборов, а драйвер специально предназначен для светодиодов. Это обязательно учитывают при покупке прибора. Существует ряд факторов, которые влияют на выбор типа питающего устройства.
Преимущества и недостатки 12-вольтового освещения
Самое главное преимущество светодиодных лампочек на 12, 24 или 36 В связано с их высокой экономичностью. В процессе монтажа нет необходимости тратить деньги на размещение вспомогательных элементов, прокладывать защитные кабель-каналы. Низкое напряжение делает устройства намного более безопасными, чем осветительные приборы, питаемые от сети 220 В. Это позволяет эксплуатировать лампы в комнатах разного предназначения с высоким уровнем влажности (подвалы, бассейны, ванные).

Экономичность достигается и при эксплуатации оборудования. Для получения светового потока, который обеспечивается лампой накаливания на 60 Вт, достаточно светодиодного источника света мощностью на 6–7 Вт.
Производители выпускают изделия со стандартными цоколями, что упрощает замену галогенок и ламп накаливания на светодиодные, оснащенные идентичным держателем. При этом нужно учитывать дополнительные параметры, включая световой поток и габаритные размеры.
Теперь перейдем к недостаткам. В бытовых условиях светодиодные лампочки 12 В подключаются через понижающий трансформатор, устанавливаемый перед светильником и уменьшающий напряжение до нужных значений. Понижающие трансформаторы могут характеризоваться внушительными габаритами, поэтому при размещении в люстрах или потолочных конструкциях должно быть предусмотрено свободное место. Реализовать такую схему получается не всегда.

Из-за низкого вольтажа такие источники света характеризуются повышенной величиной тока. По этой причине нужно выбирать проводники правильной длины. Чем больше протяженность кабеля, тем выше сопротивление. Повышение последней величины негативно сказывается на качестве освещения.
Основные критерии выбора
Чтобы подобрать блок питания светодиодной ленты, нужно обратить внимание на такие ключевые характеристики данного устройства:
- значение выходного напряжения – оно в обязательном порядке должно соответствовать по показателю осветительному прибору;
- показатель мощности устройства – рассчитывается по специальной формуле;
- уровень защиты;
- наличие дополнительных функций.
Выбирая источник питания, также нужно учесть его стоимость. Защищённые от влаги модели будут стоить дороже. На ценообразование влияет метод преобразования устройства и его мощностные показатели.
Метод преобразования
Принцип работы импульсного блока питания
По способу преобразования блоки питания можно разделить на 3 основных типа:
- линейные;
- бестрансформаторные;
- импульсные.
Источники питания линейного типа изобрели ещё в прошлом столетии. Они активно использовались до начала 2000-х годов, до появления на рынке импульсных устройств. Сейчас практически не применяются.
Бестрансформаторные модели малопригодны для питания светодиодных светильников. Они обладают сложной конструкцией – напряжение 220В в них уменьшается посредством RC-цепи с последующей стабилизацией.
Основной серьёзный минус – блок нельзя включать без нагрузки. В противном случае может выйти из строя силовой транзистор. На современных моделях эту проблему решили при помощи обратной связи. В итоге на холостом ходу напряжение на выходе не выходит за пределы допустимого показателя.
Охлаждение
В зависимости от применённой системы охлаждения блоки питания разделяются на 2 типа:
- Активное охлаждение – устройство оснащается внутрикорпусным вентилятором, отвечающим за эффективность охлаждения. Такая конструкция даёт возможность взаимодействовать с достаточно высокими мощностями. При этом вентилятор может гудеть и его периодически нужно чистить, так как с воздушным потоком внутрь корпуса попадает пыль.
- Охлаждение пассивного типа – устройство не оборудуется вентилятором (естественное охлаждение). Такие источники питания очень компактны, но при этом подходят исключительно для использования в быту, так как рассчитаны на малые нагрузки.
Исполнение
Компактный блок питания для светодиодной ленты
По типу исполнения блоки питания разделяются на такие конструкции:
- Малогабаритный пластиковый корпус. Такое устройство внешне схоже с блоками питания от ноутбуков и обладает разборным корпусом из пластика. Модели данного класса функционируют стабильно и будут оптимальным вариантом для использования в сухих помещениях.
- Герметичный корпус из алюминия. Конструкционные особенности, герметичность и прочность используемого материала, позволяют применять такой светодиодный блок в помещениях с повышенной влажностью. Он устойчив к воздействию влаги и выделяется длительным эксплуатационным сроком.
- Корпус из металла с вентиляционными отверстиями. Такие устройства не защищены от внешних воздействий, поэтому монтируются в специальные закрытые коробки. Корпус открытого типа даёт возможность быстро перенастроить блок.
Выходное напряжение
Данная характеристика устанавливает, в какой номинал напряжения преобразует источник питания исходное сетевое напряжение 220В. Обычно это 12В и 24В постоянного или переменного типа. Наиболее распространёнными являются светодиодные ленты на 12В с напряжением постоянного типа. Соответственно, для них нужен блок питания маркировки DC12V.
Мощность
Потребление светодиодов
В отдельных ситуациях в расчёте мощности источника питания просто нет надобности. Например, если нужно подсоединить 1 метр ленты на светодиодах класса SMD с питанием 12В, подойдёт любой блок с неизменным напряжением на выходе 12В. Если же предполагается более мощная нагрузка, нужно будет воспользоваться формулой расчёта.
Подобрать мощность источника питания можно исходя из максимальной длины светодиодной ленты и от показателя потребления 1 метра изделия. Для облегчения такой задачи производители прописывают требования к источнику питания в инструкции к LED-ленте.
Дополнительные функции
Блок питания с пультом управления
Кроме основных характеристик, при выборе блоков питания внимание нужно обращать на наличие в них дополнительных функций:
- могут быть тривиальными и исключительно обеспечивать питание;
- более функциональные модели обладают встроенным диммером;
- отдельные устройства оснащаются инфракрасным датчиком или радиоканалом для управления при помощи пульта ДУ.
Элементы электрических цепей
Все элементы электрических цепей можно разделить на активные и пассивные. Активные элементы цепи – это те элементы, которые индуцируют ЭДС. К ним относятся источники тока, аккумуляторы, электродвигатели. Пассивные элементы – соединительные провода и электроприемники.
Приемники и источники тока, с точки зрения топологии цепей, являются двухполюсными элементами (двухполюсниками). Для их работы необходимо два полюса, через которые они передают или принимают электрическую энергию. Устройства, по которым ток идет от источника к приемнику, являются четырехполюсниками. Чтобы передать энергию от одного двухполюсника к другому им необходимо минимум 4 контакта, соответственно для приема и передачи.
Резисторы – элементы электрической цепи, которые обладают сопротивлением. Вообще, все элементы реальных цепей, вплоть до самого маленького соединительного провода, имеют сопротивление. Однако в большинстве случаев этим можно пренебречь и при расчете считать элементы электрической цепи идеальными.
Существуют условные обозначения для изображения элементов цепи на схемах.
Кстати, подробнее про силу тока, напряжение, сопротивление и закон Ома для элементов электрической цепи читайте в отдельной статье.
Вольт-амперная характеристика – фундаментальная характеристика элементов цепи. Это зависимость напряжения на зажимах элемента от тока, который проходит через него. Если вольт-амперная характеристика представляет собой прямую линию, то говорят, что элемент линейный. Цепь, состоящая из линейных элементов – линейная электрическая цепь. Нелинейная электрическая цепь – такая цепь, сопротивление участков которой зависит от значений и направления токов.
Какие есть способы соединения элементов электрической цепи? Какой бы сложной ни была схема, элементы в ней соединены либо последовательно, либо параллельно.
При решении задач и анализе схем используют следующие понятия:
- Ветвь – такой участок цепи, вдоль которого течет один и тот же ток;
- Узел – соединение ветвей цепи;
- Контур – последовательность ветвей, которая образует замкнутый путь. При этом один из узлов является как началом, так и концом пути, а другие узлы встречаются в контуре только один раз.
Чтобы понять, что есть что, взглянем на рисунок:
Кстати! Для наших читателей сейчас действует скидка 10% на любой вид работы
Нужен ли драйвер или достаточно обычного БП
Чтобы ответить на этот вопрос, надо разобраться, что такое драйвер и в чем состоят его функции. Известно, что параметром, задающим режим работы светодиодов, является ток. Если он ниже номинального, LED будет светить менее ярко. Если ток выше установленного производителем, светодиод излучает более яркий свет, но срок службы его сокращается. При определенном значении полупроводниковый прибор мгновенно выходит из строя.
Под драйвером в данном случае подразумевается блок питания, который выполняет две функции:
- ограничение тока через светодиод;
- поддержание этого тока на установленном уровне вне зависимости от параметров напряжения на входе (стабилизация тока).
Вторая функция также решает вопрос компенсации всплесков входного напряжения, также значительно сокращающих ресурс светоизлучающих диодов.

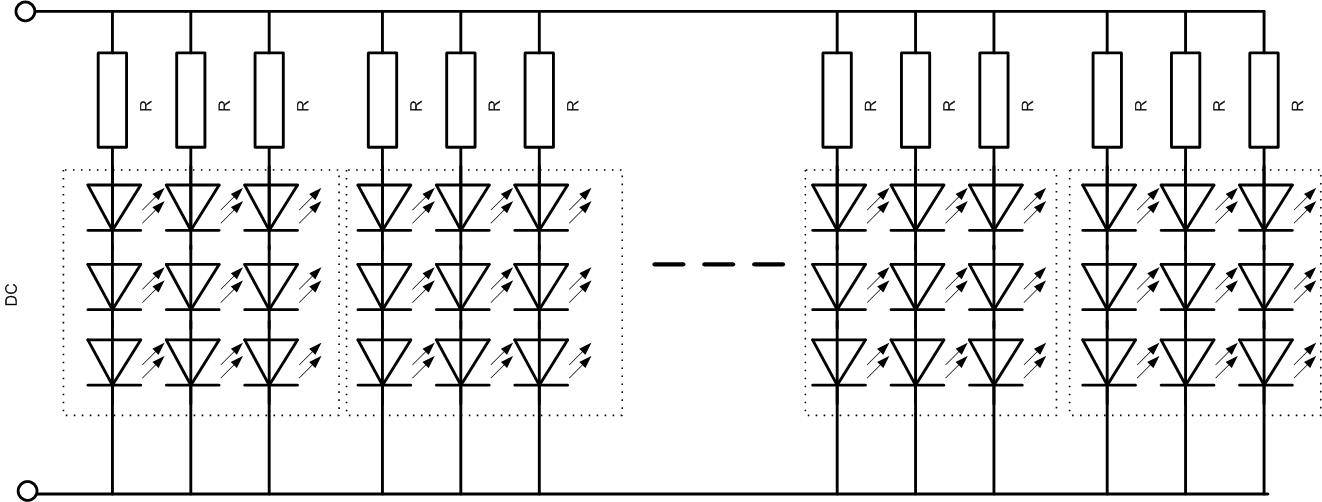
Схема электрическая принципиальная светодиодной ленты.
При изучении схемы светодиодной ленты становится понятно, что она состоит из параллельно соединенных ячеек, выполненных из последовательно включенных резистора и LED. Резистор ограничивает ток, но стабилизировать его не может – яркость будет меняться синхронно с изменением входного напряжения. Если это напряжение стабилизировать, то, по закону Ома, ток также будет стабильным (при неизменном сопротивлении). Отсюда вывод – если выбрать источник питания со стабилизацией напряжения, драйвер не нужен.
Выбор варианта питания
Если лампы освещают помещение, не требующее особенного качества света, то вполне возможно использование блоков питания трансформаторного или импульсного типа. В этом случае не будут особенно заметны пульсации света из-за скачков напряжения.
В случае, когда необходим поток света высокого качества, а также если этот светильник потребляет большую мощность, то рекомендуется использовать драйвер.
На выбор блоки питания влияет также место расположения светильника. В частности, это влияет на степень защиты. В жилом помещении она должны быть ниже, а в агрессивной среде с пылью, влагой требования будут более высокими.
Основные параметры выбора
Технико-эксплуатационных характеристик у ламп накаливания много. Перечислим основные из них:
- Цветовая температура. Ее значение находится в диапазоне 2700–6500 К. В зависимости от конкретной величины при свечении лампы может быть больше холодного (белого) или теплого (желтого) света.
- Световой поток. Данный параметр у светодиодных изделий обычно высок и достигает 600 Лм.
- Долговечность — средняя продолжительность эксплуатации осветительных приборов составляет 50 000 часов.
- Мощность — от 0,4 до 8 Вт.
- Наличие драйвера. На самом деле устройства, функционирующие исключительно от сети на 12 или 220 В, встречаются редко. Чаще всего производители выпускают светодиодные лампы с широким диапазоном напряжения — к примеру, 150–250 В. Это значит, что таким устройствам не страшны какие-либо серьезные перепады напряжения.
- Габаритные размеры. Зачастую данное оборудование используется для замены галогенных ламп, поэтому производители стремятся максимально упростить процесс монтажа изделия и предоставить больше свободы за счет уменьшения габаритов.
- Количество светодиодов.

На упаковке изделия обычно указывается оттенок света при эксплуатации ламп, что существенно облегчает выбор.

























































