Как сварить котел отопления своими руками
Схема изготовления котла длительного горения с теплообменником
До того как самому сварить котел отопления, нужно определиться с его конструкцией. Предпочтительно, чтобы она соответствовала современным требованиям к безопасности и эффективности работы. Поэтому в качестве примера будет рассмотрен котел пиролизного типа, изготовленный самостоятельно.
Как правильно сварить котел отопления подобного типа? Помимо сварочного аппарата для этого потребуются следующие материалы и инструменты:
- Листовая сталь, марки которой подбираются из данных таблицы, показанной выше. Для камеры сгорания толщина металла должна составлять 3-4 мм. Корпус можно сделать из стали меньшей толщины – 2-2,5 мм;
- Трубы для изготовления теплообменника. Их оптимальный диаметр 40 мм. Такой размер позволит быстро нагреть теплоноситель. Количество регистров — от 3 до 6;
- Как сварить котел отопления без режущего инструмента? Лучше всего для разрезания листов стали использовать «болгарку» со специальными дисками по металлу;
- Дверцы для топочной камеры и поддувала. Также нужно приобрести чугунные колосники. Это необходимо сделать заранее, так как по размерам комплектующих будут изготавливаться проемы и крепежные части котла;
- Уровень, рулетка и карандаш (маркер) для нанесения разметки;
- Защитный инвентарь – перчатки, маска сварщика, прозрачные рабочие очки и одежда из плотного материала с длинными рукавами.
Для наглядности можно посмотреть, как сварить отопление в частном доме. Видео или фотоматериалы помогут в работе, так как в них наглядно показаны все этапы и особенности их выполнения. Однако это нужно сделать только после составления чертежа и подготовки всех инструментов и комплектующих. Это относится ко всем этапам изготовления комплектующих, так как сварить отопление своими руками, включая котлы, регистры, гребенки, невозможно без правильной схемы.
Важно также подготовить место работы до того как сварить отопление в гараже. Чаще всего процесс изготовления проходит именно в нем. Для начала нужно обеспечить максимальное свободное пространство, убрав лишние предметы
Для начала нужно обеспечить максимальное свободное пространство, убрав лишние предметы.
В целях безопасности также из гаража следует вынести легковоспламеняющиеся жидкости – бензин, масло и т.д. И только после этого можно приступать к работе — сваривать отопление в гараже. Правильная сварка котла отопления заключается в изготовлении двух составляющих – непосредственно корпуса котла и теплообменника.
Теплообменник
Теплообменник для котла отопления
Этот элемент изготавливается до того, как сваривается котел отопления. Впоследствии он будет установлен в конструкцию, которая будет напрямую зависеть от его фактических габаритов.
Конструктивно он представляет собой 2 прямоугольных бака, соединенных между собой трубопроводами. Оптимальная толщина материала должна составлять 3-3,5 мм. Это связано с высокими температурами, которые будут воздействовать на поверхность. Специфику его изготовления можно посмотреть на видео — как сварить отопление в частном доме.
На листах стали делается разметка конструкции согласно чертежам. Сначала вырезается задняя панель и к ней приваривается перегородка для отведения дровяных (угольных) газов. На этом этапе нужно быть очень осторожным, так как сварной шов не всегда может обеспечить должное крепление. Затем к перегородке и задней стенке приваривается боковая и нижняя.
Нужно отметить, что самому сварить котел отопления довольно проблематично. Поэтому эту работу рекомендуется выполнять вдвоем. В особенности это касается этапа установки готового теплообменника. Его патрубки помещаются в заранее подготовленные отверстия, а трубы точечно привариваются к внутренним стенкам котла.
Нередко стоит вопрос — как сварить отопление внутри гаража без принудительной вентиляции. Для этого работы должны проводиться только с открытыми воротами, чтобы обеспечить нормальный приток свежего воздуха.
Основной проблемой самодельных конструкций является низкая эффективность работы. Для увеличения КПД рекомендуется делать двойные стенки, между которыми устанавливается базальтовый огнеупорный теплоизолятор. Сварить подобный котел своими руками для водяного отопления можно, но для этого нужно предусмотреть дополнительный расход материала. Сначала изготавливаются двойные стенки, которые заполняются утеплителем. Затем дальнейшая технология сварки конструкции полностью соответствует вышеописанной.
Виды котлов по потреблению электроэнергии
Приборы на твердом топливе могут быть энергозависимыми и энергонезависимыми. Некоторые процессы первых управляются электронными блоками, а работа вторых регулируется механически.
Энергонезависимые
Подобные агрегаты отлично подойдут для обустройства отопительных систем, не нуждающихся в циркуляционном насосе, а также тех, где все происходит естественным путем. Традиционным классическим приборам и части модельного ряда длительного горения электроэнергия для работы не требуется. Их можно размещать в районах с частым отключением электричества или использовать в качестве резервного обогревателя для частного домика.
Энергозависимые
В конструкции некоторых аппаратов присутствуют вентиляторы, предназначенные для подачи воздуха в камеру сгорания. Такие приборы не могут обойтись без подключения к электрической сети, так как управление этими элементами происходит с помощью электронной панели. К подобным агрегатам относятся пеллетные, пиролизные и большая часть котлов длительного горения.
Твердотопливный котел: общее описание
Твердотопливный котел — устройство, которое вырабатывает тепловую энергию при сжигании топлива.
Отсутствие влияния внешних факторов (стабильности подачи электроэнергии, возможности подключения к газопроводной магистрали и отсутствие газгольдера, цен на дизтопливо) объясняет частоту выбора для индивидуальных систем отопления агрегатов, работающих на твердых видах горючего.
Выпускаются модели с широким диапазоном характеристик, доступных функций, разной степенью автономности.
Принцип работы
После загрузки и розжига под действием тяги горячие газы проходят вдоль элементов теплообменника, нагревая воду внутри труб. Продукты сгорания отводятся через патрубок в дымоход. Жидкость циркулирует в системе, нагревая радиаторные секции. По мере расхода топлива выполняется его повторная подача в ручном или автоматическом режиме.
Устройство
Основу конструкции составляет топка, состоящая из портала для загрузки, колосников для организации воздухоподачи и зоны дымоотведения. Зола собирается в отдельную емкость. Для теплообмена предусмотрена водяная рубашка, в которой циркулирует жидкость. Терморегуляция и контроль нагрева выполняются заслонкой и шиберами.
Устройство твердотопливного котла.
Области применения
Для дачи, загородного дома, производственного предприятия, промышленного цеха, технологических зданий, частных мастерских твердотопливная котельная — экономичный, надежный вариант организации отопления. Объект может эксплуатироваться периодически или на постоянной основе.
Разновидности устройств и их характеристики
Отопители бывают таких типов:
- Классические. Нагнетают кислород в топку вентилятором. Это позволяет регулировать интенсивность выработки тепла.
- Верхнего горения. Характеризуются меньшим КПД. Особенностью является большая топка, в которой сжигание сырья происходит сверху вниз. При этом тепловая нагрузка распределяется равномерно, но вода нагревается медленно.
- Пиролизные. Характеризуются высоким КПД. Энергия генерируется не в процессе сжигания топлива, а при тлении газа. Он продолжает гореть в другом отсеке, обеспечивая долгий нагрев.
- Шахтные. Топочная камера устроена вертикально, занимает половину площади. Сжигание сырья начинается снизу. Верхние слои угля постепенно проседают, смешиваясь с золой, что обеспечивает медленное тление.
Самые популярные модели металлических дровяных печей
А теперь о металлических печах, которые пользуются неизменной популярностью у дачников:
Огонь-батарея, Термофор
Особенность модели в том, что в ней можно регулировать тягу вплоть до режима тления, при котором печь может работать 8 часов. Это устройство пользуется постоянным спросом и, по отзывам покупателей, практически не имеет недостатков.
Это печь длительного горения от новосибирской компании выпускается в четырёх модификациях, все они оснащены теплообменником для воды
Прогрев помещения происходит за 40 минут. Огонь–батарея выдерживает даже экстремальный нагрев докрасна. При правильном устройстве дымохода – вверх или назад, проблем с задымлением не возникает.
Матрица, Теплодар
Здесь тоже предусмотрен режим тления с временным интервалом закладки дров в 8 часов. Эффективность прогрева воздуха обеспечивается щелевым конвектором, а сама печка имеет жаростойкую стеклянную дверцу, через которую можно контролировать интенсивность сжигания топлива.
Это самая популярная модель от российского производителя имеет две модификации и может обогревать площадь до 200 м²
В Матрице есть варочная панель. Специалисты рекомендуют, перед установкой печки, первую топку сделать на открытом воздухе, чтобы выгорело масло и краска. Пользователи отмечают, что для прогрева помещения достаточно десятка поленьев.
Типы котлов и принцип их работы
Все котлы, работающие на твердом топливе, подразделены на несколько типов, которые отличаются между собой многими показателями. Но по основным характеристикам, их подразделяют на четыре вида:
- Классические;
- Пиролизные котлы отопления;
- Котлы длительного горения;
- Автоматические;
Классические котлы— принцип работы классического твердотопливного котла заключен в том, что тепло дается путем пламенного сгорания топлива. Имеет две дверцы, через одну из которых загружается топливо, через другую — котел чистится от золы и других продуктов горения. Могут работать на двух видах топлива — дрова и уголь.
Отличаются по материалу изготовления теплообменника, могут быть изготовлены из чугуна или стали. Чугун является более приоритетным в плане долговечности, срок его эксплуатации более 20 лет. Из недостатков можно отметить тот факт, что он боится механических ударов и очень чувствителен к перепадам температур, что может привести к разрушению. Стальной теплообменник более устойчив к перепадам температур и повреждениям, но срок его службы значительно ниже — чуть больше 6 лет.
Пиролизные (газогенераторные) котлы— данный вид котла работает по принципу пиролиза, то есть разложения и газификации твердого топлива. Этот процесс происходит при закрытом дымоходе и закрытой камере сгорания. После высвобождения древесного газа, образовавшегося в процессе пиролиза, он направляется в сопло горелки, где смешивается с вторичным воздухом, который накачивает вентилятор. После этого газовая смесь попадает в камеру сгорания, где воспламеняется. Горение происходит при температуре, которая иной раз достигает 1200°, и процесс будет продолжаться до полного сгорания твердого топлива.
Котлы длительного горения— в этом виде котла длительный процесс горения обеспечивается специальными приемами. В настоящее время существует две системы длительного горения (канадская система Булерьян, и прибалтийская Стропува), но вторая не нашла широкого применения за счет дороговизны, сложности эксплуатации и еще множества технических параметров.
Котлы длительного горения можно отнести к пиролизным котлам, но принцип работы будет немного иным. Первая система (Бурельян) представляет собой печь, состоящую из двух камер, где в нижней камере происходит тление и образование газа. После поступления газа во вторую камеру, происходит смешивание с воздухом и дальнейшее полное его сгорание (дожиг топлива). Конструкция подобного твердотопливного котла представляет собой цилиндр, с ввареными в него трубами на половину окружности. Расположение труб снизу-вверх обеспечивает хорошую циркуляцию воздуха, тем самым увеличивая теплоотдачу. Устанавливаются в основном в нежилых помещениях, отлично подойдет для отопления гаража или дачи. Цена на такой котел адекватная, есть возможность выбрать типоразмер, подходящий той или иной площади.
Котел по системе Стропува имеет два цилиндра, один из которых находится внутри второго, по принципу матрешки. Все пространство между ними заполнено водой, которая постепенно нагревается. Внутренний цилиндр системы играет роль топки, куда при помощи распределителя подается воздух. После загрузки топлива, оно начинает прогорать сверху вниз, тем самым нагревая теплоноситель. Заявленная производителем цена, длительное время горения, от 2 до 4 суток, в зависимости от топлива, требуемое остывание котла и дальнейшая чистка перед новым розжигом, удваивают задачу и приносят неудобства. Поэтому данный тип котла не принес широкого распространения.
Автоматические котлы— в данном типе котла процесс загрузки топлива, и очищение от золы полностью автоматизированы. Котел оснащен шнековым или транспортерным бункером для подачи топлива и автоматического очищения от золы. Вариант угольного автоматического котла подразумевает движение пласта горения топлива, которое необходимо для полного сгорания. Для этого, автоматический котел оснащается подвижными колосниками, или рубящими и двигающими механизмами. Параметры нагрева теплоносителя и горения топлива обеспечиваются принудительным наддувом.
В преимущества и особенности автоматических котлов можно включить;
- Не требуют трудоемкого обслуживания и пристального внимания за процессом горения;
- Снабжены, входящим в комплект, регулятором температуры;
- Многие оснащены датчиком, отслеживающим температуру в самом котле;
- КПД автоматического котла составляет до 85% от общего числа;
- Длительная работа, ограниченная только лишь емкостью бункера для автоматической подачи топлива.
Стоит учесть, что и расход топлива, в частности, угля намного меньше, чем в традиционных твердотопливных котлах.
Теплообменник для твердотопливного котла своими руками
Сначала из двух боковых, одной задней и одной верхней стенок собирается топка. Швы между стенками выполняются с полным проваром (они должны быть герметичными). Снизу к топке с 3-х сторон горизонтально приваривается стальная полоса 20х3 мм, которая будет служить днищем водяной рубашки.
Далее к боковым и задней стенкам топки нужно торцами приварить в произвольном порядке короткие отрезки трубы небольшого диаметра – так называемые клипсы, которые обеспечат жесткость конструкции теплообменника.
Теперь к полосе-днищу можно приварить наружные стенки теплообменника с предварительно выполненными отверстиями под клипсы. Длина клипс должна быть такой, чтобы они слегка выступали за наружные стенки, к котором их нужно приварить герметичным швом.
В передней и задней стенках теплообменника над топкой вырезаются соосные отверстия, в которые ввариваются жаровые трубы.
Остается приварить к теплообменнику патрубки для соединения с контуром отопительной системы.
Самодельный котел из листового металла
Основные разновидности самодельных котлов
Если вы собираетесь сделать котел долгого горения своими руками, то вам обязательно пригодится информация из нашего обзора. В последующих разделах мы расскажем, как самому сделать отопительный агрегат той или иной конструкции, дадим несколько наиболее легких схем, опубликуем информацию о наиболее распространенных котлах длительного горения
Давайте пока уделим внимание последнему вопросу
Пришла пора рассмотреть самые актуальные варианты котлов длительного горения, которые мы сможем собрать своими руками в домашних условиях. Все они будут питаться дровами. Что касается угля, то достать его сложнее, а еще он приводит к возникновению больших температурных нагрузок на отопительные агрегаты. В следующих разделах мы дадим чертежи твердотопливных котлов длительного горения и дадим объяснительную информацию.
Шахтный котел длительного горения
Мы можем изготовить самый простой шахтный котел своими руками. Он реализован по схеме с нижним горением. Основой агрегата является вместительная загрузочная камера, которую часто называют шахтой. Обладая вертикальной конструкцией, она позволяет вместить большое количество дров. По мере горения они проваливаются вниз, а продукты сгорания отправляются через колосниковую решетку в зольник.
Если мы взглянем на схему шахтной печи (котла), то мы обнаружим, что пламя у нас бушует вовсе не в шахте, а в соседней камере, откуда получаемое тепло поступает в жаротрубный теплообменник. А остатки тепловой энергии направляются в дымоход. Горение здесь длительное и определяется объемом шахты – загрузив сюда большое количество дров, можно смело отправляться спать.
Пиролизный котел
Давайте посмотрим, как устроен пиролизный котел и как сделать этот агрегат своими руками. Проще всего объяснить принцип работы этого агрегата на примере буржуйки. Здесь мы видим объемную камеру сгорания, которая реализует длительное горение. Получившиеся продукты сгорания отправляются в камеру дожигания, в которую подается вторичный воздух. В результате этого образуется большое количество тепла. Нам остается только дооснастить буржуйку жаротрубным теплообменником.
Существуют десятки чертежей котлов длительного горения на дровах, построенных на пиролизном принципе работы. Они отличаются расположением камер сгорания и дожигания, наличием и отсутствием дутьевых вентиляторов и автоматики, а также способами регулировки интенсивности процесса сжигания дровяного топлива. Но в целом их принцип работы одинаков.
Печи-котлы Бубафоня
Бубафоня представляет собой печь, а ее модификация – это водогрейный дровяной котел с подачей воздуха сверху, через прижимной поршень. Мы уже не раз писали о таких печах в наших обзорах, теперь настало время поговорить об агрегатах с отопительным контуром. Для реализации контура мы можем задействовать три схемы:
- Установить теплообменник на дымовую трубу – самый простой вариант;
- Соорудить вокруг корпуса котла сплошную водяную рубашку;
- Обварить корпус агрегата трубами, по которым будет циркулировать теплоноситель.
Какую схему выбрать – решать вам. Кстати, котлы Бубафоня, за счет вместительных камер, помогут реализовать длительное горение продолжительностью до 24 часов и даже больше.
Котлы длительного горения Бубафоня работают на дровах, в них реализована схема верхнего горения.
Котлы-печи Булерьян
Изначально Булерьяны были (и есть) печами конвекционного типа. Они оснащаются мощными конвекторами, позволяющими буквально за 20-25 минут прогреть помещение большого размера. Появившись изначально в Канаде, эти печи добрались и до России, которая тоже может похвастаться суровым климатом (действительно для некоторых регионов). Умельцы превратили печи в котлы, немного поработав над конструкцией конвекторов – теперь по ним циркулирует не воздух, а теплоноситель.
Правда, котлы Булерьяны не могут похвастаться длительным горением, так как отличаются не самыми большими камерами сгорания. Некоторые из них обладают свойством гореть до 10-12 часов, некоторые – чуть дольше. Но рассчитывать на 24 часа все-таки не приходится. Зато они отличаются высокой эффективностью и способностью максимально быстро отдавать тепло в отопительные системы.
Полезные советы и общие рекомендации опытных мастеров
Для продолжительной стабильной работы системы отопления с самодельным котлом важно помнить, что:
- Уплотнения и запоры, герметизирующие открываемые крышки и дверки, повышают эффективность установки.
- Если дровяной котел использовать в паре с электрическим – заслонка на дымоходе снизит потери тепла.
- Автоматическое управление повышает комфорт эксплуатации агрегата.
- Установка на бетонный пол исключает перекосы – обеспечивает долговечность патрубков теплообменника.
Аккуратное и качественное собственное исполнение важно для получения равноценной альтернативы заводской сборке
Вспомогательное оборудование для котла
Для большей теплоотдачи ТКДГ воздушные потоки и жидкость доводятся до нужной температуры или состояния. Это позволяет продлить срок эксплуатации агрегата и снизить расход электроэнергии.
Вспомогательное оборудование:
- Система топливоподачи (грейферы, транспортеры).
- Тягодутьевые очистные механизмы (дымососы, вентиляторы, газоходы, воздуховоды).
- Сооружения золошлакоудаления (дробилки, бункеры, транспортеры, золоуловители).
- Насосное оборудование (для питания теплоносителя, заполнения водяного контура и т.д.).
- Сепарационные устройства водоподготовки (фильтры, деаэрационная установка).
- Системы автоматизации (измерительные приборы, датчики, электроника).
Последние позволяют запрограммировать розжиг, настроить автосбор золы в контейнер, подключить аккумуляторную батарею, управлять установкой удаленно, выбирать температурные режимы.
Отопление дровами – плюсы и минусы
Самодельные дровяные котлы активно используются для обогрева жилых помещений – это небольшие дачные домики и крупные частные домовладения, расположенные в местах, далеких от газовых магистралей. В качестве топлива для них используются дрова или каменный уголь. Угольные агрегаты отличаются высоким тепловыделением, но достать это топливо получается далеко не всегда. Поэтому люди отдают предпочтение дровяным моделям.
Давайте рассмотрим основные достоинства самодельных котлов на дровах:
- Не нужно разрешение на установку и эксплуатацию – мы вправе самостоятельно распоряжаться данным оборудованием;
- Дешевизна в эксплуатации – по сравнению с электрическим отоплением, обогрев дровами более дешев. А если обрести источник бесплатных поленьев, то останется потратиться только на сборку отопительного котла;
- Независимость от электросетей – это относится к самым простым агрегатам, в составе которых отсутствуют электрические узлы;
- Возможность реализации длительного горения – оно позволит снизить количество подходов для закладки все новых порций горючего;
- Дешевизна в сборке – самодельный котел на дровах для частного дома будет стоить дешевле, чем его заводской аналог.
Есть и некоторые недостатки:
Только постоянная чистка котла и его систематический плановый ремонт смогут обеспечить стабильную и эффективную работу агрегата на всем протяжении его эксплуатации.
- Самодельные дровяные котлы для отопления дома могут не выйти на максимальный КПД – сказываются ошибки кустарной сборки;
- Котлы на твердом топливе на угле и дровах требуют регулярной очистки – то есть, мы можем избавиться от необходимости частой закладки горючего, но с проблемой очистки справиться невозможно. Поэтому нам придется регулярно очищать оборудование от сажи и золы;
- Сложность самостоятельного монтажа – самодельные котлы длительного горения на дровах, с водяным контуром, могут показаться сложными в изготовлении. И чем меньше опыта работы с инструментами, тем более сложной покажется задача.
Кроме того, самодельные котлы длительного горения не отличаются нормальными внешними данными, хотя здесь все зависит от мастерства сборщика.
Помимо сажи и угольков, в котлах длительного горения может образовываться конденсат – он образуется в результате использования сырых дров.
Изготовление классической модели
Построение надежного ТТ-котла, способного прослужить более 15 лет, требует применения таких материалов:
- сталь низкоуглеродистая листовая марки Ст10—20 толщиной 4 мм для изготовления топливника;
- то же, толщиной 3 мм – на водяную рубашку и дверцы;
- полоса металлическая сечением 20 х 3 либо 20 х 4 мм;
- кусок трубы диаметром 150 мм на дымоход;
- труба Ø57 мм с толщиной стенки не менее 3,5 мм на теплообменник;
- профильная труба 6 х 4 см для воздуховода;
- уголок с шириной полок 5 см из толстого металла (4—5 мм) на колосниковую решетку;
- тонколистовая сталь с порошковой покраской для наружной обшивки.

Из дополнительных материалов понадобится базальтовое волокно плотностью 80—100 кг/м³ для теплоизоляции корпуса и асбесто-графитный шнур на уплотнение притворов дверей. Комплект автоматики и вентилятор, о котором упоминалось в предыдущем разделе, — польского производства, модель KG Elektronik SP-05. На рынке есть и китайские аналоги, они стоят дешевле.
Шаг первый – сварка корпуса
Чтобы сварить топливную камеру, необходимо порезать металл 4 мм на заготовки по размерам, указанным на чертеже. Собирать начинайте с дна зольника – прихватите к нему боковые стенки и крышку, а затем сформируйте обрамления для загрузочной и прочистной дверки, как это сделано на фото.

Дальше действуйте по такому алгоритму:
- Приварите внутри топливника опоры для колосников, а снаружи – клипсы из стальной полосы для монтажа водяной рубашки.
- Установите и обварите листы 3 мм наружной обшивки водяной рубашки. Заметьте, что она берет свое начало от верха зольной камеры.
- В верхний отсек, который впоследствии заполнится теплоносителем, врежьте 4 жаровых трубы Ø50 мм, такие же патрубки поставьте на подключение к системе отопления.
- Прикрепите к агрегату ножки из отрезков любого металлопроката и вмонтируйте дымоходный патрубок на выходе из огнетрубного теплообменника.

Заметьте, жаровые трубы сходятся пучком к дымоходному патрубку

Этап второй – монтаж навесных элементов
Дверцы топливной и зольной камеры делаются путем изгибания краев заготовок и приварки внутреннего обрамления, куда укладывается базальтовый утеплитель. Сверху изоляция герметично закрывается крышкой, а в получившийся паз по периметру створки плотно вставляется асбесто-графитный шнур.

Что еще нужно сделать:
- Прикрепить ручки и петли к корпусу, а дверцы покрыть термостойкой эмалью.
- Сварить из уголков колосниковую решетку и поставить ее на место.
- Изготовить воздуховод с ответным фланцем и приварить к задней стенке, как продемонстрировано на фотографии.

Чтобы утеплить и облицевать самодельный ТТ-котел, на углах водяной рубашки необходимо приварить закладные детали из любого металла, лишь бы его ширина не превышала 20 мм (на задней стенке – 4 см). Также предусмотрите стойки для крепления ЭБУ на верхней части агрегата.
Окончательная сборка отопителя
Теплоизоляция котлового бака выполняется просто – стенки обкладываются снаружи плитами базальтовой ваты, которые фиксируются шнуром. Проследите, чтобы утеплитель плотно прилегал к обрамлению загрузочного и зольного проема, а также к профильной трубе воздуховода.


Так монтируется блок управления и вентилятор
Последний шаг – обшивка теплогенератора металлом с полимерной покраской, прикручиваемым саморезами к ранее приваренным закладным деталям. После этого навешиваются дверцы и устанавливается блок автоматики с вентилятором. Разобраться в процессе сборки вам поможет авторское видео от разработчика данного ТТ-котла продолжительного горения Виталия Дашко:
Определение с параметрами проекта
Точного определения данному понятию нет. Соответствующее оборудование появилось, как ответ на требования потребителей повысить уровень комфорта в процессе эксплуатации, увеличить выработку тепла в расчете на единицу использованных энергетических ресурсов.
Основным недостатком классических котлов является необходимость регулярного добавления топлива в топку. Сложности создают также следующие факторы:
- высокая интенсивность горения;
- сложность оперативной регулировки и контроля этого процесса;
- неполное использование тепла, которое удаляется вместе с дымом через систему вентиляции.

Для поддержания работы обычного котла лучше иметь рядом достаточный запас дров
Разные конструкции
Для решения отмеченных выше задач используют различные решения. Чтобы не закладывать часто новые порции топлива увеличивают размеры топки. Сделать процесс горения равномерным помогает размещение сверху прижимного устройства, дозированная подача воздуха.

Схема типичного котла этого класса
Создать чертежи твердотопливных котлов длительного горения своими руками будет проще после подробного изучения стандартной конструкции:
- В начальном положении прижимное устройство (10) находится в верхнем положении.
- Через дверцу (6) в топку загружают крупную партию дров.
- После поджигания происходит регулируемый механическим приводом (16) процесс горения.
- Свежий воздух подается нагнетателем через телескопическую полую внутри штангу. Он распределяется равномерно через прижимной диск (10).
- Подача кислорода сверху обеспечивает постепенное сгорание топлива, слоями.
- Золу после завершения цикла удаляют через нижнюю дверцу (13).
- Для поднятия диска (10) в верхнее положение используют лебедку (2) с электроприводом.
Недостатком данной конструкции является невозможность произвольной закладки дров в топку. Существенное преимущество – повышенная до 24 часов и более длительность одного рабочего цикла.
В следующей конструкции топливо можно подкладывать по мере необходимости. Здесь использована технология пиролиза. Она характерна дозированной подачей кислорода и низкой интенсивностью горения. Тлеющие дрова выделяют горючий газ. Он сгорает в дополнительной камере.

Пиролизный котел
Эта установка полноценно использует топливо. В продуктах сгорания содержится минимальное количество сажи. Сложной является оптимальная регулировка рабочих процессов.
Газовые и дизельные агрегаты лишены упомянутых недостатков по причине простоты дозирования соответствующих видов топлива. Подобный результат можно получить, если использовать специальным образом спрессованные гранулы из отходов деревообработки, шелухи семечек, иного горючего сырья.

Пеллетный котел
В данном варианте гранулы (пеллеты) засыпают в бункер, откуда они подаются шнековым механизмом в топку. Понятно, что такая конструкция позволяет при необходимости быстро увеличивать и уменьшать подачу топлива. Гибкое изменение производительности котла пригодится для оптимизации работы при изменении внешней температуры, подключении дополнительных потребителей. С гранулами не слишком сложно работать при транспортировке, хранении.

Теплообменник для подогрева воды
Повышают эффективность котлов с помощью сложных структур выходных узлов. В таких конструкциях повышается температура теплоносителя. Аналогичные функции выполняют полые стенки корпуса.
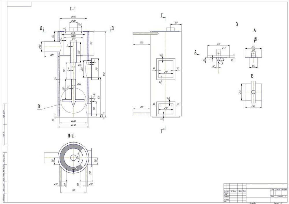
Чертежи твердотопливных котлов длительного горения своими руками
Прежде чем искать соответствующую документацию, необходимо точнее определиться с конструкцией. Предпочтительной является первая схема твердотопливного котла длительного горения, своими руками ее будет создать проще.

Принципиальная схема котла
Для отопления сравнительно небольшого частного дома с общей площадью 150-250 м. кв. достаточно будет следующих размеров:

Чертежи твердотопливных котлов длительного горения своими руками
При высоте чуть более 1,5 метра и ширине около 40 см не сложно будет найти подходящее место для установки. Но надо учитывать необходимость создания технологических проходов для обслуживания. Понадобится свободное пространство сверху для монтажа лебедки и другого оборудования.

Конструкторскую документацию можно создать без соблюдения стандартов
Для реализации частных проектов не обязательно соблюдению ГОСТов. Но чем подробнее получился чертеж твердотопливного котла длительного горения своими руками, тем проще будет исключить ошибки на ранних стадиях.

При удалении большого количества ржавчины перед окраской может понадобиться респиратор

























































