Как сделать стабилизатор напряжения на 12 вольт для светодиодов в авто на микросхеме L7812
Чтобы собрать качественный стабилизатор напряжения, можно использовать трехконтактный регулятор напряжения постоянного тока, выпускающийся в серии L7812. Это устройство запитает не только отдельные лампочки в автомобиле, но и целую ленту из светодиодов.
L7812
Компоненты:
- Микросхема L7812.
- Конденсатор 330 мкф 16 В.
- Конденсатор 100 мкф 16 В.
- Выпрямительный диод на 1 ампер. Можно использовать 1n4001 или диод Шоттки.
- Термоусадка на 3 мм.
- Соединительные проводки.
Порядок сборки:
Немножко укорачиваем одну ножку стабилизатора.
Используем припой.
К короткой ножке добавляем диод, а после и конденсаторы.
На проводки помещаем термоусадку.
Занимаемся припайки проводов.
Надеваем термоусадку, прижимаем ее при помощи строительного фена или зажигалки
Тут важно не перестараться и не расплавить термоусадку.
На вход с левой стороны подаем питание, справа будет выход на светодиодную ленту.
Проводим испытание – включаем освещение. Лента должна загореться, срок ее эксплуатации теперь увеличится.
Так делается стабилизатор напряжения 12В собственными руками.
Схема подключения на базе LM2940CT-12.0

Корпус стабилизатора можно выполнить практически из любого материала, кроме дерева. При использовании более десяти светодиодов, рекомендуется к стабильнику приделать алюминиевый радиатор.
Может кто-то пробовал и скажет, что можно запросто обойтись без лишних заморочек, напрямую подключив светодиоды. Но в этом случае последние большую часть времени будут находиться в неблагоприятных условиях, посему прослужат недолго или вовсе сгорят. А ведь тюнинг дорогих авто выливается в довольно крупную сумму.
А по поводу описанных схем, их главное достоинство – простота. Для изготовления не требуется особых навыков и умений. Впрочем, если схема слишком сложная, то собирать её своими руками становится не рационально.
Подробные инструкции по сборке
Рассматриваемая под самостоятельное изготовление схема, скорее является гибридным вариантом, так как предполагает использование силового трансформатора совместно с электроникой. Трансформатор в данном случае применяется из числа тех, что устанавливались в телевизорах старых моделей.
Вот такой примерно силовой трансформатор потребуется под изготовление самодельной конструкции стабилизатора. Однако не исключается подбор других вариантов или же намотка своими руками
Правда в ТВ приёмниках, как правило, ставились трансформаторы ТС-180, тогда как для стабилизатора требуется как минимум ТС-320 чтобы обеспечить выходную нагрузку до 2 кВт.
Шаг #1 – изготовление корпуса стабилизатора
Для изготовления корпуса аппарата подойдёт любой подходящий короб на основе изолирующего материала – пластмассы, текстолита и т.п. Главный критерий – достаточность места под размещение силового трансформатора, электронной платы и других компонентов.
Также корпус допустимо изготовить из листового стеклотекстолита, скрепив отдельные листы с помощью уголков или иным способом.
Допустимо подобрать корпус от любой электроники, подходящий под размещение всех рабочих компонентов схемы самодельного стабилизатора. Также корпус можно собрать своими руками, к примеру, из листов стеклотекстолита
Короб стабилизатора необходимо оснастить пазами под установку выключателя, входного и выходного интерфейсов, а также других аксессуаров, предусмотренных схемой в качестве контрольных или коммутационных элементов.
Под изготовленный корпус нужна плита-основание, на которую «ляжет» электронная плата и будет закреплён трансформатор. Плиту можно сделать из алюминия, но следует предусмотреть изоляторы под крепёж электронной платы.
Шаг #2 – изготовление печатной платы
Здесь потребуется изначально спроектировать макет на размещение и связку всех электронных деталей согласно принципиальной схеме, кроме трансформатора. Затем по макету размечают лист фольгированного текстолита и рисуют (отпечатывают) на стороне фольги созданную трассировку.
Далее вытравливают плату при помощи соответствующего раствора (электронщикам метод травления плат должен быть знаком).
Изготовить печатную плату стабилизатора вполне доступными способами можно непосредственно в домашних условиях. Для этого нужно приготовить трафарет и набор средств для травления на фольгированном текстолите
Полученный таким способом печатный экземпляр разводки зачищают, облуживают оловом и производят монтаж всех радиодеталей схемы с последующей пайкой. Так выполняется изготовление электронной платы мощного стабилизатора напряжения.
Шаг #3 – сборка стабилизатора напряжения
Укомплектованная радиодеталями плата подготавливается для внешней обвязки. В частности, от платы выводятся линии внешней связи (проводники) с другими элементами – трансформатором, выключателем, интерфейсами и т.д.
На опорную плиту корпуса устанавливают трансформатор, соединяют с трансформатором цепи электронной платы, закрепляют плату на изоляторах.
Пример самодельного стабилизатора напряжения релейного типа, изготовленного в домашней обстановке, помещённого в корпус от пришедшего в негодность промышленного измерительного прибора
Останется только подключить к схеме внешние элементы, смонтированные на корпусе, установить ключевой транзистор на радиатор, после чего корпусом закрывают собранную электронную конструкцию. Стабилизатор напряжения готов. Можно приступать к настройке с дальнейшими испытаниями.
Как избежать 3 ошибки при пайке схемы
- Перед началом всех работ по спайке, обязательно выбираем наиболее подходящий паяльный аппарат, для сборки микросхемы. Тот старый, что лежит дома или в гараже подойдет только опытным людям, новичок же испортит плату, не сумев справиться с мощностью. Наиболее подходящий диапазон напряжения для соединения плат и проводков — 15-30 Ватт. Большую мощность не используем, иначе плата сгорит и придется начинать все сначала, с новыми деталями.
- Перед тем, как начинать соединения деталей посредством пайки, удостоверьтесь, что схема хорошо очищена. Для качественной обработки используют простой состав – смешивается любое мыло с чистой водой. После чистая салфетка обмакивается в приготовленный раствор и плата очень качественно протирается по всей поверхности. Если на металле останутся следы мыла, то вытираем их аккуратно сухой салфеткой. На платах часто замечают довольно плотные отложения. Чтобы избавиться от них, придется сходить в магазин с электротоварами и купить специальный очищающий состав. Продавцы подскажут все необходимое. Участок обрабатываем, пока не появится легкий металлический блеск.
- Контакты на плате располагаем в правильной последовательности – для начала работаем с маленькими резисторами, а затем переходим на большие детали. Если сначала закрепить все крупные части, то мелкие детали очень неудобно станет присоединять – большие компоненты помешают.
Не стоит пренебрегать советами. Они позволят создать более качественное соединение, а значит и долговечность стабилизатора.
Стабилизатор тока, схема
Мне приходится часто просматривать ассортимент на Aliexpress в поисках недорогих но качественных модулей. Разница по стоимости может быть в 2-3 раза, время уходит на поиск минимальной цены. Но благодаря этому делаю заказ на 2-3 штуки для тестов. Покупаю для обзоров и консультаций производителей, которые покупают комплектующие в Китае.
В июне 2020 года оптимальным выбором стал универсальный модуль на XL4015, цена которого 110руб с бесплатной доставкой. Его характеристики подходят для подключения мощных светодиодов до 100 Ватт.
Типовая схема включения понижающего преобразователя
Схема в режиме драйвера.
В стандартном варианте корпус XL4015 припаян к плате, которая служит радиатором. Для улучшения охлаждения на корпус XL4015 надо поставить радиатор. Большинство ставят его сверху, но эффективность такой установки низкая. Лучше систему охлаждения ставить снизу платы, напротив места пайки микросхемы. В идеале её лучше отпаять и поставить на полноценный радиатор через термопасту. Ножки скорее всего придется удлинить проводами. Если потребуется такое серьезное охлаждение контроллеру, то оно потребуется и диоду Шотки. Его тоже придётся поставить на радиатор. Такая доработка значительно повысит надежность всей схемы.
Разновидности XL4015, добавлен вольтметр
Подключение через 5 контактное реле
Теперь пришло время узнать о том, как подсоединить ходовые огни через реле с пятью контактами. Схема является наиболее универсальной, и собрана с целью исключить недостатки предыдущих вариантов.

Сначала о подключении реле для ДХО:
- 30 – на плюсовые выводы светодиодных модулей;
- 85 – на плюсовой провод габаритной лампы;
- 86 – на корпус авто;
- 87а – на «+» с замка зажигания;
- 87 – не подключать (заизолировать).
Работает схема с пяти контактным реле следующим образом. При повороте ключа на ДХО поступает напряжение +12 В, тем самым включая их. Если включить габаритные огни или фары головного света, то реле разомкнёт контакт 87а и замкнёт неактивный контакт 87. В результате ДХО погаснут, а габариты включатся. Схема полностью соответствует требованиям ГОСТа и ПДД и может работать с габаритными огнями даже на основе светодиодов.
Однако схема все же имеет один отрицательный момент – ДХО будут включаться сразу же после поворота замка зажигания. То есть если повернуть ключ в замке зажигания, но не заводить автомобиль, ДХО будут гореть.
Несмотря на все же имеющийся недостаток схема довольно удачна, но чтобы правильно подключить ДХО через пяти контактное реле понадобится обязательно дополнить схему стабилизатором напряжения.
Какие бывают виды стабилизаторов напряжения?

Различают такие типы:
- Феррорезонансные. К их достоинствам относят высокую точность стабилизации и скорость регулирования. Но они создают довольно много шума, и качество их работы зависит от величины нагрузки. Благодаря тому, что они по стоимости равны источникам бесперебойного питания (или даже дороже их), то широкого распространения не получили.
- Электромеханические. Это автотрансформаторы, которые имеют функцию ручного регулирования выходного напряжения. Недостатком данного устройства является необходимость постоянно следить за показателями прибора и при отклонениях выставлять вручную необходимое значение. Хотя сейчас наибольшей популярностью пользуются экземпляры, которые всё делают автоматически благодаря электродвигателю с редуктором. В качестве преимуществ приводят хорошую точность стабилизации в 2-3%. Но из-за инерционности двигателя мы имеем низкую скорость регулирования и увеличение уровня шума. При этом резкое увеличение сетевого напряжения часто приводит к кратковременному отключению нагрузки.
- Электронные. Обеспечивают качественную стабилизацию. Строятся на основании автоматического переключения секций используемого трансформатора благодаря силовым ключам (в качестве которым могут выступать тиристоры, симисторы и реле). Они обладают быстродействием, широким диапазоном входного напряжения, хорошим показателем КПД и точностью стабилизации.
Как сделать 12В стабилизатор
Простые, но при этом достаточно эффективные, надежные и долговечные стабилизирующие устройства можно сделать самостоятельно, используя при этом простые стабилитроны и специальные небольшие микросхемы типа LM317, LD1084, L7812, КРЕН (КР142ЕН8Б).
Стабилизатор на LM317
Процесс сборки такого стабилизирующего напряжение устройства состоит из следующих этапов:
- К среднему выходному контакту микросхемы припаивается 130-ти омное сопротивление.
- К входному правому контакту припаивается проводник, подающий нестабилизированное напряжение от источника питания.
- Левый регулировочный контакт припаивается ко второй ножке резистора, установленного на выходе микросхемы.
Процесс пайки такого стабилизатора занимает не более 10 минут и с учетом недорогой микросхемы не требует больших капиталовложений. При помощи подобного устройства запитывают светодиодные фонари, ленты.
Микросхема LD1084
Сборка устройства для стабилизации напряжения автомобильной бортовой сети с использованием микросхемы LD1084 производится следующим образом:
- К входному контакту микросхемы припаивается проводник с плюсовым напряжением от диодного моста.
- К регулировочному контакту припаивается эмиттер биполярного транзистора, базу которого через два резистора номиналом 1 кОм питает ток ближнего и дальнего света фар.
- К контакту выхода припаивается два резистора (один – обычный на 120 Ом, а второй – подстроечный, на 4,7кОм) и электролитический конденсатор на 10 мкФ
Для сглаживания пульсации тока после диодного моста устанавливается еще один электролитический конденсатор емкостью 10 мкф.
Стабилизатор на диодах и плате L7812
Простой интегральный выравниватель на диоде Шоттки и двух конденсаторах собирают следующим образом:
- К входному контакту микросхемы припаивается: диод типа 1N4007, анод которого при помощи провода соединяется с плюсом источника питания, плюсовая обкладка мощного 16-ти вольтного электролитического конденсатора емкостью 330 мкФ.
- К правому выходному контакту припаивается нагрузка и ножка плюсовой обкладки 16-ти вольтного электролитического конденсатора на 100 мкФ.
- К среднему регулировочному контакту припаивается минус, идущий от батареи, и провод от минусовых обкладок конденсаторов.
От такого простого устройства можно запитывать мощные ленты из светодиодов и магнитолу.
Самый простой стабилизатор — плата КРЕН
Схема стабилизатор напряжения на 12 вольт на основе платы крен (КР142ЕН8Б) включает в себя следующие компоненты:
- Припаянный к входному контакту выпрямляющий диод типа 1N4007.
- Микросхему КР142ЕН8Б либо KIA7812A.
- Два провода, припаянные к выходному и регулировочному контакту микросхемы и соединенные с нагрузкой и минусом источника питания.
Конструкция на плате КРЕН является самой простой и быстрой в сборке. При этом эффективность и область применения у нее такая же, как и у других самодельных аналогов.
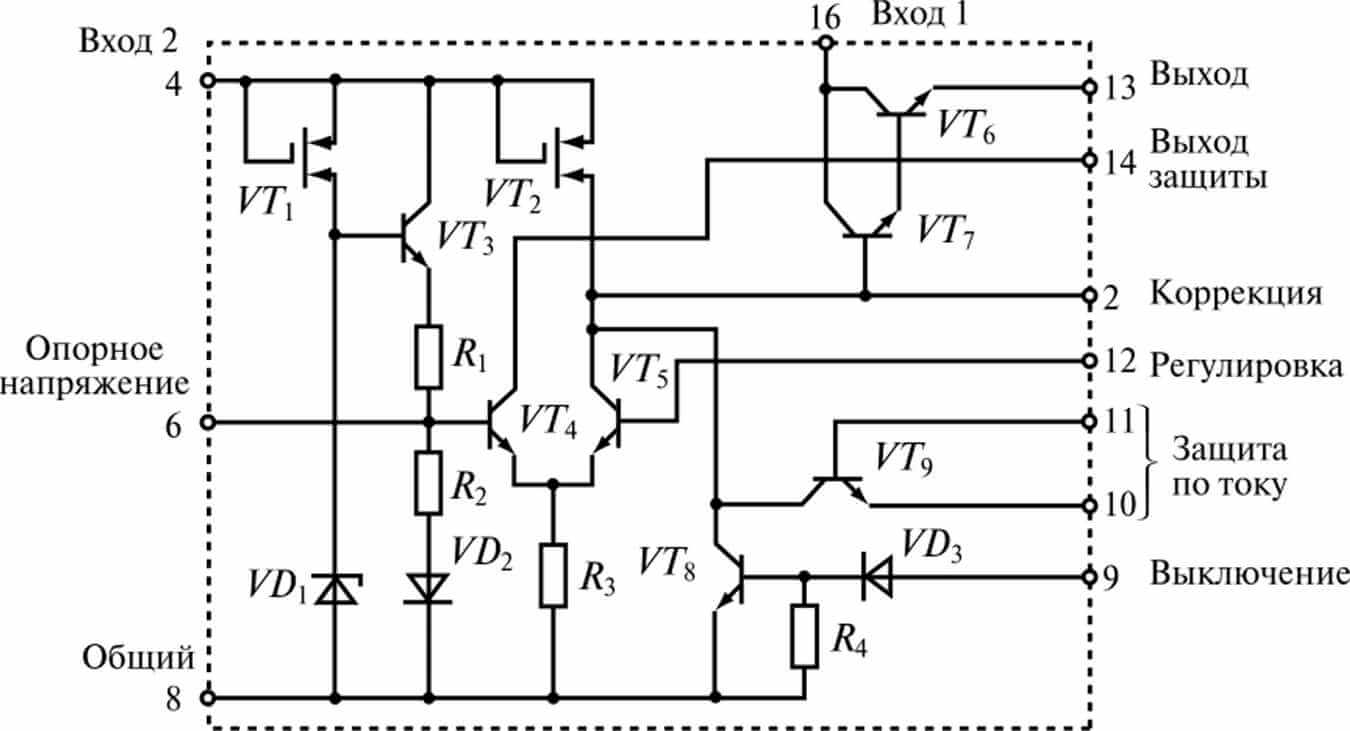
Характеристики
Типовая схема интегрального стабилизатора состоит из следующих элементов:
- источника опорного напряжения;
- усилителя ошибки;
- включённых между источником и нагрузкой элементов регулировки;
- схему выключения устройства при подачи сигнала извне;
- транзистора для защиты от короткого замыкания или перегрузки.
Интегральные микросхемы стабилизаторов представляют собой функционально завершённые устройства и имеют всего три внешних вывода: входной, выходной и заземление. Данные микросхемы производятся для фиксированных значений напряжения от 5 до 24 В и нагрузки до 1 А.

Стабилизационные устройства на ИМС обеспечиваются встроенными схемами, ограничивающими выходной ток, а также схемой защиты от перегрузок по температуре.
Еще важно знать 3 нюанса о том, как собрать стабилизатор напряжения 12 вольт собственными руками
- Светодиоды желательно подключать через стабилизатор тока. Таким образом можно будет уравновесить колебания электрической сети, и хозяин автомобиля не будут беспокоиться о бросках тока.
- Требования к электропитанию нужно также соблюдать, поскольку, таким образом, свой самостоятельно собранный стабилизатор можно будет правильно подстроить под электрическую сеть.
- Собирать желательно такой агрегат, который обеспечит достойную устойчивость, надежность и стабильность – стабилизатор должен держаться в течение долгих лет. Именно поэтому на компонентах не стоит дешевить – приобретайте в хороших магазинах электроники.

Схемы простых стабилизаторов

Выбор стабилизатора
В бортовой сети автомашины рабочее питание составляет примерно от 13 В, большинству же светодиодов подходит 12 В. Поэтому обычно ставят стабилизатор напряжения, на выходе которого 12 В. Таким образом, обеспечиваются нормальные условия для работы светотехники без ЧП и преждевременного выхода из строя.
На этом этапе любители сталкиваются с проблемой выбора: конструкций опубликовано множество, но не все хорошо работают. Выбрать нужно тот, что достоин любимого транспортного средства и, кроме того:
- действительно будет работать;
- обеспечит безопасность и защищенность светотехнике.
Схемы стабилизаторов и регуляторов тока
Всем известно, что светодиодным лампочкам необходимо питание двенадцать вольт. В сети авто это значение может доходить до 15 В. Светодиодные элементы очень чувствительны, на них такие скачки отражаются отрицательно. Светодиодные лампы могут перегореть либо некачественно светить (мигать, терять яркость и т.д.).
Чтобы светодиоды служили дольше, в электросеть автомобиля включаются драйвера (резисторы). При нестабильности в сети устанавливаются устройства, которые поддерживают постоянное значение. Существует несколько простых микросхем, по которым можно сделать стабилизатор напряжения своими руками. Все компоненты, входящие в цепь, можно приобрести в специализированных магазинах. Обладая начальными знаниями по электротехнике сделать приборы будет несложно.
На КРЕНке
Для того, чтобы сконструировать простейший стабилизатор напряжения 12 вольт своими руками, понадобится микросхема с потреблением 12 В. В этом случае подойдет регулируемый стабилизатор напряжения 12 В LM317. Он может функционировать в электросети, где входной параметр составляет до 40 В. Чтобы прибор стабильно работал, необходимого обеспечивать охлаждение.
Крены для микросхем
Стабилизатор тока на LM317требует для работы небольшой ток до 8 мА, и данное значение обычно остается неизменным, даже при большом токе, протекающем через крен LM317, или при изменении входного значения. Это реализуется с помощью компоненты R3.
Можно применять элемент R2, но пределы при этом будут небольшими. При неизменном сопротивлении LM317 ток, идущий через прибор, будет также стабильным (автор видео — Создано в Гараже).
Входное значение для кренки LM317 может составлять до 8 мА и выше. Пользуясь этой микросхемой, можно придумать стабилизатор тока для ДХО. Это устройство может выступать нагрузкой в бортовой сети или источником электричества при подзарядке аккумуляторной батареи. Сделать простой стабилизатор напряжения LM317 не составляет труда.
На двух транзисторах
На сегодняшний момент пользуются популярностью стабилизирующие устройства для бортовой сети машины на 12 В, разработанные с использованием двух транзисторов. Данную микросхему используют как стабилизатор напряжения для ДХО.
Резистор R2 является токораздающим элементом. При возрастании тока в сети увеличивается напряжение. Если оно достигает значения от 0,5 до 0,6 В, открывается элемент VT1. Открытие компонента VT1 закрывает элемент VT2. В итоге, ток, проходящий через VT2, начинает снижаться. Можно вместе с VT2 применять полевой транзистор Мосфет.
Элемент VD1 включается в цепь, когда значения находится в пределах от 8 до 15 В и настолько велики, что транзистор может выйти из строя. При мощном транзисторе допустимы показания в бортовой сети около 20 В. Не стоит забывать о том, что транзистор Мосфет откроется, если показания на затворе будут 2 В.
На операционном усилителе (на ОУ)
Стабилизатор напряжения для светодиодов на основе ОУ собирается при необходимости создания устройства, которое будет работать в расширенном диапазоне. В рассматриваемом случае в качестве элемента, который будет задавать выпрямляемый ток, является R7. С помощью операционного усилителя DA2.2 можно увеличить уровень напряжения в токозадающем компоненте. Задачей компонента DA 2.1 является контроль опорного напряжения.
При создании схемы следует учесть, что она рассчитана на 3А, поэтому необходим больший ток, который должен поступать на разъем ХР2. Кроме того, следует обеспечивать работоспособность всех составляющих данного устройства.
Сделанный стабилизирующий прибор для автомобиля должен иметь генератор, роль которого выполняет REF198. Чтобы правильно настроить прибор, ползунок резистора R1 нужно установить в верхнее положение, а резистором R3 задавать необходимое значение выпрямленного тока 3А. Для погашения возможных возбуждений, используются элементы R,2 R4 и C2.
На микросхеме импульсного стабилизатора
Если выпрямитель для автомобиля должен обеспечивать высокий КПД в сети, целесообразно использовать импульсные компоненты, создавая импульсный стабилизатор напряжения. Популярной является схема МАХ771.
Схема выпрямителя с импульсным выпрямителем
Импульсный стабилизатор тока характеризуется выходной мощностью 15 Вт. Элементы R1 и R2 делят показатели схемы на выходе. Если делимое напряжение превышает по показателям опорное, выпрямитель автоматически уменьшает выходное значение. В противном случае устройство будет увеличивать выходной параметр.
Сборка данного устройства целесообразна, если уровень превышает 16 В. Компоненты R3 являются токовыми. Для устранения высокого падения нагрузки на данном резисторе в схему следует включить ОУ.
Стабилизаторы напряжения
Исходя из названия, эти устройства предназначены для поддержания напряжения в нагрузке на определённом уровне. При этом величина выходного тока зависит от самой нагрузки. Другими словами, сколько потребуется нагрузки, столько она возьмёт, но не более максимально возможного значения. Допустим, стабилизатор напряжения обладает такими выходными параметрами: 12В и 1 А. То есть на выходе всегда будет поддерживаться 12В, а ток потребления может быть в диапазоне от нуля до одного ампера. Существует два вида стабилизаторов напряжения: линейные и импульсные.
Наиболее распространенными и недорогими являются линейные стабилизаторы напряжения, однако они имеют ряд недостатков:
- низкий КПД;
- при большом токе нагрузки нуждаются в теплоотводе;
- имеют достаточно высокое падение напряжения.
Чтобы не сталкиваться с подобными недостатками, рекомендуется использовать стабилизаторы напряжения импульсного типа. Они бывают трех типов: повышающие, понижающие и универсальные. Импульсные стабилизаторы имеют высокий КПД, не нуждаются в дополнительном отводе тепла при больших токах нагрузки, но имеют более высокую стоимость.
Легко о простом. Сила тока, напряжение и их стабилизация
От напряжения зависит, насколько стремительно электроны движутся по проводнику. Многие страстные любители жёсткого компьютерного разгона увеличивают напряжение ядра центрального процессора, благодаря чему тот начинает функционировать быстрее.
Сила тока – это плотность движения электронов внутри электрического проводника. Данный параметр чрезвычайно важен радиоэлементам, работающим по принципу термоэлектронной вторичной эмиссии, в частности, источникам света. Если площадь поперечного сечения проводника не в состоянии пропустить поток электронов, избыток тока начинает выделяться в виде тепла, вызывая значительный перегрев детали.
Плазменная дуга от высокого напряжения
Для лучшего понимания процесса проанализируем плазменную дугу (на её основе работает электроподжег газовых плит и котлов). При очень высоком напряжении скорость свободных электронов до такой степени велика, что они могут легко «пролетать» расстояние между электродами, формируя плазменный мостик.

А это электронагреватель. При прохождении через него электронов они передают свою энергию нагревательному элементу. Чем выше сила тока, тем плотнее поток электронов, тем сильнее нагревается термоэлемент.
Для чего необходима стабилизация тока и напряжения
Любой радиоэлектронный компонент, будь то лампочка или центральный процессор компьютера, требует для оптимальной работы чётко лимитированное количество электронов, которое течёт по проводникам.
Поскольку речь в нашей статье идёт о стабилизаторе для светодиодов, о них и поговорим.
При всех своих преимуществах светодиоды имеют один минус – высокая чувствительность к параметрам питания. Даже умеренное превышение силы и напряжения может привести к выгоранию светоизлучающего материала и выходу из строя диода.
Сейчас очень модно переделывать систему освещения автомобиля под LED освещение. Их цветовая температура намного ближе к естественному освещению, чем у ксенона и ламп накаливания, что значительно меньше утомляет водителя при длительных поездках.
Однако это решение требуется особый технический подход. Номинальный ток питания автомобильного LED-диода – 0,1-0,15 мА, а пусковой аккумулятора – сотни ампер. Этого хватит, чтобы выжечь очень много дорогостоящих элементов освещения. Что бы этого избежать используют стабилизатор 12 вольт для светодиодов в авто.
Ампераж в автомобильной сети постоянно меняется. Например, автомобильный кондиционер «кушает» до 30 ампер, при его отключении электроны, «выделенные» на его работу уже не вернутся назад в генератор и аккумулятор, а перераспределятся между остальными электроприборами. Если лампе накаливания, рассчитанной на 1-3 А дополнительные 300 мА роли не сыграют, то диоду с током питания 150 мА несколько таких скачков могут стать фатальными.
Ради гарантии длительной работы автомобильных светодиодов используют стабилизатор тока на lm317 для мощных светодиодов.
Регулируемый блок питания своими руками
Блок питания необходимая вещь для каждого радиолюбителя, потому, что для питания электронных самоделок нужен регулируемый источник питания со стабилизированным выходным напряжением от 1.2 до 30 вольт и силой тока до 10А, а также встроенной защитой от короткого замыкания. Схема изображенная на этом рисунке построена из минимального количества доступных и недорогих деталей.
Схема регулируемого блока питания на стабилизаторе LM317 с защитой от КЗ
Микросхема LM317 является регулируемым стабилизатором напряжения со встроенной защитой от короткого замыкания. Стабилизатор напряжения LM317 рассчитан на ток не более 1.5А, поэтому в схему добавлен мощный транзистор MJE13009 способный пропускать через себя реально большой ток до 10А, если верить даташиту максимум 12А. При вращении ручки переменного резистора Р1 на 5К изменяется напряжения на выходе блока питания.
Так же имеется два шунтирующих резистора R1 и R2 сопротивлением 200 Ом, через них микросхема определяет напряжение на выходе и сравнивает с напряжением на входе. Резистор R3 на 10К разряжает конденсатор С1 после отключения блока питания. Схема питается напряжением от 12 до 35 вольт. Сила тока будет зависеть от мощности трансформатора или импульсного источника питания.
А эту схему я нарисовал по просьбе начинающих радиолюбителей, которые собирают схемы навесным монтажом.
Схема регулируемого блока питания с защитой от КЗ на LM317
Сборку желательно выполнять на печатной плате, так будет красиво и аккуратно.
Печатная плата регулируемого блока питания на регуляторе напряжения LM317
Печатная плата сделана под импортные транзисторы, поэтому если надо поставить советский, транзистор придется развернуть и соединить проводами. Транзистор MJE13009 можно заменить на MJE13007 из советских КТ805, КТ808, КТ819 и другие транзисторы структуры n-p-n, все зависит от тока, который вам нужен. Силовые дорожки печатной платы желательно усилить припоем или тонкой медной проволокой. Стабилизатор напряжения LM317 и транзистор надо установить на радиатор с достаточной для охлаждения площадью, хороший вариант это, конечно радиатор от компьютерного процессора.
Желательно прикрутить туда и диодный мост. Не забудьте изолировать LM317 от радиатора пластиковой шайбой и тепло проводящей прокладкой, иначе произойдет большой бум. Диодный мост можно ставить практически любой на ток не менее 10А. Лично я поставил GBJ2510 на 25А с двойным запасом по мощности, будет в два раза холоднее и надёжнее.
А теперь самое интересное… Испытания блока питания на прочность.
Регулятор напряжения я подключил к источнику питания с напряжением 32 вольта и выходным током 10А. Без нагрузки падение напряжения на выходе регулятора всего 3В. Потом подключил две последовательно соединенные галогеновые лампы H4 55 Вт 12В, нити ламп соединил вместе для создания максимальной нагрузки в итоге получилось 220 Вт. Напряжение просело на 7В, номинальное напряжение источника питания было 32В. Сила тока потребляемая четырьмя нитями галогеновых ламп составила 9А.
Радиатор начал быстро нагреваться, через 5 минут температура поднялась до 65С°. Поэтому при снятии больших нагрузок рекомендую поставить вентилятор. Подключить его можно по этой схеме. Диодный мост и конденсатор можно не ставить, а подключить стабилизатор напряжения L7812CV напрямую к конденсатору С1 регулируемого блока питания.
Схема подключения вентилятора к блоку питания
Что будет с блоком питания при коротком замыкании?
При коротком замыкании напряжение на выходе регулятора снижается до 1 вольта, а сила тока равна силе тока источника питания в моем случае 10А. В таком состоянии при хорошем охлаждении блок может находится длительное время, после устранения короткого замыкания напряжение автоматически восстанавливается до заданного переменным резистором Р1 предела. Во время 10 минутных испытаний в режиме короткого замыкания ни одна деталь блока питания не пострадала.
Радиодетали для сборки регулируемого блока питания на LM317
- Стабилизатор напряжения LM317
- Диодный мост GBJ2501, 2502, 2504, 2506, 2508, 2510 и другие аналогичные рассчитанные на ток не менее 10А
- Конденсатор С1 4700mf 50V
- Резисторы R1, R2 200 Ом, R3 10K все резисторы мощностью 0.25 Вт
- Переменный резистор Р1 5К
- Транзистор MJE13007, MJE13009, КТ805, КТ808, КТ819 и другие структуры n-p-n
Друзья, желаю вам удачи и хорошего настроения! До встречи в новых статьях!
Рекомендую посмотреть видеоролик о том, как сделать регулируемый блок питания своими руками
Особенности регулировки
Речь о том или ином регуляторе 12 вольт имеет смысл вести только при указании дополнительных данных:
- постоянное или переменное напряжение надо регулировать;
- какова максимальная величина тока в нагрузке;
- величина разности потенциалов перед регулятором;
- параметры напряжения на нагрузке в диапазоне регулирования.
Каждый из перечисленных параметров связан с определенными техническими решениями, которые отражаются в схеме. Общая схема регулятора – это нагрузка, которая соединена с некоторым устройством. Оно условно обозначено прямоугольником на схеме, показанной далее. Внутри этого прямоугольника может быть та или иная схема, которая соответствует дополнительным данным, упомянутым выше. Простейшим регулятором является переменный резистор. Он позволяет без искажений регулировать переменное напряжение. Также такой резистор применим и при постоянном токе.
Схема с переменным резистором.

Элементарная схема регулятора

Схема с переменным резистором
Если разность потенциалов на входе значительно больше 12 вольт на выходе, в регуляторе будет теряться энергия. На переменном резисторе будет выделяться тепло. Чтобы избежать потерь тепла, на переменном токе надо применить переменную индуктивность, которой может стать ЛАТР. Его пропускная способность ограничивается, как и в переменном резисторе, конструкцией подвижного контакта. Но если допустимо переключение путем переставления между витками перемычки с надежными контактами, можно получать значительную силу тока.

Индуктивный регулятор
Другим способом регулирования своими руками переменного напряжения 12 вольт может быть изменение индуктивности регулятора. Для этого вручную изменяется либо зазор, либо число витков, специально предназначенных для этого. По такому принципу устроен регулируемый сварочный трансформатор, используемый для электропитания вольтовой дуги. Если регулятор напряжения 12 вольт не обладает свойствами стабилизатора и управляется своими руками, разность потенциалов на нагрузке необходимо контролировать вольтметром.

Переменный резистор и переменная индуктивность могут быть использованы и как регулятор тока. В этом случае необходимо контролировать ток в нагрузке амперметром. Если параметры напряжения на нагрузке не оговорены, за исключением его величины в 12 В, регулировать можно диммером. Это может быть мощный регулятор, поскольку он обычно выполнен на основе тиристора. А современные тиристоры выпускаются для очень широкого диапазона разности потенциалов и тока.
Схема номер 1

Имелся стабилизированный импульсный блок питания, дающий на выходе напряжение 17 вольт и ток 500 миллиампер. Требовалось периодическое изменение напряжения в пределе 11 – 13 вольт. И общеизвестная схема регулятора напряжения на одном транзисторе с этим прекрасно справлялась. От себя добавил к ней только светодиод индикации да ограничительный резистор. К слову, светодиод здесь это не только «светлячок» сигнализирующий о наличии выходного напряжения. При правильно подобранном номинале ограничительного резистора, даже небольшое изменение выходного напряжения отражается на яркости свечения светодиода, что даёт дополнительную информацию о его повышении или понижении. Напряжение на выходе можно было изменять от 1,3 до 16 вольт.

КТ829 — мощный низкочастотный кремниевый составной транзистор, был установлен на мощный металлический радиатор и казалось, что при необходимости он вполне может выдержать и большую нагрузку, но случилось короткое замыкание в схеме потребителя и он сгорел. Транзистор отличается высоким коэффициентом усиления и применяется в усилителях низкой частоты – видно действительно его место там а не в регуляторах напряжения.

Слева снятые электронные компоненты, справа приготовленные им на замену. Разница по количеству в два наименования, а по качеству схем, бывшей и той, что решено было собрать, она несопоставима. Напрашивается вопрос – «Стоит ли собирать схему с ограниченными возможностями, когда существует более продвинутый вариант «за те же деньги», в прямом и переносном смысле этого изречения?»

























































