Характеристики прибора
СВЧ датчикам обычно соответствуют следующие параметры:
- частотность магнитного волнового излучения (примерно 5.8 ГГц). Зависит от марки выбранного прибора;
- мощность электромагнитного излучения для создания поля. Изменяется в рамках 50–2200 Вт. Самые низкие показатели считаются максимально безопасными для человека и наоборот;
- рабочее пространство в пределах 120–360 градусов. Угол работы устройства можно менять вручную, корректируя направление фольгированного монитора;
- быстрота срабатывания в пределах 3 секунд — 12 минут. Подобный показатель закладывает завод изготовитель, чем качественнее изделие, выше его цена, тем быстрее проходит реакция;
- радиус работы. Изменяется в рамках 2–12 м, заложен производителем, но меняется вручную в пределах допустимых значений.

Чем быстрее срабатывает прибор, насколько больше характеристик можно изменить вручную, чем большее пространство он охватывает, тем выше будет его стоимость. Подобная особенность, при учете изначально высокой цены на приборы электромагнитного типа излучения, делает их менее доступными для бытового использования. Чаще их применяют крупные заводы, корпорации, которые могут себе позволить подобные расходы.

Как установить? Схема подключения
Процесс монтажа состоит из 3 этапов:
- Выбор правильного места установки.
- Подготовка места.
- Непосредственно установка.
Так как существуют потолочные и настенные датчики движения, следует знать их характеристики, и выбирать по ситуации и местоположению максимально эффективные:
- Потолочные идеально подходят для небольших помещений. Угол контролируемой зоны составляет 360 градусов, а угол расхождения лучей – 120 градусов, при условии, что прибор будет подвешен на высоту 3 метров от уровня земли. Тогда зона контроля датчика будет составлять до 20 метров.
- Настенные. Можно устанавливать как в помещении, так и на улице. Угол расхождения лучей равен 90 градусам, а охраняемая зона составляет 15 метров.
Вариантов размещения датчика движения очень много, он наиболее эффективен будет в углу помещения. При этом, пучок лучей обнаружения будет охватывать определённое пространство, и «мёртвые зоны» сведутся к минимуму.
При установке прибора на улице, необходимо установить его с наибольшей зоной обхвата, при этом, учитывается дальность действия и зона расхождения лучей.
В частном доме, датчик движения имеет наибольший коэффициент полезного действия над входной дверью, на высоте 2,5 – 3 метра и на небольшом расстоянии от лампы. При этом, происходит минимальная затрата на провода.
Очень редко датчики ставят на заборы, калитки и ворота, при такой установке они приобретают характер домашней сигнализации и тогда их лучше всего подключать не к лампе, а к звуковому сигналу.
В некоторых случаях, возможна комбинация настенного и потолочного приборов. Например, когда необходимо автоматическое включение освещения и на лестничной клетке (при открывании дверного замка), и в прихожей.

https://youtube.com/watch?v=YiWmUeN1Btg
Как избежать ложного срабатывания
Во избежание ложного включения освещения в рассмотренных выше схемных решениях следуйте таким советам:
- Не размещайте датчики возле деревьев или устройств нагрева.
- Разрывайте всегда только фазу.
- Следите, чтобы к датчику не проникали лучи света, к примеру, от лампы накаливания.
- Крепите изделие с учетом типа (настенный, потолочный).
- Не монтируйте устройство возле кондиционеров или окна, где имеет место движение воздуха.
- Следите, чтобы стекло инфракрасного изделия было чистым и неповрежденным.
Следование указанным выше советам позволяет быстро и без ошибок подключить устройство для контроля освещения на лестнице, в квартире или на улице.
Возможные варианты подключения датчика
Благодаря новым технологиям, в настоящее время можно подобрать проводные и беспроводные датчики в большом ассортименте. Первые работают напрямую через соединение датчика с пультом управления, для вторых потребуется промежуточное реле, которые поможет вывести информацию, полученную через датчик, на модуль GSM. Среди популярных в Москве и других городах России, можно отметить следующие марки:
- Кситал;
- Страж;
- Falcon Eye;
- Osram;
- Schneider Electric;
- Sen;
- Ultralight;
- Theben;
- Visonic и другие.
Если изначально, проводные модели могли предоставить больший функционал и считались лучшим вариантом для установки, то теперь производители позаботились об огромном выборе микропроцессоров, дополнительных модулей и встроенных контроллеров. В качестве дополнительных параметров стали эффективно использоваться условия защиты от животных и маленьких детей, визуальная маскировка. Доступ к современным датчикам осуществляется сразу через несколько каналов оповещения, может быть использован принцип эхолокации, когда устройства защищены с помощью волнового отражения, расширена территория влияния от 1.5 м до 25 м. Подобные возможности системы делают территорию неприступной для злоумышленников и комфортной для хозяев.
Схемы подключения датчика
Микроволновые устройства подключаются по проводной или беспроводной схеме. Первый вариант актуален, если монтаж выполняется на этапе проведения ремонтных работ, когда есть возможность выполнения скрытой прокладки кабелей без нарушения внутренней отделки.
Беспроводные устройства привлекают простым и быстрым монтажом. Они энергонезависимы, работают от аккумулятора, из-за отсутствия необходимости в подключении к электросети появляется больше вариантов размещения оборудования. Важным аргументом в пользу такого выбора может стать тот факт, что датчик может быть установлен в рамках реализации проекта по наращиванию действующей системы безопасности.
Характеристики
При покупке датчика движения важно учесть ряд параметров, от которых зависят особенности, место подключения, а также условия для применения. Главные характеристики при выборе:
Главные характеристики при выборе:
- МАССА. Современные датчики освещения имеют массу от 25 до 240 г.
- Максимальная мощность нагрузки. При выборе изделия необходимо смотреть на допустимую нагрузку. Так, один датчик может коммутировать устройства мощностью от 60 до 2300 Вт. Учтите, что при использовании более мощных устройств может потребоваться замена проводки или установка автомата с более высоким номинальным током.
- НАПРЯЖЕНИЕ. Рабочее напряжение колеблется в широком диапазоне от 1,5 до 220 Вольт. Условно датчики движения делятся на несколько групп — 1,5 В, от 2.2 до 3.6 В, на 220 В, на 5 или 9 В.
- МАКСИМАЛЬНЫЙ УГОЛ ОБЗОРА. Здесь диапазон находится в пределах от 30 до 360 градусов. В последнем случае устройство работает по всему периметру помещения.
- ДАЛЬНОСТЬ ДЕЙСТВИЯ. Минимальный и максимальный параметр расстояния составляет 8 и 120 м. Здесь нужно учитывать объект, на котором предусматривается освещение. Не стоит выбирать датчики с чрезмерно завышенным параметром, ведь они могут реагировать на движение посторонних.
- РЕКОМЕНДУЕМАЯ ВЫСОТА УСТАНОВКИ. Здесь допустимый параметр колеблется в диапазоне от 1,2 до 16 м.
- НАЛИЧИЕ СВЕТОДИОДНОГО ИНДИКАТОРА. В некоторых датчиках устанавливается светодиод, который при наличии сигнала начинает моргать. Возможны и другие варианты светодиодной индикации.
Это основные характеристики, которые необходимо учесть при покупке. Более подробно на критериях выбора мы остановимся ниже.

Возможные проблемы
К ложным срабатываниям и некорректной работе датчика, про которые мы упоминали выше, могут приводить и другие причины:
Установка настенного датчика на потолок. Если была допущена такая ошибка, то устройство будет работать не корректно ведь углы обзора у них отличаются.
Произвольное включение датчика после его отключения. Такое часто происходит с ИК изделиями, когда рядом с устройством находится источник света, луч от которого напрямую поступает на чувствительный элемент
Поэтому важно размещать далеко от осветительных приборов.
Влияние сквозняков, ветра и бликов. Нельзя монтировать датчик на кондиционеры, над окнами, в коридорах, где дует сильный сквозняк
Над местами, где скапливается вода и куда попадают прямые солнечные лучи. Отраженные блики попадая на чувствительный элемент датчика будут приводить к частому его срабатыванию.
Стоимость

датчик REV RITTER
На современном рынке электротехнических изделий, цены варьируются в зависимости от сборки, качества электронной составляющей изделия и гарантии от производителя.
Кампания IEK выпускает качественную и недорогую продукцию. Цены на датчики движения начинаются от 499 рублей. Производятся как настенные, так и потолочние модели с различными углами захвата. Почти на всех приборах степень защищенности IP 44, что позволяет эксплуатировать продукцию фирмы при неблагоприятных условиях. Также, можно подобрать индивидуальный цвет, чтобы не нарушить гармонию интерьера.
REV RITTER производит датчики движения стильного дизайна, что позволяет монтировать их в незаметных местах, например при создании домашней сигнализации. Средняя цена на изделия кампании составляет 750 рублей.
BRENIN пользуется наибольшее популярностью, так имеет золотую пропорцию качества и цены. Продукция фирмы на 80% беспроводная и имеет такой критерий как место установки (улица или дом), в основном заточена под систему «Умный дом».
Очень велико разнообразие цветов, оттенков и дизайна, что позволяет покупателям подобрать для себя максимально подходящий вариант. Датчики BRENIN имеют несколько режимов работы, могут включаться в дневное время суток, в сумерках и ночью. Прибор может быть закреплён на абсолютно на любой поверхности.
Стоимость электротехнических изделий кампании BRENIN начинается от 1500 рублей.
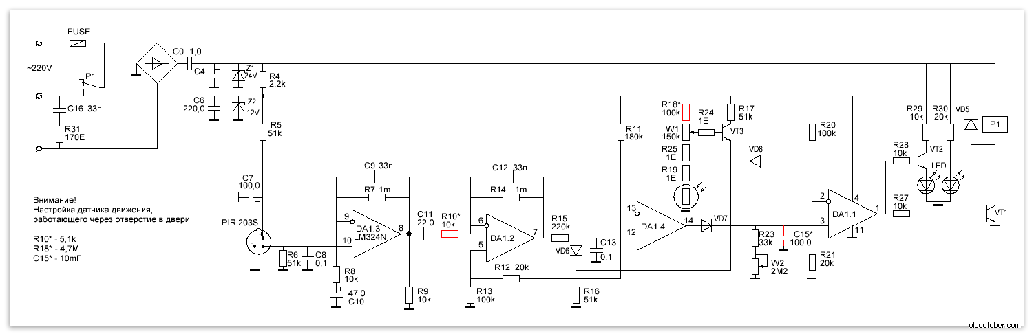
Схемы сборки
Это можно использовать и в системах сигнализации. Один из вариантов — это использование специального термовыключателя, который будет отключать кофеварку. Это объясняется дешевыми комплектующими, простой схемой сборки, отсутствием дополнительных сложных настроек, широким температурным диапазоном работы. Схемы сборки Микроволновый Для контроля открытых пространств и контроля наличия объектов в нужной зоне, существует емкостное реле.
Схема 3. Все работы ведутся только после снятия общего напряжения В.
Видео 2. Провод МГТФ используется для подключения датчика фторопластовая изоляция.
Подключение проводов делаем следующим образом: провод фазы питающего кабеля подключаем вместе с фазным проводом от датчика коричневый и белый.
Если Вам нужно провести ремонт, то все индикаторы, разбираются очень быстро и в основном проблема заключается в контактах, просто зачистите их.
Датчик неплохо отрабатывает движения, однако если движения очень медленные — он может не срабатывать.
Транзистор VT1 является высокочастотным генератором и по совместительству радио приемником.
Датчики движения ДД 009 и ДД 008 Специализированная и нестандартная схема подключения
Статья по теме: как открыть электролабораторию до 1000v
Типы датчиков
Разновидности датчиков движения
По месту установки выделяют наружные и внутренние приборы. Наружные применяются на улице – например, для придомового пространства или хозяйственных построек. Радиус действия может достигать 500 м. Есть специализированные устройства, которые охватывают большую территорию.
Внутренние датчики используются в домах и квартирах. Они менее устойчивы к ультрафиолетовому излучению и скачкам температуры. Часто устанавливаются в гаражах, кладовках, коридорах, туалетах. Также выполняют роль охранной системы.
Тип сигнализации:
- Ультразвуковой. Ультразвуковые волны отражаются от поверхности предметов и стен. Если в зоне видимости отмечено движение, волны меняют частоту, что фиксирует датчик. Эти устройства отличаются недорогой ценой и устойчивостью к атмосферному воздействию. Из недостатков можно выделить дискомфорт у животных, которые чувствительны к ультразвуку, и реагирование только на быстрое движение.
Инфракрасный. ИК датчики измеряют температуру помещения и реагируют, если в поле видимости попадает высокотемпературный объект. К плюсам можно отнести возможность регулировки дальности и угла действия, возможность использования вне дома, а также полную безопасность для человека и животных. Минусы – высокий риск ложного срабатывания (на отопительные приборы, чайники и другие устройства с высокой температурой), неустойчивость к атмосферным явлениям.
- Микроволновый. Работает по принципу радиолокатора – посылает сигнал и принимает отражение. При нарушении возвращаемого сигнала происходит включение цепи и свет загорается. Это более современное устройство, чем ультразвуковой сенсор. Такие устройства могут сканировать область за стеклом или тонкой стеной, работают при любых температурах, а также фиксируют малейшее движение. Недостатки – самая высокая стоимость из всех видов, повышенная чувствительность и риск негативного воздействия на здоровье человека.
- Комбинированный. В сенсоре используется комбинация их нескольких датчиков, что уменьшает риск ложного срабатывания и тщательнее сканирует радиус действия. Недостатком такого устройства является высокая стоимость.

Принцип работы
Сенсор движения производит контроль местности, которая попадает в его радиус обзора. Он реагирует на движение, после чего включается свет. Территория действия датчика зависит от таких параметров как угол и дальность. Они могут различаться в разных моделях.
С помощью инфракрасного излучения производится сканирование зоны действия. Если сенсор фиксирует появление объекта с температурой, присущей живому существу, подается несколько импульсов. Они воздействуют на электрическую цепь и замыкают ее, в результате чего загорается светильник. При отсутствии импульсов цепь разрывается и происходит отключение электричества.
К преимуществам датчиков относят:
- Экономия электроэнергии. Светильник работает только в то время, когда в его зоне видимости находятся люди. Увеличить экономию можно путем использования светодиодных ламп.
- Универсальность. Можно подключить не только к осветительным устройствам, но и к телевизору, кофемашине и другим приборам.
- Обеспечение дополнительной безопасности жилища.
- Удобство управления.
Недостатки:
- Цена.
- Сложность установки.
Установка и настройка датчика зависит от его вида.
Где используются, виды
Изделия бывают нескольких видов — потолочные, настенные и для скрытого монтажа. Также они условно делятся на несколько типов по принципу действия (на этом подробнее остановимся ниже).
При выборе учитывайте и место установки. Датчики делятся на бытовые и для уличного освещения.

В последнем случае применяются материалы, защищающие устройство от негативных природных воздействий. Оно может подключаться на лестнице или на улице. Бытовые устройства предусмотрены для монтажа внутри дома.
В зависимости от обстоятельств датчики, контролирующие движение, могут подключатся к прожектору, лампам и даже умному дому Ардуино.
Основные производители устройств — ЭРА, Эван, TDM, LLT, Orbis, Duwi, Camelion, Brennenstuhl, Elektrostandard, FERON, REV, REXANT, Rubetek и другие.
Разновидности датчиков
Разновидности датчиков Не смотря на одинаковый принцип действия, их назначение может быть разным, в зависимости от условий эксплуатации. Поэтому, выбирая датчик, следует в первую очередь определиться с тем, где он будет установлен.
Устройства, предназначенные для установки на открытом воздухе, выполняются в более защищенном корпусе, тем более, если они работают от сети 220V. Степень защиты помечается двумя буквами (IP) и цифрами. Так, для эксплуатации вне помещения следует выбирать электрооборудование, имеющее степень защиты IP 55 и не ниже, а в случае установки внутри помещения – с пометкой до IP 55.
Выбор по типу питания
В зависимости от конструкционных особенностей, датчики работают:
- От сети, напряжением 220 V.
- От гальванических элементов питания (батареек или аккумуляторов).
Датчики движения бывают проводными и беспроводными
Наиболее востребованными считаются устройства, работающие от напряжения 220 V, то есть проводные. Меньший спрос на датчики, которые работают от батареек или аккумуляторов, но в последнее время все больше отдают предпочтение независимым источникам питания. К тому же, бывают случаи, когда необходим именно беспроводной датчик движения, работающий от солнечной батареи, например.
Принцип действия датчика движения
Принцип работы датчиков движения может быть различным. Поэтому различают:
- Инфракрасные датчики движения, которые реагируют на тепло, излучаемое теплокровными существами. Представляют пассивные устройства, поскольку сами никаких сигналов не излучают, а только реагируют на них. Такие типы датчиков реагируют не только на появление человека, но и на движения животных.
Работа инфракрасных датчиков движения основаны на отслеживании тепла, выделяемого человеком
- Акустические датчики, реагирующие на звуковые сигналы. Это также пассивные устройства, которые включают различные устройства от хлопка руками или от звука открывающейся двери и т.д. Их удобно устанавливать в подвалах частных домов или городских квартир. Как правило, в подвалах появляется шум только тогда, когда в него кто-то заходит. Что касается других условий эксплуатации, то нужно хорошо подумать.
- Микроволновые датчики движения. Это уже группа активных устройств, поскольку датчики движения сами генерируют микроволны и сами их отслеживают. Если в их «поле зрения» появляется движущийся объект, то они включают сигнализацию, как световую, так и звуковую. Чувствительные модели таких устройств могут контролировать помещения, находящиеся за перегородками. Как правило, подобные типы датчиков применяются в охранных системах.
- Ультразвуковые датчики отличаются от микроволновых только диапазоном излучаемых сигналов. Используются не так часто, поскольку на него могут реагировать животные. Длительное излучение ультразвука может также негативно сказаться на здоровье человека.
Разное исполнение, но цвет, в основном, белый и черный
- Комбинированные, в которых заложено несколько принципов реагирования на движущиеся объекты. Эти устройства считаются наиболее надежными, но и стоят они гораздо дороже.
Как правило, в основном используются инфракрасные датчики, поскольку это недорогие устройства, а их радиус действия устраивает потенциальных покупателей. К тому же, датчики оборудованы регуляторами для более точной настройки. Ультразвуковые и микроволновые датчики лучше устанавливать в длинных коридорах или на лестницах, поскольку у них гораздо больше радиус действия. Для охраны важных объектов лучше подойдут микроволновые датчики, тем более что они способны обнаружить движущийся объект даже за перегородкой.
Датчик Движения. Схема подключения датчика движения. Как самостоятельно подключить датчик движения.
Настройка ДД
Датчик нужно отрегулировать и выставить свои настройки. Практически все параметры выставляются с помощью поворотных регуляторов на корпусе изделия. Для поворота применяется специальная маленькая отвертка.
Угол наклона выставляется в первую очередь. Это делается путем поворота самого датчика, который крепится на стену при помощи кронштейна. Точный алгоритм настройки дать нельзя – все зависит от высоты установки, индивидуальных особенностей помещения и выбранной модели. Существуют рекомендации по выбору оптимальной высоты – 2,4 метра. Тогда даже сенсоры с охватом 15-20 градусов могут сканировать достаточно большую площадь.
Чувствительность на корпусе отмечена как SEN. Положение рычажка меняется от минимального до максимального. Это самая сложная настройка, так как даже минимальное смещение рычага может привести к реагированию на мелких домашних животных. Порядок настройки следующий: сначала выставляется минимум и проверяется, на что он реагирует. Затем понемногу увеличивается чувствительность до оптимальных значений.
Время задержки зависит от выбранной модели. В среднем оно составляет от 3 секунд до 15 минут. Выставляется поворотом рычажка Time. Ставится то время, которое хочется пользователю.
Уровень освещенности относится к устройствам с датчиком освещенности. Это самые популярные модели для использования в домашних условиях. За выставление освещенности отвечает рычажок LUX. Его нужно поставить сначала в максимальное положение в дневное время. По мере уменьшения света в помещении рычаг поворачивается к положению min до тех пор, пока светильник не загорается.
Угол охвата по горизонтали и вертикали
Углы охвата показывают, какую область будет перекрывать датчик, а что останется вне поля зрения. Чем больше углы обзора, тем большую область прибор способен захватить. Однако не для всех задач «больше» означает «лучше». Например, вам нужно, чтобы датчик включался, когда вы выходите из дома в «преддомовую» зону, но при этом чтобы он не срабатывал, на проходящего мимо забора человека. В этом случае нужно, чтобы угол был относительно небольшим.
Существуют модели с углом захвата в 360°, то есть они «видят» все, что происходит вокруг и реагируют на соответствующее движение в пределах действия датчика (дальность устройства). Однако это верно лишь для настенных моделей. В потолочных устройствах угол захвата по горизонтали будет напрямую зависит от угла охвата по вертикали. Если угол по горизонтали будет 360° (в случае с конусообразными датчиками), а по вертикали 180°, тогда под потолком будут оставаться «мертвые» зоны. Хотя это не особо критично, так как по потолку люди еще не научились ходить.
Лучшие датчики движения для дома
Для улучшения комфорта можно купить датчики движения для дома, которые работают в паре с интеллектуальными системами управления бытовой техникой. Сенсоры управляют освещением, передают данные шлюзу, обрабатывающему данные и отправляющему команды исполнительным устройствам. Информация с детекторов может использоваться для постановки объекта на охрану.
Smart Land SL MD-02
Модель с пироэлектрическим сенсором и беспроводной связью по Wi-Fi. Реагирует на ИК излучение. Основная функция – включение освещения при обнаружении движения. После срабатывания отправляет push-уведомления, которые можно прочитать с помощью приложения на смартфоне. Интегрируется в экосистему Smart Land, пользователь может выбрать любой удобный сценарий использования датчика, например, постановку сигнализации на охрану после ухода из дома.
Работает датчик движения на батарейках класса CR123A, устанавливается на подставку, которая идет в комплекте. Угол обзора 110 градусов, рекомендуется использовать при комнатной температуре. Дальность действия сигнала Wi-Fi – 45 метров.
Достоинства:
- Высокая чувствительность;
- Сообщение на смартфон приходит за 3-4 секунды после срабатывания;
- Наличие таймера;
- Низкое энергопотребление;
- Запись сигналов в раздел «История».
Недостатки:
Не обнаружены.
PS-Link PS-WP001
Укомплектован модулем Wi-Fi, работает в паре со стационарным или мобильным роутером. Является частью системы «Умный дом» Smart Life, может интегрироваться для решения разных задач или как самостоятельное устройство, предназначенное для включения света при обнаружении движения. Настройки, работа контролируются с помощью смартфона на базе Андроид. При срабатывании отправляет push-сообщения.
Работает по прописанному сценарию, есть два режима с разным потреблением электроэнергии. Предусмотрен контроль состояния заряда в батареях. Поддерживает сервис управления голосом. Корпус изготовлен из ударопрочного пластика, надежно защищает от высокой влажности. Угол обнаружения 120 градусов, радиус – 5 метров. Стабильно работает при морозе в 10 градусов, что позволяет использовать в неотапливаемых гаражах, верандах, пристройках.
Достоинства:
- Питание от стандартных батареек ААА;
- Крепление на двухсторонний скотч;
- Небольшие размеры делают малозаметным;
- Хорошая чувствительность;
- Подробная инструкция.
Недостатки:
Цена выше, чем у аналогов.
Xiaomi Mi Smart Home Occupancy Sensor
Имеет небольшой размер и цилиндрическую форму, может крепиться к вертикальным или горизонтальным поверхностям. Фиксация с помощью двухстороннего скотча, который поставляется в комплекте. Цилиндр, высотой 3 см, легко спрятать в комнате, где минимальное количество мебели. Корпус изготовлен из ударопрочного пластика, хорошо защищает от пыли и высокой влажности. Работает от батарейки CR2450, заряда которой достаточно на 2 года работы.
Хороший обзор – 170 градусов, радиус действия 7 метров позволяет использовать одно устройство для контроля большой комнаты. Интегрируется в среду Mi Home, работает в паре со шлюзом Gateway. Легко синхронизируется с фирменными умными лампами, выключателями китайского бренда.
Достоинства:
- Стабильное подключение по протоколу ZigBee;
- Работает при температуре -10 градусов;
- Простая настройка, перезагрузка;
- Низкое энергопотребление.
Недостатки:
Инструкция только на китайском языке.
Philips Hue
Работает в комплексе с фирменным блоком управления, созданным для системы умного освещения дома. Имеет встроенный датчик освещения, который можно настраивать с учетом индивидуальных потребностей. Может включать яркий дневной свет или мягкое ночное освещение в зависимости от прописанных сценариев.
Корпус изготовлен из прочного пластика, класс защиты IP42. Производитель предлагает два варианта крепления – одним винтом или с помощью магнита, идущего в комплекте. Связь со шлюзом осуществляется по протоколу ZigBee.
Достоинства:
- Удобное крепление;
- Небольшие размеры;
- Широкий выбор сценариев;
- Радиус действия 7 метров.
Недостатки:
Нужен центр управления.
Начнем с начала
Беспроводной датчик, реагирующий на движение включением света, представляет собой довольно миниатюрное устройство. Принцип работы подобного рода приборов заключается в фиксации на заданной области пространства движения и активации при этом осветительного прибора, приводя к включению освещения.
Такие приборы оснащены приемником сигналов разного типа. В качестве приемника выступает сенсор, на который поступает сигнал о том, что в заданной зоне появилось движение. В сенсоре происходит преобразование сигнала в электрический импульс, который отправляется далее на светильник. Результатом работы датчика будет включение света.

Принцип работы датчика
Из-за того, что возможно ложное срабатывание датчика, подобные устройства часто идут с дополнительным оборудованием в различных модификациях. Очень часто беспроводные устройства для включения на улице освещения снабжены видеокамерами. Миниатюрная камера зачастую встроена в прибор и может вести видеорегистрацию вне зависимости от самого датчика. Такое дополнительное оборудование является неотъемлемой частью качественной и эффективной сигнализации.

























































