Устройство и принцип работы
Трёхфазный прибор учета электроэнергии работает в сетях, где номинальная мощность превышает 15 кВт. Электросчетчик состоит из:
- токовой обмотки;
- обмотки напряжения;
- червячного механизма (отвечает за движение стрелки);
- алюминиевого диска;
- магнита (служит для аварийной остановки подачи электроэнергии).
Трехфазный счетчик оснащен внешним пластиковым коробом. Корпус влагостойкий и защищенный от пыли. Внутри устройство имеет два сердечника. За ними закреплены две обмотки напряжения. В пространстве между ними установлен алюминиевый диск. Он начинает свое вращение при образовании магнитного поля. Это происходит при подключении электричества.
Трехфазный счетчик электроэнергии имеет червячный механизм. Он представляет собой подключение к стрелке или монитору отображения. Затраченные киловатты демонстрируются на экране. Так работает аналоговый прибор.
Цифровые электросчетчики имеют узел АЦП (аналогово-цифровой преобразователь). Он подразумевает передачу импульсов на микропроцессор. Механизм просчитает израсходованные киловатты.
Каждый вывод от обмотки присоединен к клеммам. Далее они выводятся к фазе. Обязательно устанавливаются заводские пломбы. Они предотвратят самостоятельное вмешательство в конструкцию электрооборудования. Трехфазный счетчик без опломбировки не действителен. Использовать его для учета запрещено.

Предварительный этап
Эта схема будет изображена на корпусе устройства, вернее с обратной стороны его крышки. В помещениях, где возможны загрязнения и механические повреждения, монтаж счетчиков осуществляется в предохранительных шкафах.

Косвенное Такая схема подключения трехфазного счетчика используется на высоковольтных присоединениях.

И2 — выход измерительной обмотки. На контактной панели электронного устройства входные и выходные контакты размещены точно таким же образом, как и на всех других типах трехфазных счетчиков.
На первый контакт приходит первая фаза, далее между первым и вторым ставится перемычка, а с третьего уже отходит к нагрузке фаза. Полукосвенное При подключении счетчика через трансформатор необходимо следить за порядком присоединения начала и конца обмоток трансформатора тока, как первичной Л1, Л2 , так и вторичной И1, И2.

С выходных клемм счетчика провода фаз А, В, С подключаются на входные клеммы автоматического выключателя, с выхода которого трехфазное напряжение поступает в домашнюю электрическую сеть. Прибор необходимо проверить на наличие пломб на винтах кожуха. При покупке нужно будет определиться, какой именно тип счетчика необходим: однофазный или трехфазный. При непосредственном включении ТС включается в сеть без измерительных трансформаторов рисунок 2.

И на каждый счетчик приходит и отходит одна фаза с нулем. Далее можно спокойно продолжать установку защитной автоматики в щите, предварительно отключив вводной автомат.
В этом случае подключение к трехфазной сети идет не напрямую, а через трансформаторы. Однофазные и трехфазные приборы учета электроэнергии отличаются по величине подключаемого напряжения. Кроме установки трехфазного электросчетчика, не забудьте о том, что его нужно опломбировать. В частных домах и гаражах применяются только приборы учета прямого включения, потому что в них нагрузка не превышает Ампер или с максимальной мощностью до 60 киловатт.
Рекомендуемая высота от пола 1,4 — 1,7 м. На них обычно пишут разные технические данные год изготовления, ОТК, срок поверки и т. схема подключения трехзфазного счетчика
Какой же прибор выбрать?
Хоть чаще всего желающего установить счетчик буквально ставят в известность о том, какая именно модель для этого требуется и согласовать ее замену весьма проблематично, не взирая на очевидное ее несоответствие требованиям, но все же стоит освоить азы критериев, которым должен соответствовать трехфазный счетчик по своим характеристикам.
Выбор счетчика начинается с вопроса его подключения — через трансформатор или напрямую в сеть, что можно определить по максимальному току. Счетчики прямого включения имеют токи порядка 5-60/10-100 ампер, а полукосвенного — 5-7,5/5-10 ампер. Строго согласно этим показаниям подбирается и счетчик — если ток 5-7,5А, то и счетчик должен быть аналогичным, но никак не 5-10А, например.
Во вторую очередь обращаем внимание на наличие профиля мощности и внутреннего тарификатора. Что это дает? Тарификатор позволяет счетчику регулировать тарифные переходы, фиксировать график нагрузки за любой временной промежуток. А профиль — фиксирует, регистрирует и сохраняет значения мощности за период времени
А профиль — фиксирует, регистрирует и сохраняет значения мощности за период времени.
Для наглядности рассмотрим характеристики трехфазного счетчика на примере его многотарифной модели:
Следует взять на заметку, что на сегодняшний день широко распространены трехфазные счетчики для однофазных сетей и наоборот: когда в трехфазную сеть подключают сразу три однофазных.
Класс точности определяется в значениях от 0,2 до 2,5. Чем больше это значение, тем больше процент погрешности. Для жилых помещений самым оптимальным считается класс 2.
- значение номинальной частоты: 50Гц
- значение номинального напряжения: В, 3х220/380, 3х100 и другие
Если при применении измерительного трансформатора вторичное напряжение равно 100В, требуется счетчик такого же класса напряжения (100В), а также трансформатор
значение полной мощности, потребляемой напряжением: 5 ВА, а активной мощности — 2Вт
- значение номинального-максимального тока: А, 5-10, 5-50, 5-100
- максимальное значение полной мощности, потребляемой током: до 0,2ВА
- включение: трансформаторное и непосредственное
- регистрация и учет активной энергии
Кроме этого, важен диапазон температурных показателей — чем он шире, тем лучше. Средние значения находятся в пределах от минус 20 до плюс 50 градусов.
Также следует обратить внимание на срок эксплуатации(зависит от модели и качества счетчика, но в среднем это 20 -40 лет) и межпроверочный интервал (5-10 лет). Большим плюсом будет и наличие встроенного электросилового модема, с помощью которого происходит экспорт показателей по силовой сети. А журнал событий позволяет нотировать изменения, касающиеся динамики напряжения, активной и реактивной энергии и прямо транслировать их на компьютер или соответствующий коммуникационный центр
А журнал событий позволяет нотировать изменения, касающиеся динамики напряжения, активной и реактивной энергии и прямо транслировать их на компьютер или соответствующий коммуникационный центр
Большим плюсом будет и наличие встроенного электросилового модема, с помощью которого происходит экспорт показателей по силовой сети. А журнал событий позволяет нотировать изменения, касающиеся динамики напряжения, активной и реактивной энергии и прямо транслировать их на компьютер или соответствующий коммуникационный центр.
И самое главное. Ведь выбирая счетчик, мы в первую очередь думаем об экономии
Так вот, чтобы действительно сэкономить на электроэнергии, следует обратить внимание на наличие тарифов. По этому признаку счетчики бывают одно-, двух- и многотарифные. Например, двухтарифные заключаются в комбинации позиций «день-ночь«, непрерывно сменяющие друг друга по графику «7 утра -11 ночи; 11 ночи -7 утра» соответственно
Стоимость электроэнергии по ночному тарифу на 50% ниже дневного, поэтому имеет смысл эксплуатировать приборы, требующие много энергии(электродуховки, стиральные и посудомоечные машины и пр.) именно в ночное время
Например, двухтарифные заключаются в комбинации позиций «день-ночь«, непрерывно сменяющие друг друга по графику «7 утра -11 ночи; 11 ночи -7 утра» соответственно. Стоимость электроэнергии по ночному тарифу на 50% ниже дневного, поэтому имеет смысл эксплуатировать приборы, требующие много энергии(электродуховки, стиральные и посудомоечные машины и пр.) именно в ночное время.
Подключение трехфазного счетчика прямого включения
13 Июл 2018г | Раздел: Электрика
Здравствуйте, уважаемые читатели сайта sesaga.ru. Для учета потребляемой электрической энергии в трехфазных четырехпроводных цепях переменного тока применяют трехфазные электрические счетчики, разделяющиеся по типу подключения на счетчики непосредственного включения, полукосвенного и косвенного включения.
Счетчики полукосвенного и косвенного включения предназначены для работы в мощных электрических сетях и применяются для учета энергии на крупных строительных объектах, промышленных предприятиях, заводах и т.п.

Счетчик измеряет потребляемую энергию с помощью разделительных трансформаторов тока, которые устанавливают на каждую фазу. Трансформаторы преобразуют входной сигнал тока до определенной величины, который затем поступает в измерительную часть счетчика.
Отсюда и происходит название способа включения, потому что в процессе измерения ток сначала проходит через трансформаторы и понижается до рабочего диапазона счетчика, и только потом попадает в его измерительную часть. Поэтому за счет применения трансформаторов счетчики косвенного и полукосвенного включения могут работать с нагрузкой в несколько раз превышающей их рабочий ток.

Счетчики непосредственного включения применяются для учета потребляемой энергии в электрической сети маломощного потребителя. Измерение электроэнергии осуществляется внутренней схемой самого счетчика, которая подключается непосредственно к трехфазной четырехпроводной сети переменного тока. И хотя такое включение ограничено максимальным током, который способен пропустить счетчик и ограничено величиной 100 Ампер, однако этого тока вполне достаточно для домашней электрической сети.

На примере трехфазного счетчика непосредственного включения «Энергомера» я расскажу Вам, как его включить в трехфазную сеть. В принципе, схема подключения дается в руководстве по эксплуатации и дополнительно изображена на корпусе счетчика, поэтому проблем с подключением возникнуть не должно. Однако эти схемы имеют один минус – на них не показано включение коммутационной аппаратуры.


Сейчас мы этот минус устраним. Итак. Для подключения нам понадобится счетчик, два автоматических выключателя и нулевая шинка. Автомат, который будет стоять на вводе (перед счетчиком), желательно установить четырехполюсный, чтобы при необходимости или возникновении аварийной ситуации можно было полностью отключить себя от линии.

Чтобы добраться до клеммной колодки необходимо открутить винт и снять нижнюю крышку. На рисунке винт обозначен кружком.


Сначала подключим вводной автомат. С выходных клемм автомата фазы А, В, С (белый провод) подключают на входные клеммы счетчика 1-3-5, а ноль N (синий провод) на клемму 7.

В процессе монтажа провод от изоляции очищают следующим образом: конец провода, подключаемый к выходной клемме автоматического выключателя, очищают от изоляции на длину 8 – 10 мм, а конец, подключаемый к клемме счетчика, очищают на длину 27 – 30 мм.

При подключении провода к счетчику откручивают оба винта контактного зажима. Провод вставляют до упора и первым закручивают верхний винт. Легким подергиванием провода убеждаются, что он плотно зажат и если зажат, то затягивают нижний винт.

Совет. Если счетчик предполагается использовать в частном доме или квартире, то монтаж внутренних соединений выполняется медным проводом сечением 4мм². Использовать провод сечением свыше 4мм² нет смысла, так как для домашнего потребителя Россеть более 15 кВт не дает и по техническим условиям вводной автомат разрешает устанавливать на нагрузку не более 25 Ампер. А рабочий ток медной жилы сечением 4мм² составляет приблизительно 32 Ампера, чего вполне достаточно.
Продолжаем. С выходных клемм счетчика 2-4-6 провода фаз А, В, С подключаются на входные клеммы автоматического выключателя, с выхода которого трехфазное напряжение поступает в домашнюю электрическую сеть. С клеммы 8 нулевой провод N подключается к нулевой шинке.


А вот как выглядит полная монтажная схема включения трехфазного счетчика.

Теперь если подать напряжение на счетчик, то на его лицевой панели должен зажечься световой индикатор «Сеть». А при подключении нагрузки световой индикатор «600 imp/kW•h» (или «400 imp/kW•h» — в зависимости от исполнения) должен мигать.

Также рекомендую посмотреть ролик о включении трехфазного счетчика прямого включения в трехфазную электрическую сеть.
Как подключить однофазный

Однофазный электросчётчик можно подключить только в соответствующую однофазную сеть.
Для установки понадобятся:
- отвёртка — для манипуляций с винтом клемм;
- нож — для зачистки изоляции проводов;
- мультиметр – для определения фазы.
В однофазной электросети на входе от поставщика электроэнергии или трансформатора имеется два провода. Они же присутствуют, если в сети работают трансформаторы тока. Следует отметить, что входная проводка уже очищена от изоляции на необходимый уровень, чтобы полностью зайти под клемму.
Замечание специалиста: не следует удалять с входных проводов изоляцию, во избежание проблем с Энергонадзором. Ведь именно излишнее снятие изоляции позволяет подключать приборы перед счётчиком, и тем самым воровать электроэнергию.
На однофазном электросчётчике расположены четыре клеммы. Обычно они нумеруются слева направо:
- клемма 1 – для входа фазы;
- клемма 2 – для выхода фазы;
- клемма 3 – для входа нуля;
- клемма 4 – для выхода нуля.
Входные провода однофазной сети редко делают разноцветными. Поэтому определять, где фаза, а где ноль, нужно с помощью мультиметра.
Провода подключаются последовательно:
- Сначала входная фаза подключается к клемме 1.
- Затем, входной ноль подключается к клемме 3.
- Потом необходимо зачистить изоляцию на выходных проводах, присоединить к автомату, и подключить к клемме 2 проводок выходной фазы, и к клемме 3 проводок выходного ноля.
На старых индукционных счётчиках клемма затягивается одним винтом, на современных – двумя. В любом случае не следует их очень сильно затягивать. Так как их прочность все равно будет проверять контролёр Энергосбыта.
Принцип работы трёхфазного счётчика электроэнергии

Для примера рассмотрим модели «Нева». Они имеют конструктивное исполнение для установки на 3 винта и DIN-рейку. Корпуса приборов сделаны из прочных негорючих материалов, предохраняют устройства от пыли, влаги, ударов и других воздействий. Незаметно вскрыть корпус и повредить механизм практически невозможно.
Чтобы не допустить вмешательство посторонних лиц, все выходы пломбируются. При покупке устройства необходимо проверить наличие всех пломб и элементов защиты, в противном случае электросчётчик может оказаться непригодным для эксплуатации.
При монтаже трёхфазных приборов учёта принимается во внимание наличие нулевого провода. Если в сети он есть — ставят четырёхпроводную модель, если нет — трёхпроводную
В большинстве случаев трёхфазные счётчики электрической энергии позволяют снимать показания как удаленно, при помощи программных интерфейсов, так и непосредственно с табло. Для обмена данными прибор имеет встроенный инфракрасный порт. Погрешность измерения соответствует классу точности 1 и 0,5.
Использовать трёхфазный счётчик электроэнергии можно как в бытовой сфере, так и на промышленных и энергетических предприятиях. Средняя наработка до отказа составляет 210–280 тысяч часов, а срок службы — около 30 лет.
Как подключить электросчетчик через трансформаторы тока?
Схем такого подключения существует несколько. Разберем все эти схемы применительно к трехфазному варианту включения. Для чего нужны электросчетчики? Вообще счетчики нужны для того, чтобы учитывать электрическую энергию, потребленную в трех- и четырехпроводных сетях с частотой тока, равной 50 герц.Счетчики трехфазного типа бывают следующих видов:
- 3*57.7/100 В;
- 3*230/400 В.
К источнику электроэнергии такие счетчики необходимо подключать с использованием измерительных трансформаторов тока, рассчитанных на вторичный ток 5 А и трансформаторов напряжения со вторичным напряжением 100 В.
Рассматриваемые тут схемы применимы к любым типам счетчиков (и к аппаратам индукционного типа, и к электронным).
Первое, что необходимо помнить, выполняя подключение, это то, что при подключении необходимо соблюдение полярности подключения обмоток (Л1, Л2 – первичная; И1, И2 – вторичная) у трансформаторов тока. Полярность обмоток трансформаторов напряжения, так же, подлежит обязательной перепроверке. Сами трансформаторы, тоже нужно выбирать правильно.
О принципах подключения с использованием трансформаторов тока
Начнем рассматривать схемы подключения со счетчиков, имеющих полукосвенное включение. Таких схем существует несколько.
Десятипроводная
В этой схеме разделены цепи питания по току и напряжению, что придает немалый плюс из соображения электрической безопасности.
Отрицательная сторона этой схемы – проводов для подключения надо много.
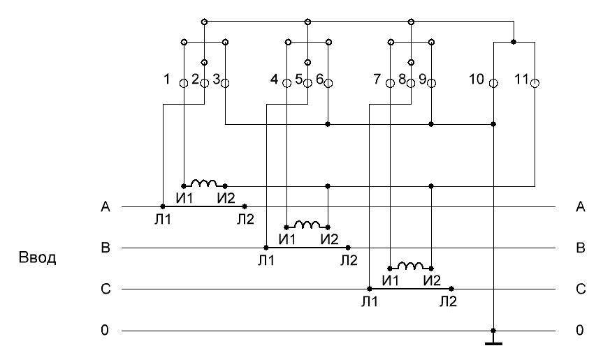
Теперь разберем назначение имеющихся зажимов:
- Зажим входного провода для фазы А;
- Зажим входного провода измерительной обмотки фазы А;
- Зажим выходного провода для фазы А;
- Зажим входного провода фазы В;
- Зажим входного провода измерительной обмотки фазы В;
- Зажим выходного провода для фазы В;
- Зажим входного провода для фазы С;
- Зажим входного провода измерительной обмотки фазы С;
- Зажим выходного провода для фазы С;
- Зажим входного нулевого провода;
- Зажим нулевого провода.
Контакты трансформаторов тока:
- Л1 – контакт входа фазной (силовой) линии;
- Л2 – контакт выхода фазной линии (нагрузки);
- И1 – контакт входа обмотки измерения;
- И2 – контакт выхода обмотки измерения.
Вот описание схемы такого подключения.
Токовые трансформаторы подключать нужно в разрыв фазных проводов клеммами Л1 и Л2.
Фаза А подключается к клемме Л1 трансформатора тока ТТ1, туда же подключается клемма 2 счетчика. Клемма 1 подключается к контакту И1 ТТ1.
Контакты И2 трансформаторов тока ТТ1 и ТТ2 нужно соединить вместе, в эту же точку подключают контакты 6 и 10 счетчика, после чего все это требуется соединить с нейтралью.
Контакты Л2 всех ТТ подключаются к нагрузке. Теперь рассмотрим подключение остальных контактов:
- Контакт 3 счетчика подключаем на И2 ТТ1;
- Контакт 4 счетчика – И1 ТТ2;
- Контакт 5 счетчика – вход фазы В и клемма Л1 ТТ2;
- Контакт 7 счетчика – клемма И1 ТТ3;
- Контакт 8 счетчика – вход фазы С и клемма Л1 ТТ3;
- Контакт 9 счетчика – клемма И2 ТТ3.
Подключение токовых трансформаторов по схеме «звезда»
В такой схеме нужно меньшее число проводов, чтобы выполнить подключение. В этой схеме клеммы И2 всех токовых трансформаторов, соединяясь вместе, подключаются к клемме 11 счетчика. Контакты 3, 6, 9 и 10, соединившись вместе, подключаем на нулевой провод. Остальные клеммы подключаем так же, как и в предыдущем варианте.
Схема подключения с применением испытательной клеммной коробки
Существует специальное требование для выполнения подключения электросчетчиков через трансформаторы (ПУЭ, гл1.5, п1.5.23), говорящее о том, что это подключение необходимо выполнять с применением испытательного блока (коробки).
Присутствие такой коробки (блока) дает возможность производить замыкание вторичных обмоток токовых трансформаторов, подключить эталонный (образцовый) счетчик без отключения нагрузки и выполнять смену счетчиков, производя отключение всех цепей в испытательной коробке.
Без внимания оставим только одну схему – семипроводную (иначе называемую схемой, имеющей совмещенные цепи напряжения и тока). Не рассматриваем ее по той причине, что такая схема устарела.
Существенным ее минусом считается то, что у нее имеется связь гальванического типа между входными и выходными цепями, а это является источником немалой опасности для тех, кто будет обслуживать электросчетчики.
Вот мы и рассмотрели все существующие схемы подключения электросчетчиков с применением трансформаторов тока. Какой из них использовать, индивидуальное дело каждого. Единственное, что необходимо учитывать при этом, так это индивидуальные особенности места необходимой установки прибора и не забывать про требования специальных правил ПУЭ.
Подключение трехфазного счетчика полукосвенного включения
Данные приборы включаются в сеть через трансформаторы тока, благодаря чему появляется возможность использовать их в сетях с довольно высокими мощностями (до 60кВт). Используя такой способ учета, для определения расхода нужно разность показаний умножать на установленный коэффициент трансформации.
Существует несколько разновидностей подключения счетчиков полукосвенного подключения.
1 Подключение трансформаторов тока «звездой»
Процесс подключения проводов имеет вид:
- контакты 3, 6, 9, 10 – замыкаются и подключаются к нулевому проводу;
- контакты И2 – замыкаются, подключаются к клемме 11;
- 1 – к И1 фазы А;
- 4 – к И1 фазы В;
- 7 – к И1 фазы С;
- 2 – к Л1 фазы А;
- 5 – к Л1 фазы В;
- 8 – к Л1 фазы С.
Рисунок — Схема подключения «звездой»
2. Десятипроводная схема включения счетчика
10-ти проводная схема
Эта схема характеризуется улучшенной электробезопасностью, ввиду изоляции друг от друга цепей тока и напряжения.
3. Подключение трехфазного счетчика косвенного подключения
Эти устройства предназначены для выполнения учета электроэнергии на высоковольтных присоединениях (6-10кВ и более), подключение реализуется при помощи трансформаторов напряжения, тока.
Ниже представлены основные схемы подключения трехфазных счетчиков через трансформаторы тока и напряжения:
1) Схема включения трехэлементного счетчика в четырехпроводную сеть с заземленной нейтралью: (рисунок ниже)2) Схема включения трехэлементного счетчика в четырехпроводную сеть. Три трансформатора тока, прямое подключение к напряжению:(рисунок ниже)3) Схема включения трехэлементного счетчика к трехпроводной линии — два трансформатора тока, три трансформатора напряжения:(рисунок ниже)
При подключении трехэлементного счетчика по схеме №3:
- ток по фазе В вычисляется с вычетом тока нулевой последовательности;
- не используются токи прямой, обратной и нулевой последовательности основной частоты (симметричные составляющие);
- активная и реактивная мощности по фазе В вычисляются с вычетом тока нулевой последовательности из фазного тока;
- учет электрической энергии ведется с учетом вышеприведенных замечаний.
4) Схема включения двухэлементного счетчика к трехпроводной линии — два трансформатора тока, два трансформатора напряжения (рисунок ниже)
При подключении счетчика по схемам №4 и №5:
- не измеряется напряжение нулевой последовательности основной частоты (симметричные составляющие);
- не измеряются токи прямой, обратной и нулевой последовательности основной частоты (симметричные составляющие);
- мощности присоединения вычисляются по формулам;
- учет электрической энергии ведется с учетом вышеприведенных замечаний.
5) Схема подключения двухэлементного счетчика к трехпроводной линии – два трансформатора тока, прямое подключение по напряжению (рисунок ниже)
Внимание!: Возможность подключения по конкретной схеме должна быть указана в паспорте или руководстве на конкретный тип счетчика. Счетчик прямого включения трехфазный Энергомера. Счетчик прямого включения трехфазный Энергомера
Счетчик прямого включения трехфазный Энергомера
Сегодняшняя статья посвящена разборке счетчика прямого включения Энергомера ЦЭ 6803В. Напоминаю, у меня уже есть подобная статья про устройство однофазного счетчика Энергомера. Там же – информация о том, как счетчик считает электроэнергию.
На этот раз – не одна, а три фазы!
Кто глубже интересуется темой – я подробно уже написал в другой статье, чем три фазы отличаются от одной.
По таким счетчикам у меня есть ещё одна популярная статья – про подключение и монтаж трехфазных счетчиков. Там очень подробно, как закрепить и подсоединить такие счетчики.
Мне попал в руки трехфазный счетчик, который снят с эксплуатации. Разбирать будем до винтика, приготовьтесь!

























































