Как выбрать аккумулятор для дома
ИБП для дачи мощностью 0,8 кВт
Если выключение света становится постоянным явлением, следует задуматься о приобретении накопителя электроэнергии для дома. Батарея для компьютера проблемы не решит, так как имеет ограниченный ресурс. Необходимы устройства, которые могут обеспечить нормальную жизнедеятельность людей на протяжении нескольких часов, а лучше — суток. Такая техническая рука помощи пригодится при масштабных авариях на линии.
Критерии выбора следующие
- сложность монтажа и ввода в строй;
- стоимость доставки и специального обслуживания;
- устойчивость к перепадам температуры и влажности;
- КПД, у современных устройств он достигает 98%;
- ресурс эксплуатации — 5000-10000 м/ч;
- перегрузочная способность (выдерживание нагрузки при запуске генератора) — 200-300 %;
- время автоматического включения — хороший накопитель энергии для дома при отключении электричества начинает процесс преобразования уже через 10 мс;
- способность работы на малых нагрузках;
- автономность — бак, рассчитанный на сутки работы двигателя;
- качество тока — качественные накопители электроэнергии выдают ток с отклонением от значений промышленного не более 2%;
- количество циклов заряд-разряд — не менее 500;
- мощность — из расчета потребителей с запасом 30%, но не менее 6 кв;
- производимый шум — инверторы работают бесшумно.
Дизельные автономные электрогенераторы
Дизельный генератор
Для компенсации последствий среднесрочных и длительных отключений более подходят дизельные установки, обладающие более высоким моторесурсом и допускающие эксплуатацию в непрерывном режиме.
При создании резерва питания на базе ДЭС (дизельных электростанций) для их установки понадобится отдельное помещение с принудительной вентиляцией, обшитое изнутри звукоизолирующими плитами, так как отличительной особенностью дизельных двигателей является повышенный шум.
В сравнении с бензиновыми резервными системами, дизельные установки более дорогие (на 25-45%), но обладают вдвое большим моторесурсом. Стоимость дизельного топлива на 10-15% меньше бензина при одинаковом расходе.
Учитывая вышесказанное, ДЭС более предпочтительны там, где крайне важен длительный период непрерывной работы (например, на объектах общественного питания в курортной зоне или в качестве резервного источника питания для серверных помещений).
Какие же есть варианты подключений?
I. Однофазное подключение дома
Вариант 1. Подключение на резервное питание частного дома от аккумулятора отдельных автоматов в щитке, которые питают самые важные потребители, среди которых могут быть:
- система отопления
- насос водоснабжения
- холодильник
- основной свет
- гостиная и т.п.
В этом случае, определяются совокупная возможная мощность потребителей, средняя длительная нагрузка на систему и рассчитывается объем аккумуляторных батарей под заданную автономию. Тут вам может помочь наш калькулятор. Как правило, в таком случае используются ИБП и инверторы мощностью от 2 до 6 кВт.
Что выбрать: инвертор или ИБП On-line? Читайте в нашем блоге
Вариант 2. Подключение всего дома. В этом случае, как правило, мощность источника бесперебойного питания подбирается под номинал вводного автомата:
- Автомат 16А — инвертор 3,5-4кВт (например, МАП ПРО 4,5/48)
- 25А — 6кВт (МАП 6.0/48)
- 32А, 40А — 9кВт (МАП 9.0/48)
- 50А — 12кВт (МАП 12.0/48)
Для расчета аккумуляторного банка необходимо определить среднюю нагрузку во время отключений и произвести расчет на нашем калькуляторе. Обычно, для газифицированных домов средняя длительная расчетная нагрузка находится в диапазоне 700-1000Вт.
Пример монтажа бесперебойника для дома на 2 фазы из 3-х
Автоматический коммутатор фаз или трехфазный ИБП? При необходимости обеспечить бесперебойным питанием весь коттедж, подключенный по трехфазной схеме можно воспользоваться двумя решениями:
- Автоматический коммутатор фаз. Принцип работы: при наличии центрального напряжения все три фазы транслируются на потребителей. Если случилось отключение, по команде реле контроля напряжения через контактор объединяет все фазы в одну, которая питается от инвертора. Схема исключает возможность короткого замыкания и встречного напряжения на электронном и механическом уровне. Переключение на резерв происходит за доли секунды. Это решение бюджетное и надежное.
- Трехфазный ИБП через двойное преобразование обеспечивает стабилизацию напряжения и переключение на аккумуляторы за 0 секунд, что обеспечивает максимально качественное питание для коттеджа. Решения на базе ИБП 3в1 стартуют от бюджета 250т.р., ИБП 3в3 – от 380т.р.
Резервное электроснабжение
Проблема полноценного электроснабжения дома — суровая реальность вдали от больших городов. В настоящий момент, когда при эксплуатации загородного жилья все больше и больше используется современное высокотехнологичное оборудование, подразумевающее непрерывный и безостановочный график работы (системы отопления с электронным поджигом, системы водоснабжения и канализации, охранные системы, противопожарные системы, системы вентиляции, кондиционирования и мониторинга микроклимата помещений) особенно актуальным становится обеспечение непрерывного и высококачественного электроснабжения основных компонентов указанного оборудования. К сожалению, обеспечить это при помощи штатных характеристик электрических цепей, имеющихся в большинстве загородных домов, невозможно. Основных проблемы обычно две – низкие характеристики напряжения в сети и периодические, непредсказуемые отключения электроснабжения на несколько часов. А Вы можете представить, что произойдет с домом в зимний период в случае отключения системы отопления?
Чтобы этого избежать необходимо предусмотреть систему бесперебойного электроснабжения дома для систем жизнеобеспечения — автономное энергоснабжение.

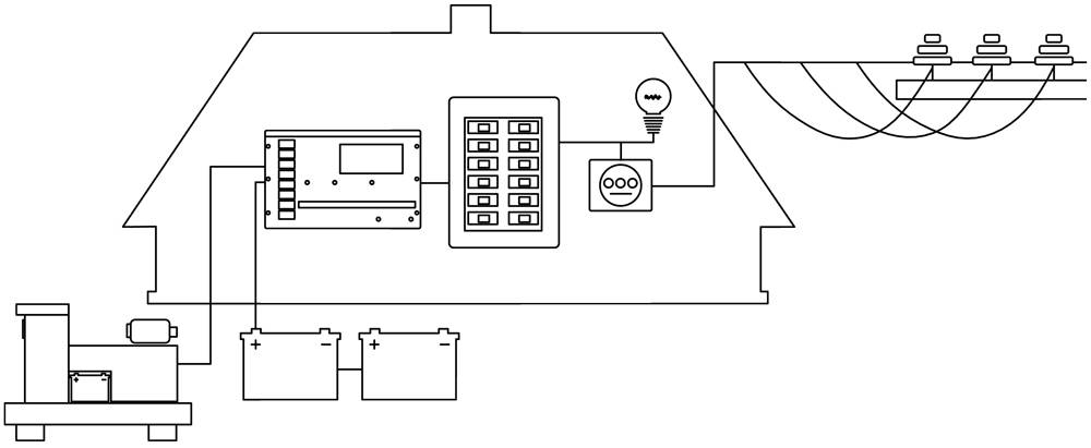
Инверторная система — это электрическая система, функционирующая в качестве «накопителя». Когда есть внешняя сеть, энергия накапливается в больших аккумуляторных батареях. Когда сеть пропадает, происходит мгновенный переброс нагрузок на блок аккумуляторных батарей.Инверторные системы обеспечивают бесперебойность и автономность работы приборов 220 В при авариях и перебоях внешней сети.
Оборудование:
- Инверторный блок определенной выходной мощности
- Блок аккумуляторных батарей глубокого разряда и большой емкости
Реле коммутации с сетью и зарядное устройство определенного уровня тока определяющее максимальную емкость аккумуляторов встроены в инверторный блок. Инверторная система может располагаться в доме. Специальное помещение для данного оборудования не требуется. Аккумуляторные батареи — герметичные, необслуживаемые, устанавливаются в металлической стойке. Инвертор фиксируется на стене над батареями.
Мы всегда готовы оказать помощь в подборе имонтаже системы для резервирования Вашей нагрузки. Связаться можно различными способами:
- Cамый быстрый — позвонить 8 921 752 97 99
- Заказать звонок с сайта нажав иконку в нижне правом углу, Вам перезвонят через 30 секунд
- Заполнить форму «обратный звонок» в верхнем меню, Вам перезвонят в указанное время
- Написать письмо
ИБП для дома и дачи
Бесперебойник для дома – это современное и удобное решение на случай отключения электричества, которое обладает рядом преимуществ:
- работает полностью автоматически
- не требует обслуживания
- время переключения на питание от аккумуляторов от 0 до 20мс (ПК, газовый котел не успевают перезагрузиться)
- работает бесшумно
- дополнительно защищает потребителей от проблем с перенапряжениями
- существенно меньше требований к месту монтажа
- можно добиться запаса автономии больше, чем время беспрерывной работы генератора
- возможна интеллектуальная работа с генератором: запуск при низком заряде аккумуляторных батарей
Длительная автономная работа — подключаем генератор
Есть два пути повышения времени автономной работы: наращивание парка аккумуляторных батарей и использование автономного источника электроэнергии. Первый вариант более дорогостоящий и использовать его следует лишь в тех условиях, где установка ДВС-генератора невозможна, например, в квартирах или офисах. Возникает спорный вопрос: а зачем нужен ИБП при наличии генератора?
Практика показывает, что параллельное использование этих устройств имеет свои плюсы:
- Электроснабжение осуществляется абсолютно беспрерывно.
- Характеристики тока, генерируемого портативными электростанциями, далеки от идеальных. Стабилизатор ИБП сглаживает помехи, имеет УЗИП электронного типа.
- При работе от генератора не нужны устройства высокого класса мощности, достаточно чтобы они соответствовали пиковой нагрузке при одновременно включенных потребителях. В случае, рассмотренном выше, будет достаточно ИБП мощностью 1 кВА/ч.
В отдельных случаях имеет смысл использовать генераторы с функцией автозапуска. В момент перехода на питание от аварийного генератора и при возникновении нештатных ситуаций (генератор заглох, кончилось топливо), питание переключается на ИБП. В нормальном же режиме генерируемого электричества будет достаточно для поддержки полного заряда батарей и включения всех потребителей в работу.
Гибридная система бесперебойного питания: 1 — сеть; 2 — инвертор; 3 — генератор; 4 — аккумуляторный банк; 5 — потребители
Комплексные решения по электрике
В нашей работе мы часто сталкиваемся с проблемами в электрике и электроснабжении частных коттеджей, которые требуют комплексного подхода. К таким проблемам можно отнести: периодические отключения электричества, нестабильное напряжение, некорректно сделанная электрика.
Периодические отключения электричества
Обладая большим опытом реализации проектов по бесперебойному питанию как для частных домов, так и для различных отраслей промышленности и медицины, мы предложим самое оптимальное решения для вас под заданный бюджет. Отключения электричества больше не будут доставлять дискомфорт.
Нестабильное напряжение
| Напряжение может быть пониженным, повышенным, плавающим, скачущим – для каждого из этих случаев следует использовать правильно подобранные стабилизаторы напряжения, чтобы надежно устранить проблему. На российском рынки представлено несколько технологий и десятки различных марок стабилизаторов, которые можно купить по различным ценам. Наши специалисты помогут подобрать и квалифицированно установить оборудование. | Какие стабилизаторы напряжения для дома лучше? Читайте в нашем блоге |
Электрика
Электрика в доме, которая сделана с серьезными нарушениями, может привести к пожарам, поражениям током, выходу бытовых приборов и электроники из строя. Часто в электрощите стоят просто морально и физически устаревшие автоматы, УЗО и дифы. В соответствии с нормативами и стандартами (ПУЭ 7, ГОСТ, СНиП и проч.) мы осуществляем сборку и переборку щитов. При вашем желании, мы можем уставить различную автоматику, мониторинг напряжения и нагрузки, сделать подготовку под монтаж генератора и т.д.
Купите ИБП для дома на длительное время автономной работы по лучшей цене с профессиональным монтажем по Москве, Московской области и всей России.
Резервное электроснабжение дома – выбираем резервные источники электроснабжения
Рассмотрим для каждого срока отключения электроэнергии самые оптимальные резервные источники электроснабжения:
- Для микро – отключений на срок от нескольких секунд до нескольких минут для питания жизненно необходимых вашему дому устройств (горелка и автоматика отопительного котла, циркуляционный насос, системы умный дом) подойдет самый простой источник бесперебойного питания (ИБП) со штатным аккумулятором (АКБ), способный держать нагрузку по заявленным характеристикам. Основное требование к ИБП – это чистый синус (форма выходного напряжения) на выходе для питания циркуляционного насоса и современной автоматики котла.
- Для кратковременных отключений электроэнергии на срок до 12 часов самой оптимальной будет система, в которой работают источник бесперебойного питания и несколько подключаемых к нему АКБ достаточной емкости, чтобы питать ваши устройства до 12 часов. Здесь потребуется источник бесперебойного питания, способный заряжать и питаться от внешних батарей. Будьте готовы увеличить суммарную емкость ваших батарей до 200-400 А*ч.
- Для среднесрочного отключения электроэнергии на срок до 24-48 часов вам точно понадобится генератор – бензиновый или дизельный. Только генератор будет способен поддержать вашу аварийную систему в рабочем состоянии на такой срок. Основную часть времени резервное электроснабжение дома осуществляется от ИБП с АКБ, а раз в 4-6 часов вы заводите бензиновый генератор и заряжаете аккумуляторные батареи, а также питаете все устройства дома в автономном режиме. У такой системы резервного электроснабжения есть неоспоримый плюс – она работает гораздо экономичнее, чем постоянное питания от бензогенератора.
- При длительном отключении электроэнергии резервное электроснабжение дома происходит все от той же связки «ИБП плюс АКБ плюс генератор». Однако стоит заранее думать о том, чтобы иметь достаточное количество топлива для генератора – бензин или солярка в зависимости от типа генератора.
Почему бы просто не гонять генератор при отключениях или не иметь просто АКБ с инвертором?
Для небольшого срока отключения подойдет резервное электроснабжение дома от ИБП с АКБ.
Можно и так, но у этих схем есть минусы, которых лишена система резервного электроснабжения «ИБП плюс АКБ плюс генератор».
При сроках отключения более суток все равно потребуется генератор для поддержания системы резервного электроснабжения «в тонусе».
Если в системе нет ИБП, то при отключении, если хозяин не успеет вовремя среагировать, система отопления на ТТ котле может пойти «в разнос». В топке будет продолжаться горение и температура без циркуляции теплоносителя будет повышаться.
Что касается системы без генератора, с использованием только резервных аккумуляторных батарей, то срок работы такой системы ограничен емкостью батарей. Если у вас нет генератора, то после исчерпания энергии в АКБ, вам нечем будет их зарядить, система отопления и жизненно необходимые устройства в вашем доме будут обесточены.
Что касается генератора, то при использовании с ИБП, который дает на выходе «чистый синус», можно использовать любой – хоть с аппроксимацией синусоиды, хоть с меандром.
Инверторный генератор позволит подключать напрямую устройства, которым требуется «чистый синус» на выходе генератора или ИБП.
В случае, если вы хотите запитать от генератора еще какие-либо устройства напрямую, стоит выбрать инверторный генератор. Стоимость его не сильно отличается от обычного, зато инверторный генератор выдает на выходе напряжение в виде синусоиды, которая «по нраву» всем современным электронным устройствам и насосам.
Дизельные генераторы
Стоит отметить, что под этим названием можно подразумевать сразу несколько разновидностей этой техники. Сюда входят и дизельные подстанции, и дизель-генераторы. Достоинства таких агрегатов в том, что они могут работать без остановок в течение долгого промежутка времени. Если сравнивать с бензиновыми генераторами, то от этих агрегатов не образуются пары, которые необходимо отводить в целях обеспечения пожарной безопасности.

Конечно, дым от прибора интенсивно выделяется, и по этой причине необходимо делать качественную вентиляцию в помещении, в котором производится установка оборудования. В принципе, можно выхлопную трубу сделать максимально герметичной, при помощи гибкой гофры удлинить ее и вывести на улицу. В этом случае все выхлопные газы будут уходить в атмосферу. При обеспечении резервными источниками электроснабжения здания необходимо, чтобы все вредные выхлопы из помещения отводились в атмосферу.
Энергия ветра для автономного электроснабжения
В том случае, когда метеорологические или какие-либо другие объективные причины не позволяют установить солнечные батареи или коллекторы, есть смысл обратить внимание на сборку и установку ветрогенератора. Он представляет собой турбину, размещенную на высоких (от 3 метров) башнях
Она улавливает кинетическую энергию вихревого потока, преобразует ее в механическую энергию вращением ротора и потом превращает в электроресурс посредством специальных инверторов.
Владелец частного дома, запланировавший установку ветряного генератора мощностью более 10 кВт, должен тщательно изучить информацию об изменениях направления и силы ветра в своей местности за последние 20 лет
Статистику могут предоставить метеослужба и различные интернет-сервисы, позволяющие наблюдать за погодой в онлайн-режиме. Если ветра в регионе считаются редким явлением и не имеют нужной силы, монтировать «ветряк» будет нецелесообразно.
Агрегат отличается надежностью, ветрогенератор не создает вредных выбросов в атмосферу и не оставляет отходов производства, но для полноценной работы остро нуждается в постоянном ветре, дующем со скоростью не менее 14 километров в час
Это очень важное условие, и если его не соблюсти, прибор просто не справится с поставленными задачами
Проект резервного электроснабжения
В проект резервного электроснабжения входит вся документация, где учитывается суммарная мощность всех автономных источников. В систему резервного автономного энергоснабжения загородного дома могут входить и ультрасовременные мини-электростанции, и традиционные источники электричества. Чем больше предполагается источников питания сети, тем больше эффективность. Однако, в такой проект должны быть внесены все показатели мощности генераторов и емкости аккумуляторов.
Проектная мощность автономного резервного электроснабжения, включая инвертор, рассчитывается так – суммарная мощность работающих устройств плюсуется и умножается на 3. Это вызвано тем, что при запуске техника тянет максимальное количество энергии. Данный показатель учитывается для того, чтобы автономная сеть справлялась с максимально возможной нагрузкой по проектной мощности. В расчеты входят потребности электропитания питаемых схемой приборов:
- активные нагревательные (плита и электрочайник, лампочки накаливания);
- индуктивные (холодильник, стиральная машина, телевизор, микроволновка и пр.)
Их потребляемую мощность суммируют (по таблице или согласно прилагаемой инструкции) и добавляют 20-25% от максимальной величины, на тот случай, если все электроприборы будут работать одновременно. То есть, небольшая дача с минимальным освещением, телевизором и холодильником будет работать по схеме резервного электроснабжения загородного дома при мощности в 2 кВт. Если пользоваться электроинструментом и другими приборами, то прибавляем еще 5-6 кВт.
Сегодня наиболее распространенные автономные резервные источники электроснабжения:
- станция бесперебойного питания;
- дизельный генератор;
- ветряной генератор;
- бензиновый генератор;
- инвертор.
1. Бензиновый электрогенератор считается одним из наиболее эффективных, хотя экономичным его не назовешь. Но для его достаточно при потребляемой мощности порядка 6 кВт. Такие источники энергии уместны там, где нет другой альтернативы, а бензин можно транспортировать без проблем. Например, если загородный дом стоит где-то у трассы или недалеко от бензоколонки.
Предлагаем ознакомиться Грибы зеленушки: рецепты заготовок на зиму
Основные преимущества:
- почти бесшумная работа;
- хорошо запускается в зимний период;
- может использоваться как резервный источник.
2. В большом домовладении потребление энергии довольно больше, особенно если много осветительных приборов и нет другого отопления, кроме электрокаминов. При потребляемой мощности более 6 кВт специалисты рекомендуют приобрести дизельный генератор. Однако тут тоже не обойдется без значительных финансовых вложений. Зато он работает практические в любых условиях.
3. Ветряной генератор, или в просторечии «ветряк», довольно эффективен, но он может быть установлен в местности, где всегда дуют довольно сильные ветра или тянут по гонному ущелью сезонные сквозняки.
4. Среди резервных источников электроснабжения нового поколения также нередко используются импульсные конденсаторы (ИКЭ). Прекрасная альтернатива другим системам автономного электропитания, практически инновационное оборудование, которое можно приобрести в готовом виде. Эти портативные модели предлагают улучшенные характеристики бесперебойного питания, которые могут работать автономно или в системе резервного электроснабжения. Они предполагают такой комплект:
- преобразователь напряжения;
- реле переключения от сети к аккумулятору;
- зарядное устройство.
При подключении к схеме инвертора и автономных аккумуляторных батарей тоже получается мини-электростанция с достаточной мощностью.
Резервное электроснабжение: принцип работы
Энергоснабжение частного дома может осуществляться несколькими способами. В первую очередь, это сетевая линия, подающая электричество, генерируемое городской станцией. Преимуществом данной системы является то, что ток, поставляемый от организации, имеет хорошие характеристики, большую мощность и устойчивые показатели. К тому же собственнику жилья нет необходимости следить за электрооборудованием, все обслуживание системы проводят электроэнергетики со специализированной организации.
Также нередко применяется индивидуальное снабжение электроэнергией с применением альтернативных источников питания, таких как солнечные батареи или генераторы. Преимущества данной системы – это ее независимость от сетевой организации и бесперебойное снабжение током жилого помещения. Но для устройства подобной схемы понадобятся определенные знания и опыт, поэтому при планировании обеспечения дачи или частного дома электричеством именно от независимого источника стоит обратиться к квалифицированным специалистам.
Не важно, какой вид энергоснабжения выбран, обязательно нужно предусмотреть резервное питание для частного дома. Эта система позволяет организовать данный тип коммуникации таким образом, что даже во время отключения основной линии электропередачи или возникновения аварийной ситуации вместо генератора включается аккумулятор, который на протяжении некоторого времени позволяет пользоваться электричеством для поддержания хотя бы минимального комфорта и работы основных бытовых приборов
В каждой из систем предусмотрен свой тип АКБ, в зависимости от решаемой задачи.
Принцип работы резервного питания весьма прост: он заключается в непрерывном накоплении тока в емкости аккумулятора при рабочей сети. То есть в системе имеется зарядное устройство, которое подключено к АКБ и общей линии. Во время отключения тока происходит обратная реакция, и накопленная энергия устремляется на потребителя, после возникновения подачи электричества все процессы возвращаются в исходный вариант.
Резервные источники питания для частного дома генераторы против батарей

Фото: ShutterStock/Fotodom.ru
В качестве альтернативных источников электроэнергии в быту на сегодняшний день применяются генераторы с двигателем внутреннего сгорания (чаще всего дизель-генераторы) и аккумуляторные батареи (АКБ), укомплектованные инвертором — преобразователем тока (из постоянного в переменный и наоборот). АКБ подключаются к сети через инвертор, с помощью него же происходит подзарядка батарей, когда электричество в сети есть.

Фото: «Солтек»
Источник бесперебойного питания, укомплектованный аккумуляторными батареями и инвертором, не займёт много места в доме
Оба типа имеют свои достоинства и недостатки. Главным минусом генераторов являются шум и выхлопные газы, производимые при работе. Зато дизель теоретически может функционировать сколько угодно, лишь бы было топливо. Во всяком случае, несколько дней подряд он проработать должен.

Фото: ShutterStock/Fotodom.ru
Для установки мощных ИБП с аккумуляторными батареями понадобится отдельная стойка
Системы, основанные на АКБ, имеют более существенные ограничения по времени работы. Обычно от нескольких десятков минут до нескольких часов. Для большей длительности потребуются аккумуляторы значительной ёмкости, и, соответственно, система получится слишком дорогой. Судите сами: недорогой дизель-генератор с выходной мощностью 2 кВт можно купить за 25–30 тыс. руб.
Комплект аккумуляторов, способных выдавать 2 кВт в течение 2–3 ч, обойдётся примерно вдвое дороже. Прибавьте к этому стоимость инвертора — минимум 30–40 тыс. руб. Полностью в сборе источник бесперебойного питания (ИБП) на полчаса-час работы обойдётся минимум в 100 тыс. руб. Зато использовать ИБП в качестве резервного источника — сплошное удовольствие. Ни выхлопа, ни шума, ни топлива, а переключение происходит практически мгновенно (генератор нужно ещё запустить).

Фото: Legrand
Модульный трёхфазный ИБП средней мощности Trimod HE (Legrand) со встроенным микропроцессором и модульной системой батарейных блоков
Для размещения аккумуляторов требуется отдельное, хорошо проветриваемое помещение, в котором устанавливаются изолированные стеллажи. Температура в нём не должна быть ниже рекомендованной производителями батарей (обычно 15 °С). Подробнее о выборе типа и марки аккумуляторов, их использовании и хранении мы поговорим в отдельной статье.
Схема системы бесперебойного электроснабжения


Фото: Legrand
Компактный однофазный ИБП KEOR S 3 кВA 20′ (Legrand), мощность от 3 до 10 кВА (от 133 тыс. руб.)
Все источники резервного питания подбираются в зависимости от мощности подключаемой нагрузки. Она зависит от потребностей домовладельцев. Чтобы её подсчитать, нужно суммировать мощность всех устройств, которые будут подключены к источнику питания. Учтите, что чем больше выйдет эта сумма, тем дороже получится ИБП, поэтому имеет смысл ограничить нагрузку, оставив только самое необходимое — аварийное освещение, питание компонентов системы отопления и водоснабжения (вентиляция, скважинный насос и т. д.). Плюс одна-две розетки, чтобы можно было подключить телевизор или другую бытовую технику.
При выборе генератора или установке инверторной системы в первую очередь нужно определиться, как часто понадобится использовать дополнительный источник электроэнергии. Так, если вы бываете на даче только по выходным в летний период, достаточно бензинового генератора. При этом нужно помнить, что бензиновые или дизельные генераторы создают во время работы сильный шум и неприятный запах. Поэтому их нужно размещать в проветриваемых помещениях с хорошей звукоизоляцией. Более удобными в использовании являются инверторно-аккумуляторные системы, особенно если вы много времени проводите на даче и бесперебойный источник энергии нужен постоянно. Такая система, как правило, состоит из инвертора, аккумуляторных батарей, зарядного устройства, которое обеспечивает заряд аккумуляторов, контроллера, следящего за зарядом батареи.
Иван Хрипунов
Технический специалист компании «Каширский Двор»

























































